电脑桌面
添加小米粒文库到电脑桌面
安装后可以在桌面快捷访问

电气试验报告

电气试验报告_第1页
1/6
电气试验报告_第2页
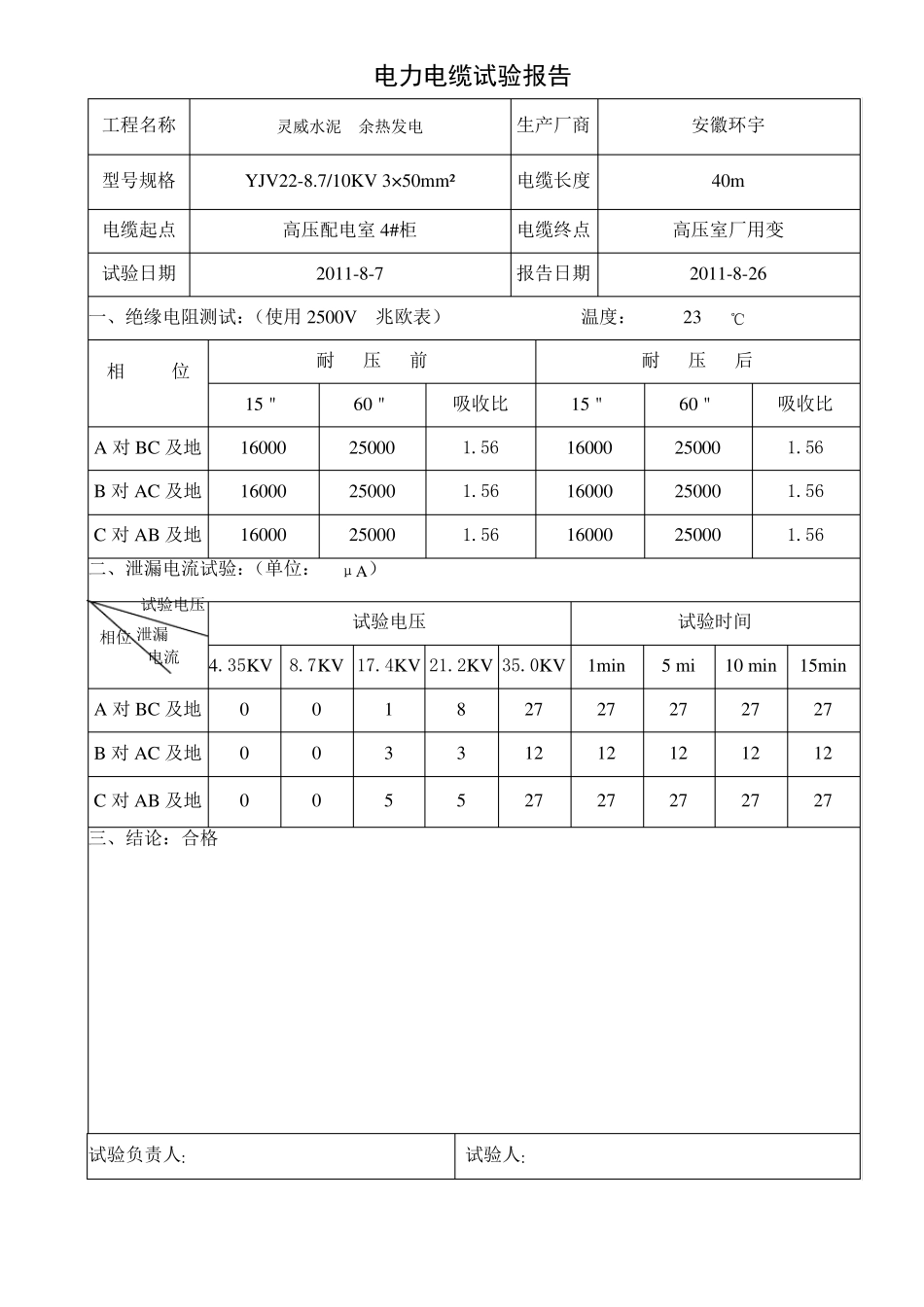
2/6
电气试验报告_第3页
3/6
真空断路器试验记录 工程名称 灵威水泥 余热发电 分项工程 10KV 高压配电 安装地点 3# 发电机出口开关柜 生产厂商 河南森源电气股份有限公司 试验性质 交接 产品型号 VS1(ZN63A)-12 额定电压 12KV 额定电流 1250A 出厂编号 11100279 出厂日期 2011-3 试验日期 2011-8-8 报告日期 2011-8-26- 试 验 相 别 A B C 一、测量断路器绝缘电阻 (使用2500V 兆欧表)温度:25 ℃ A~E:2500 MΩ B~E:2500 MΩ C~E:2500 MΩ A~B:2500 MΩ B~C:2500 MΩ C~A:2500 MΩ 二、测量每相导电回路的电阻:≤50 μΩ 49 μΩ 40 μΩ 37 μΩ 三、交流耐压试验 合闸后对外壳 42 KV/1min 42 KV/1min 42 KV/1min 断口之间 42 KV/1min 42 KV/1min 42 KV/1min 四、测量断路器的 分、合闸时间 合闸时间:≤70mS 48.933 mS 48.936 mS 48.925 mS 分闸时间:≤50 mS 26.095 mS 26.088 mS 26.107 mS 五、断路器配电容 器的试验 电容量 / pF / pF / pF 绝缘电阻 /MΩ /MΩ /MΩ 交流耐压 /KV/1min /KV/1min /KV/1min 六、测量断路器主触头分、合的同期性 合闸同期性: ≤2 mS 0.061 mS 分闸同期性: ≤2 mS 0.168 mS 七、测量断路器合闸时触头的弹跳时间 弹跳时间: ≤2 mS 0 mS 八、测量分、闸线圈及储能电机的绝缘电阻和直流电阻 试验项目 分闸线圈 合闸线圈 合闸接触器 绝缘电阻 500 MΩ 500 MΩ / MΩ 直流电阻 183Ω 108 Ω /Ω 储能电动机 绝缘电阻: 500 MΩ 直流电阻: 307.5 Ω 九、机构的模拟操动试验(直流电磁铁或弹簧机构) 操作类别 操作线圈电压与额定电源电压的比值(%) 操作次数 合、分 220 3 合 闸 85(80) 3 分 闸 65 3 合、分、重合 100 3 十、备注: 十一、结论:合格 试验负责人: 试验人: 真空断路器试验记录 工程名称 灵威水泥 余热发电 分项工程 10KV 高压配电 安装地点 4# 厂用分支柜 生产厂商 河南森源电气股份有限公司 试验性质 交接 产品型号 VS1(ZN63A)-12 额定电压 12KV 额定电流 630A 出厂编号 11100280 出厂日期 2011-3 试验日期 2011-8-8 报告日期 2011-8-26- 试 验 相 别 A B C 一、测量断路器绝缘电阻 (使用2500V 兆欧表)温度:25 ℃ A~E:2500 MΩ B~E:2500 MΩ C~E:2500 MΩ A~B:2...

1、当您付费下载文档后,您只拥有了使用权限,并不意味着购买了版权,文档只能用于自身使用,不得用于其他商业用途(如 [转卖]进行直接盈利或[编辑后售卖]进行间接盈利)。
2、本站所有内容均由合作方或网友上传,本站不对文档的完整性、权威性及其观点立场正确性做任何保证或承诺!文档内容仅供研究参考,付费前请自行鉴别。
3、如文档内容存在违规,或者侵犯商业秘密、侵犯著作权等,请点击“违规举报”。

碎片内容

电气试验报告

小辰5+ 关注
实名认证
内容提供者

出售各种资料和文档

确认删除?
VIP
微信客服
  • 扫码咨询
会员Q群
  • 会员专属群点击这里加入QQ群
客服邮箱
回到顶部