电脑桌面
添加小米粒文库到电脑桌面
安装后可以在桌面快捷访问

电阻器的命名规则与电阻类别(带实物图)

电阻器的命名规则与电阻类别(带实物图)_第1页
1/17
电阻器的命名规则与电阻类别(带实物图)_第2页
2/17
电阻器的命名规则与电阻类别(带实物图)_第3页
3/17
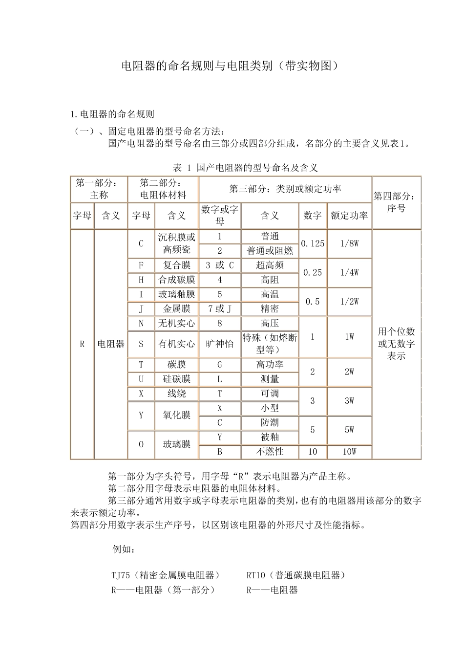
电 阻 器 的 命 名 规 则 与 电 阻 类 别 ( 带 实 物 图 ) 1.电 阻 器 的 命 名 规 则 ( 一 ) 、 固 定 电 阻 器 的 型 号 命 名 方 法 : 国 产 电 阻 器 的 型 号 命 名 由 三 部 分 或 四 部 分 组 成 , 名 部 分 的 主 要 含 义 见 表 1。 表 1 国 产 电 阻 器 的 型 号 命 名 及 含 义 第 一 部 分 : 主 称 第 二 部 分 : 电 阻 体 材 料 第 三 部 分 : 类 别 或 额 定 功 率 第 四 部 分 :序 号 字 母 含 义 字 母 含 义 数 字 或 字母 含 义 数 字 额 定 功 率 R 电 阻 器 C 沉 积 膜 或高 频 瓷 1 普 通 0.125 1/8W 用 个 位 数或 无 数 字表 示 2 普 通 或 阻 燃 F 复 合 膜 3 或 C 超 高 频 0.25 1/4W H 合 成 碳 膜 4 高 阻 I 玻 璃 釉 膜 5 高 温 0.5 1/2W J 金 属 膜 7 或 J 精 密 N 无 机 实 心 8 高 压 1 1W S 有 机 实 心 旷 神 怡 特 殊 ( 如 熔 断型 等 ) T 碳 膜 G 高 功 率 2 2W U 硅 碳 膜 L 测 量 X 线 绕 T 可 调 3 3W Y 氧 化 膜 X 小 型 C 防 潮 5 5W O 玻 璃 膜 Y 被 釉 B 不 燃 性 10 10W 第 一 部 分 为 字 头 符 号 , 用 字 母 “ R” 表 示 电 阻 器 为 产 品 主 称 。 第 二 部 分 用 字 母 表 示 电 阻 器 的 电 阻 体 材 料 。 第 三 部 分 通 常 用 数 字 或 字 母 表 示 电 阻 器 的 类 别 ,也 有 的 电 阻 器 用 该 部 分 的 数 字来 表 示 额 定 功 率 。 第 四 部 分 用 数 字 表 示 生 产 序 号 , 以 区 别 该 电 阻 器 的 外 形 尺 寸及 性 能指标。 例如 : TJ75( 精 密 金 属 膜 电 阻 器 ) RT10( 普 通 碳 膜 电 阻 器 ) R——电 阻 器 ( 第 一 部 分 ) R——电 阻 器 J——金属膜(第二部分) T——碳膜 7——精密(第三部分) 1——普通型 5——序号(第四部分) 0——序号 RX28(阻燃型线绕电阻器) RJ 90-B 0.5 (0.5W 不然性金属膜熔断电阻器) R——电阻器 RJ——金属膜电阻器 X——线绕 9...

1、当您付费下载文档后,您只拥有了使用权限,并不意味着购买了版权,文档只能用于自身使用,不得用于其他商业用途(如 [转卖]进行直接盈利或[编辑后售卖]进行间接盈利)。
2、本站所有内容均由合作方或网友上传,本站不对文档的完整性、权威性及其观点立场正确性做任何保证或承诺!文档内容仅供研究参考,付费前请自行鉴别。
3、如文档内容存在违规,或者侵犯商业秘密、侵犯著作权等,请点击“违规举报”。

碎片内容

电阻器的命名规则与电阻类别(带实物图)

小辰5+ 关注
实名认证
内容提供者

出售各种资料和文档

相关文档

确认删除?
VIP
微信客服
  • 扫码咨询
会员Q群
  • 会员专属群点击这里加入QQ群
客服邮箱
回到顶部