电脑桌面
添加小米粒文库到电脑桌面
安装后可以在桌面快捷访问

电阻式触摸屏设计规范

电阻式触摸屏设计规范_第1页
1/7
电阻式触摸屏设计规范_第2页
2/7
电阻式触摸屏设计规范_第3页
3/7
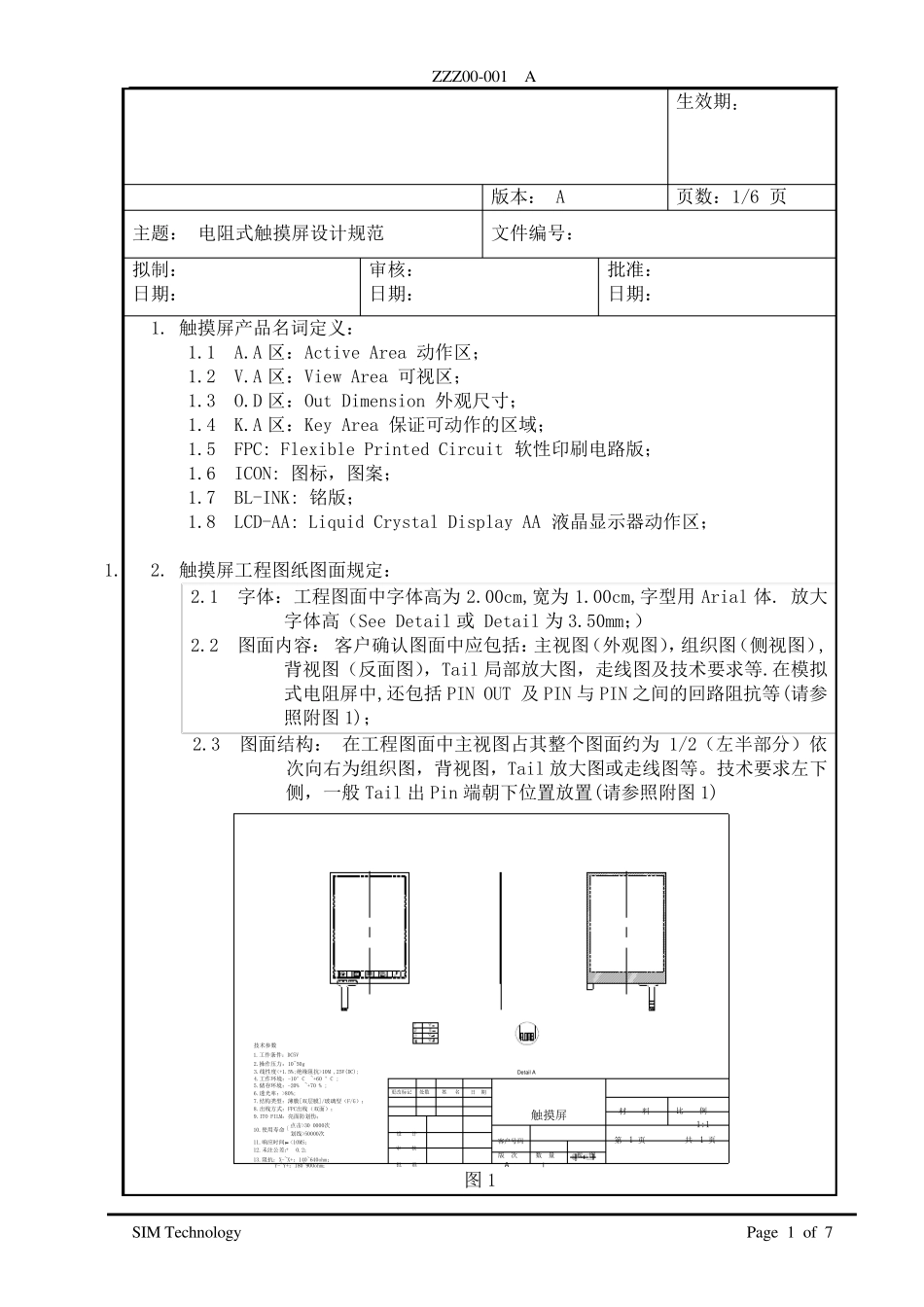
ZZZ00-001 A SIM Techn o lo gy Page 1 o f 7 生 效 期 : 版 本 : A 页 数 : 1/6 页 主 题 : 电 阻 式 触 摸 屏 设 计 规 范 文 件 编 号 : 拟 制 : 日 期 : 审 核 : 日 期 : 批 准 : 日 期 : 1. 触 摸 屏 产 品 名 词 定 义 : 1.1 A.A 区 : Active Area 动 作 区 ; 1.2 V.A 区 : View Area 可 视 区 ; 1.3 O.D 区 : Out Dimension 外 观 尺 寸 ; 1.4 K.A 区 : Key Area 保 证 可 动 作 的 区 域 ; 1.5 FPC: Flexible Printed Circuit 软 性 印 刷 电 路 版 ; 1.6 ICON: 图 标 , 图 案 ; 1.7 BL-INK: 铭 版 ; 1.8 LCD-AA: Liquid Crystal Display AA 液 晶 显 示 器 动 作 区 ; 1. 2. 触 摸 屏 工 程 图 纸 图 面 规 定 : 2.1 字 体 : 工 程 图 面 中 字 体 高 为2.00cm,宽 为1.00cm,字 型 用Arial 体 . 放 大字 体 高 ( See Detail 或 Detail 为 3.50mm;) 2.2 图 面 内 容 : 客 户 确 认 图 面 中 应 包 括 : 主 视 图 ( 外 观 图 ), 组 织 图 ( 侧 视 图 ) ,背 视 图 ( 反 面 图 ), Tail 局 部 放 大 图 , 走 线 图 及 技 术 要 求 等 .在 模 拟式 电 阻 屏 中 ,还 包 括 PIN OUT 及 PIN 与 PIN 之 间 的 回 路 阻 抗 等 (请 参照 附 图 1); 2.3 图 面 结 构 : 在 工 程 图 面 中 主 视 图 占 其 整 个 图 面 约 为1/2( 左 半 部 分) 依次向右为 组 织 图 , 背 视 图 , Tail 放 大 图 或 走 线 图 等 。技 术 要 求 左 下侧 , 一般Tail 出Pin 端朝下位置放 置(请 参 照 附 图 1) 图 1 技 术 参 数1.工 作 条件 : DC5V2.操作 压力: 10~50g3.线 性 度<+1.5%;绝缘阻 抗 >10M ,25V(DC);4.工 作 环境: -10°C ~+60 °C ;5.储存环境: -20% ~+70 % ;6.透光率: >80%;7.结 构 类型 : 薄膜[双 层 膜]/玻 璃 型 ( F/G) ;8.出线 方 式 : FPC出线 ( 双 面 ) ;9.ITO FILM: 亮 面 防 划 伤 ;10.使 用 寿 命 { 点 击 >30 0000次划 线 >50000次11.响 ...

1、当您付费下载文档后,您只拥有了使用权限,并不意味着购买了版权,文档只能用于自身使用,不得用于其他商业用途(如 [转卖]进行直接盈利或[编辑后售卖]进行间接盈利)。
2、本站所有内容均由合作方或网友上传,本站不对文档的完整性、权威性及其观点立场正确性做任何保证或承诺!文档内容仅供研究参考,付费前请自行鉴别。
3、如文档内容存在违规,或者侵犯商业秘密、侵犯著作权等,请点击“违规举报”。

碎片内容

电阻式触摸屏设计规范

您可能关注的文档

小辰+ 关注
实名认证
内容提供者

出售各种文档和资料

确认删除?
VIP
微信客服
  • 扫码咨询
会员Q群
  • 会员专属群点击这里加入QQ群
客服邮箱
回到顶部