电脑桌面
添加小米粒文库到电脑桌面
安装后可以在桌面快捷访问

电阻的测量(定值电阻、电表内阻、电源内阻)

电阻的测量(定值电阻、电表内阻、电源内阻)_第1页
1/25
电阻的测量(定值电阻、电表内阻、电源内阻)_第2页
2/25
电阻的测量(定值电阻、电表内阻、电源内阻)_第3页
3/25
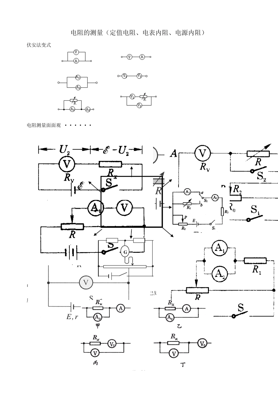
第1 页 电阻的测量(定值电阻、电表内阻、电源内阻) 伏安法变式 电阻测量面面观 ······ 电学实验的非常规方法 【类型一】 两只同种电表中的一个内阻已知,则已知内阻的电流表可以自测电压,已知内阻的电压表可以自测电流. G 第2 页 【类型二】两只同种电表内阻都已知,则两只电表既可以自测电流,也可以自测电压,且各种接法都可以避免由于电表内阻引起被测电阻的误差. 类型三 两只同种电表内阻都未知,电表可以视为理想情况,此种情况可配合一个阻值已知的定值电阻 R0 完成实验. 定值电阻的测量方法 1.欧姆表测量 例[06北京卷]一多用电表的电阻有三个倍率,分别是×1、×10、×100。用×10 档测量某电阻时,操作步骤正确,发现表头指针偏转角度很小,为了较准确在进行测量,应换到 档,如果换档后立即用表笔连接待测电阻进行读数,那么缺少的步骤是 ,若补上该步骤后测量,表盘的示数如图,则该电阻的阻值是____________Ω 。 分析: 多用电表测电阻时,表头指针偏转角度很小,说明所选的倍率小,测量误差大,故题中应选×100 的倍率,并重新调零后才可正确测量,由表头中示数知被测电阻的值为2.2×103 Ω (或 2.2kΩ )。 点评:多用电表测电阻简单、方便、直观,基本原理是闭合电路的欧姆定律。应用多用电表测电阻时应把握好几个关键:(1)因流经表头的电流与被测电阻的阻值是非线性关系,故电阻刻度是不均匀的(2)被测电阻为零即红黑表笔短接时,流经电流计的电流最大,故电阻的零刻度线在表头的右端处(电流计指针满偏处),当红黑表笔断开时,流经电流计的电流为零,指针位置为欧姆刻度的无穷大处(表头左端是流为零处),故当表头指针偏转角度较小时,可能是所选倍率小或被测电阻阻值较大(3)多用电阻测电阻,当指针在中央附近时误差较小,所以应选择合适的倍率,但更换不同倍率的档位时必须重新进行欧姆调零。(4)因多用电表作欧姆表使用时内部有电源,故使用时被测电阻要与其他元件和电源断开,两手也不能同时接触两表笔的金属部分。 2.伏安法 例.在“测定金属的电阻率”实验中,若粗估金属丝的电阻Rx约为3Ω ,为减小误差,要求金属丝发热功率P<0.75W,备有的部分器材有: A.6V的电池组 B、电流表(0—0.6A,内阻0.5Ω ) C.电流表(0—3A,内阻0.01Ω ) D、电压表(0—3V,内阻1kΩ ) E.电压表(0—15V,内阻5kΩ ) F、滑动变阻器(0—100Ω ,额定电流1A) G....

1、当您付费下载文档后,您只拥有了使用权限,并不意味着购买了版权,文档只能用于自身使用,不得用于其他商业用途(如 [转卖]进行直接盈利或[编辑后售卖]进行间接盈利)。
2、本站所有内容均由合作方或网友上传,本站不对文档的完整性、权威性及其观点立场正确性做任何保证或承诺!文档内容仅供研究参考,付费前请自行鉴别。
3、如文档内容存在违规,或者侵犯商业秘密、侵犯著作权等,请点击“违规举报”。

碎片内容

电阻的测量(定值电阻、电表内阻、电源内阻)

您可能关注的文档

小辰9+ 关注
实名认证
内容提供者

出售各种资料和文档

相关文档

确认删除?
VIP
微信客服
  • 扫码咨询
会员Q群
  • 会员专属群点击这里加入QQ群
客服邮箱
回到顶部