电脑桌面
添加小米粒文库到电脑桌面
安装后可以在桌面快捷访问

电阻类来料检验规范

电阻类来料检验规范_第1页
1/6
电阻类来料检验规范_第2页
2/6
电阻类来料检验规范_第3页
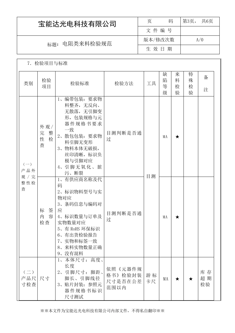
3/6
宝能达光电科技有限公司 页 码 第1页, 共6页 文 件 编 号 标题:电阻类来料检验规范 版本/修改次数 A/0 生 效 日 期 ※※本文件为宝能达光电科技有限公司内部文件,不得私自翻印※※ ﹡﹡﹡修订记录﹡﹡﹡ 发布日期 版本 修订内容 备注 A/0 新版发行 宝能达光电科技有限公司 页 码 第2页, 共6页 文 件 编 号 标题:电阻类来料检验规范 版本/修改次数 A/0 生 效 日 期 ※※本文件为宝能达光电科技有限公司内部文件,不得私自翻印※※ 1. 目 的 根据《元器件规格书》规格要求检验供应商来料,为IQC来料检验,提供检验项目、标准及方法指导。通过检验保证生产使用的物料满足公司的品质要求。 2.范围 本规范适用于我公司所有电容类物料来料检验。 3.检验方式 3.1 常规来料检验: 常规来料检验即针对每批次来料检验; 依据 GB2828-2003 II 级一次抽样,致命缺陷(CR)AQL=0.1;重缺陷(MA)AQL=0.15;轻 缺陷(MI)AQL=0.65。 3.2 特殊检验: 特殊检验即由于检测条件或检测必要性决定,检测频度参见备注说明, 抽样等级、缺陷等级参照常规来料检验。 4.试验项目 4.1 产品包装检查; 4.2 产品外观及完整性检查; 4.3 产品尺寸检查; 4.4 产品性能检查; 4.5 产品环保要求检查; 4.6 实物装配性/可焊性检查。 5. 检验依据 《元器件规格书》、承认书(规格书)、产品 BOM。 6.备注 若客户对物料有特殊要求时,以客户要求为准,其他未 规定的项目按 国 家 通用标准执 行 ;来料规格型 号与 BOM 或封 样不符 时,缺陷类别 为重缺陷(MA)。 宝能达光电科技有限公司 页 码 第3页, 共6页 文 件 编 号 标题:电阻类来料检验规范 版本/修改次数 A/0 生 效 日 期 ※※本文件为宝能达光电科技有限公司内部文件,不得私自翻印※※ 7.检验项目与标准 类别 检验 项目 检验标准 检验方法 工具 缺陷等级 来料检验 特 殊 检 验 备 注 (一) 产 品 外观 / 完整 性 检查 外 观 /完整性检查 1、编带包装:要求物料整齐,无反向、无散落,无引脚变形,包装规格与元器 件规格 书要 求一致 2、散包包装:要求物料引脚无变形 3、物料本体无破损,丝印清晰,标识负极与引脚对应 4、引 脚无 氧 化、 脏污、断裂 目测判断是否通过 目测 MA ★ 标签内容检查 1、有供应商名称及代码 2、标识物料型号与实物对应 3、条码信...

1、当您付费下载文档后,您只拥有了使用权限,并不意味着购买了版权,文档只能用于自身使用,不得用于其他商业用途(如 [转卖]进行直接盈利或[编辑后售卖]进行间接盈利)。
2、本站所有内容均由合作方或网友上传,本站不对文档的完整性、权威性及其观点立场正确性做任何保证或承诺!文档内容仅供研究参考,付费前请自行鉴别。
3、如文档内容存在违规,或者侵犯商业秘密、侵犯著作权等,请点击“违规举报”。

碎片内容

电阻类来料检验规范

您可能关注的文档

小辰4+ 关注
实名认证
内容提供者

出售各种资料和文档

确认删除?
VIP
微信客服
  • 扫码咨询
会员Q群
  • 会员专属群点击这里加入QQ群
客服邮箱
回到顶部