电脑桌面
添加小米粒文库到电脑桌面
安装后可以在桌面快捷访问

QC降低检测报告差错率

QC降低检测报告差错率_第1页
1/20
QC降低检测报告差错率_第2页
2/20
QC降低检测报告差错率_第3页
3/20
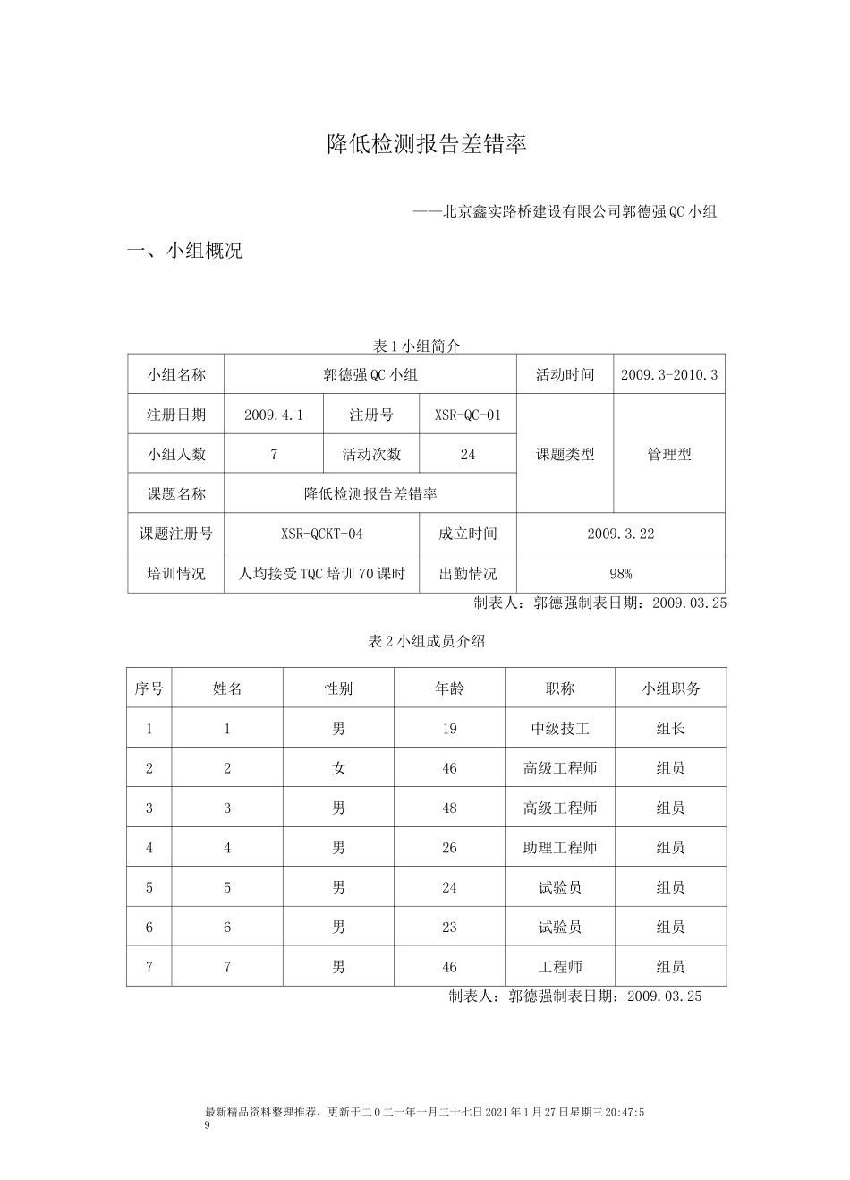
最新精品资料整理推荐,更新于二 O 二一年一月二十七日 2021 年 1 月 27 日星期三 20:47:59“福田杯”暨北京市第五十六次 QC 小组成果发表会北京路桥集团企业名称:北京鑫实路桥建设有限公司小组名称:郭德强 QC 小组小组成员:发表人:郭德强发表形式:PPT 演说2010 年 03 月 27 日最新精品资料整理推荐,更新于二 O 二一年一月二十七日 2021 年 1 月 27 日星期三 20:47:59目录一、小组概况 1.二、活动计划 3.三、选择课题 4.四、设定目标 5.五、分析原因 8.六、要因确认 9.七、制定对策 1.0八、实施对策 1.1九、效果检查 15十、巩固措施 16十一、总结与下一步打算 17最新精品资料整理推荐,更新于二 O 二一年一月二十七日 2021 年 1 月 27 日星期三 20:47:59降低检测报告差错率——北京鑫实路桥建设有限公司郭德强 QC 小组一、小组概况表 1 小组简介小组名称郭德强 QC 小组活动时间2009.3-2010.3注册日期2009.4.1注册号XSR-QC-01课题类型管理型小组人数7活动次数24课题名称降低检测报告差错率课题注册号XSR-QCKT-04成立时间2009.3.22培训情况人均接受 TQC 培训 70 课时出勤情况98%制表人:郭德强制表日期:2009.03.25表 2 小组成员介绍序号姓名性别年龄职称小组职务11男19中级技工组长22女46高级工程师组员33男48高级工程师组员44男26助理工程师组员55男24试验员组员66男23试验员组员77男46工程师组员制表人:郭德强制表日期:2009.03.25最新精品资料整理推荐,更新于二 O 二一年一月二十七日 2021 年 1 月 27 日星期三 20:47:59表 3 小组分工表序号姓名具体分工11负责本小组活动的全面工作22负责对小组的技术指导工作33负责调查分析、成果报告的撰写工作44负责对朿分析、对朿实施、总结工作55负责原因分析、效果检查工作66负责活动组织与记录工作77负责其它具体工作制表人:郭德强制表日期:2009.03.25表 4 小组活动情况活动内容活动次数出勤率(%)QC 知识学习298现场调查16分析讨论6制表人:郭德强制表日期:2009.03.25最新精品资料整理推荐,更新于二 O 二一年一月二十七日 2021 年 1 月 27 日星期三 20:47:59二、活动计划表 5 小组活动时间计划表时间进度\09.0309.0409.0509.0609.0709.0809.0909.1009.1109.1210.0110.0210.03选择课题现状调查设定目标分析原因****^要因确认••e*«制定对朿实施对策……效果检查—巩固措施**««><**•1h••总结...

1、当您付费下载文档后,您只拥有了使用权限,并不意味着购买了版权,文档只能用于自身使用,不得用于其他商业用途(如 [转卖]进行直接盈利或[编辑后售卖]进行间接盈利)。
2、本站所有内容均由合作方或网友上传,本站不对文档的完整性、权威性及其观点立场正确性做任何保证或承诺!文档内容仅供研究参考,付费前请自行鉴别。
3、如文档内容存在违规,或者侵犯商业秘密、侵犯著作权等,请点击“违规举报”。

碎片内容

QC降低检测报告差错率

wxg+ 关注
实名认证
内容提供者

该用户很懒,什么也没介绍

确认删除?
VIP
微信客服
  • 扫码咨询
会员Q群
  • 会员专属群点击这里加入QQ群
客服邮箱
回到顶部