电脑桌面
添加小米粒文库到电脑桌面
安装后可以在桌面快捷访问

常用电子元件识别与检测

常用电子元件识别与检测_第1页
1/18
常用电子元件识别与检测_第2页
2/18
常用电子元件识别与检测_第3页
3/18
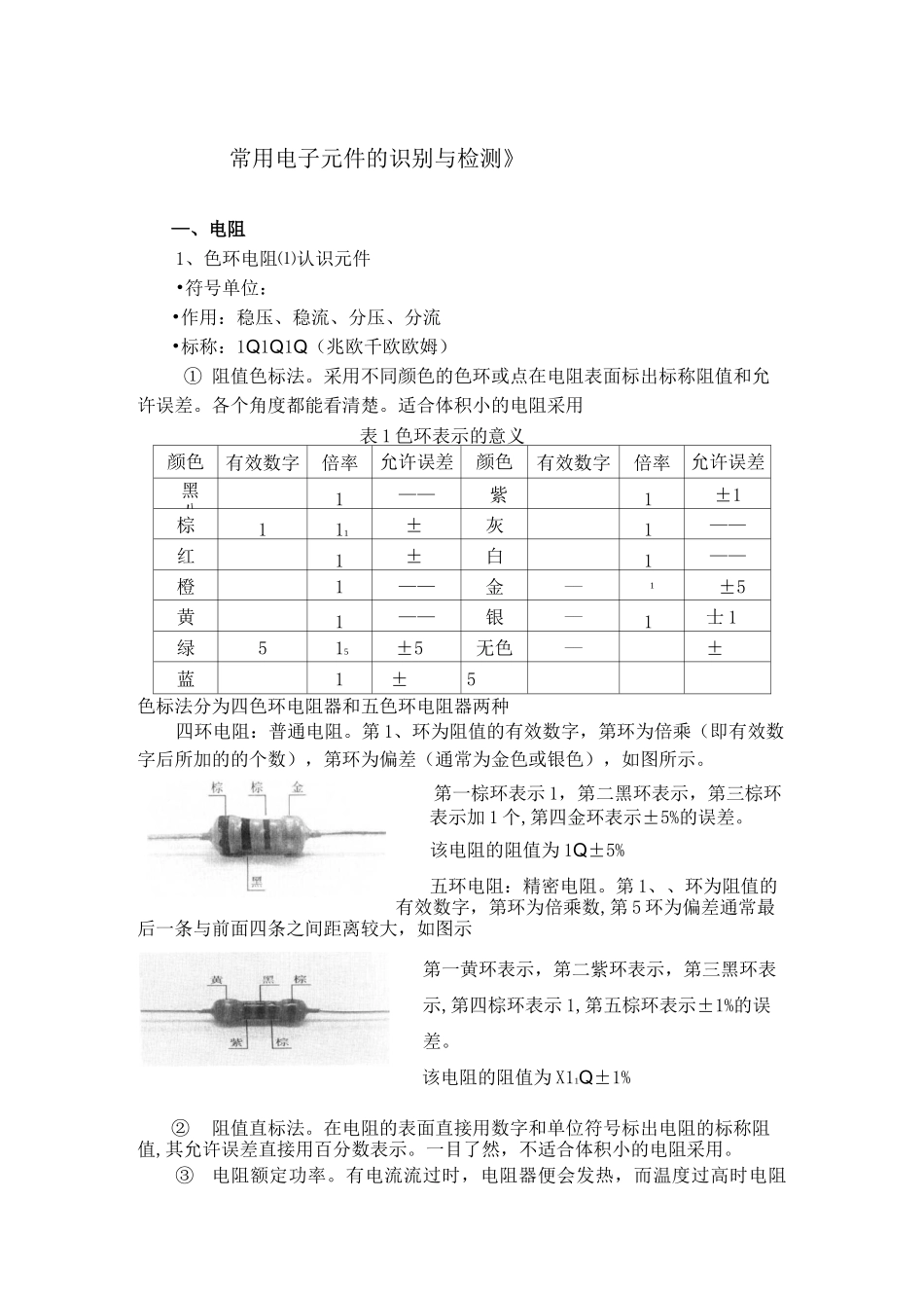
常用电子元件的识别与检测》—、电阻1、色环电阻⑴认识元件•符号单位:•作用:稳压、稳流、分压、分流•标称:1Q1Q1Q(兆欧千欧欧姆)① 阻值色标法。采用不同颜色的色环或点在电阻表面标出标称阻值和允许误差。各个角度都能看清楚。适合体积小的电阻采用表 1 色环表示的意义颜色有效数字倍率允许误差颜色有效数字倍率允许误差黑八1——紫1±1棕111±灰1——红1±白1——橙1——金——1±5黄1——银——1士 1绿515±5无色——±蓝1±5色标法分为四色环电阻器和五色环电阻器两种四环电阻:普通电阻。第 1、环为阻值的有效数字,第环为倍乘(即有效数字后所加的的个数),第环为偏差(通常为金色或银色),如图所示。第一棕环表示 1,第二黑环表示,第三棕环表示加 1 个,第四金环表示±5%的误差。该电阻的阻值为 1Q±5%五环电阻:精密电阻。第 1、、环为阻值的有效数字,第环为倍乘数,第 5 环为偏差通常最后一条与前面四条之间距离较大,如图示第一黄环表示,第二紫环表示,第三黑环表示,第四棕环表示 1,第五棕环表示±1%的误差。该电阻的阻值为 X11Q±1%②阻值直标法。在电阻的表面直接用数字和单位符号标出电阻的标称阻值,其允许误差直接用百分数表示。一目了然,不适合体积小的电阻采用。③电阻额定功率。有电流流过时,电阻器便会发热,而温度过高时电阻器将会因功率不够而烧毁。所以不但要选择合适的电阻值,而且还要正确选择电阻器的额定功率。在电路图中,不加功率标注的电阻器通常为。不同功率电阻器的体积是不同的,一般来说,电阻器的功率越大体积就越大。⑵ 检测一看:外形是否端正,阻值标称是否清晰完好二测:万用表的电阻档进行测量。先根据色环判断电阻的大约阻值,再选择不同的电阻档位进行测量,指针要尽量靠近电阻刻度尺的中间。如果阻值为或是 X,该电阻已经损坏。注意:测量时不能带电测量,不能用俩手同时去接触电阻两管脚(或表笔的金属部分),以防将人体电阻并联在被测电阻两端,影响测量结果。、电位器(可调电阻)⑴ 认识元件•作用:通过旋转轴或滑动臂来调节阻值。阻值变化范围为〜。•标称:多采用阻值直标法。⑵ 检测一看:外形是否端正,阻值标称是否清晰完好,转轴是否灵活,松紧是否适当。二测:测标称阻值和测电阻变化① 根据标称选择好万用表电阻挡的量程。② 先按图所示方法测“”、“”两端,其读数应为电位器的标称阻值。③ 测“”、“”或“”、“”两端,如图所示。将电位器的转轴逆...

1、当您付费下载文档后,您只拥有了使用权限,并不意味着购买了版权,文档只能用于自身使用,不得用于其他商业用途(如 [转卖]进行直接盈利或[编辑后售卖]进行间接盈利)。
2、本站所有内容均由合作方或网友上传,本站不对文档的完整性、权威性及其观点立场正确性做任何保证或承诺!文档内容仅供研究参考,付费前请自行鉴别。
3、如文档内容存在违规,或者侵犯商业秘密、侵犯著作权等,请点击“违规举报”。

碎片内容

常用电子元件识别与检测

wxg+ 关注
实名认证
内容提供者

该用户很懒,什么也没介绍

确认删除?
VIP
微信客服
  • 扫码咨询
会员Q群
  • 会员专属群点击这里加入QQ群
客服邮箱
回到顶部