电脑桌面
添加小米粒文库到电脑桌面
安装后可以在桌面快捷访问

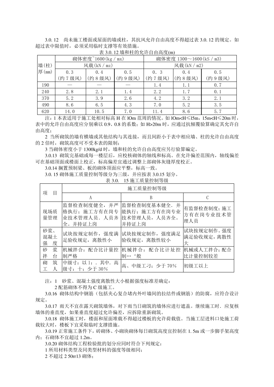
砌体结构工程施工质量验收规范

砌体结构工程施工质量验收规范_第1页
1/23
砌体结构工程施工质量验收规范_第2页
2/23
砌体结构工程施工质量验收规范_第3页
3/23
砌 体结构工程施工质量验收规范 Code for acceptance of construction quality of masonry structure 1 总 则 1.0.1 为加强建筑工程的质量管理,统一砌体结构工程施工质量的验收,保证工程质量,制定本规范。 1.0.2 本规范适用于建筑工程的砖、石、小砌块等砌体结构工程的施工质量验收。本规范不适用于铁路、公路和水工建筑等砌石工程。 1.0.3 砌体结构工程施工中的技术文件和承包合同对施工质量验收的要求不得低于本规范的规定。 1.0.4 本规范应与现行国家标准《建筑工程施工质量验收统一标准》GB 50300 配套使用。 1.0.5 砌体结构工程施工质量的验收除应执行本规范外,尚应符合国家现行有关标准的规定。 2 术 语 2. 0.1 砌体结构 masonry stru ctu re 由块体和砂浆砌筑而成的墙、柱作为建筑物主要受力构件的结构。是砖砌体、砌块砌体和石砌体结构的统称。 2.0.2 配筋砌体 reinforced masonry 由配置钢筋的砌体作为建筑物主要受力构件的结构。是网状配筋砌体柱、水平配筋砌体墙、砖砌体和钢筋混凝土面层或钢筋砂浆面层组合砌体柱(墙)、砖砌体和钢筋混凝土构造柱组合墙 和配筋小砌块砌体剪力墙结构的统称。 2.0.3 块体 masonry u nits 砌体所用各种砖、石、小砌块的总称。 2.0.4 小型砌块 small block 块体主规格的高度大于115 mm 而又小于380mm 的砌块,包括普通混凝土小型空心砌块、轻骨料混凝土小型空心砌块、蒸压加气混凝土砌块等。简称小砌块。 2.0.5 产品龄期 produ cts age 烧结砖出窑;蒸压砖、蒸压加气混凝土砌块出釜;混凝土砖、混凝土小型空心砌块成型后至某一日期的天数。 2.0.6 蒸压加气混凝土砌块专用砂浆 special mortar for au toclav ed aerated concrete block 与蒸压加气混凝土性能相匹配的,能满足蒸压加气混凝土砌块砌体施工要求和砌体性能昀砂浆,分为适用于薄灰砌筑法的蒸压加气混凝土砌块粘结砂浆;适用于非薄灰砌筑法的蒸压加气混 凝土砌块砌筑砂浆。 2.0.7 预拌砂浆 ready -mix ed mortar 由专业生产厂生产的湿拌砂浆或干混砂浆。 2.0.8 施工质量控制等级 category of constu ction qu ality control 按质量控制和质量保证若干要素对施工技术水平所作的分级。 2.0.9 瞎缝 blind seam 砌体中相邻块体间无砌筑砂浆,又彼此接触的水平缝或竖向缝。 2.0.10 假缝 su ppositiou s seam 为掩盖砌体灰缝内在质量缺...

1、当您付费下载文档后,您只拥有了使用权限,并不意味着购买了版权,文档只能用于自身使用,不得用于其他商业用途(如 [转卖]进行直接盈利或[编辑后售卖]进行间接盈利)。
2、本站所有内容均由合作方或网友上传,本站不对文档的完整性、权威性及其观点立场正确性做任何保证或承诺!文档内容仅供研究参考,付费前请自行鉴别。
3、如文档内容存在违规,或者侵犯商业秘密、侵犯著作权等,请点击“违规举报”。

碎片内容

砌体结构工程施工质量验收规范

小辰2+ 关注
实名认证
内容提供者

出售各种资料和文档

确认删除?
VIP
微信客服
  • 扫码咨询
会员Q群
  • 会员专属群点击这里加入QQ群
客服邮箱
回到顶部