电脑桌面
添加小米粒文库到电脑桌面
安装后可以在桌面快捷访问

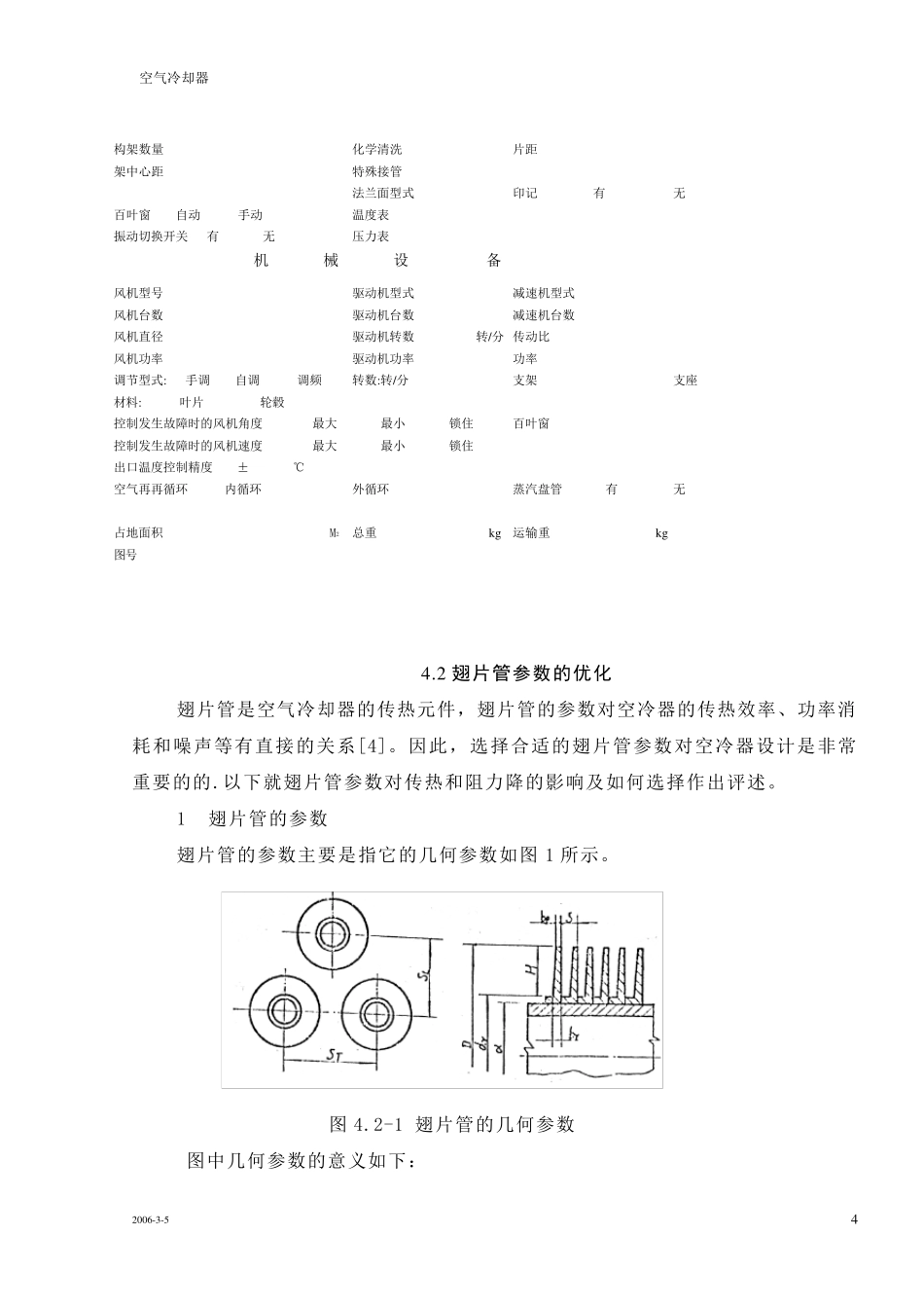
空冷器的设计

空冷器的设计_第1页
1/43
空冷器的设计_第2页
2/43
空冷器的设计_第3页
3/43
空气冷却器 2006-3-5 2 第四章 空冷器的设计 4.1 空冷器的设计条件 4.1-1 设计条件 1. 空气设计温度 设计气温系指设计空冷器时所采用的空气入口温度。采用干式空冷器时,设计气温应按当地夏季平均每年不保证五天的日平均气温[1][2][3]。采用湿式空冷器时,将干式空冷器的设计气温作为干球温度,然后按相对湿度查出湿球温度,该温度即为湿式空冷器的设计气温。 我国各主要城市的气温列于附表4-1。从该表可见我国绝大多数地区夏季平均每年不保证五天的日平均气温低于35℃。当接近温度大于15-20℃时,采用干式空冷器比较合理。在干燥炎热的地区,为了降低空气入口温度可以采用湿式空冷器。 2. 介质条件 (1) 适宜空冷器的介质条件 适于采用空冷器的介质有石油化工过程中的气体,液体,水和水蒸汽等。 3. 热流的操作条件 (1) 流量。根据工艺要求而定。 (2) 操作压力。根据国家标准“空冷式换热器”的规定 ,最高的设计压 为35 Mpa,这个压力可以满足石油化行业空冷器的操作要求。 (3) 入口温度 热流的入口温度越高其对数平均温差越大,因而所需要的传热面积就越小,这是比较经济的。但是,考虑能量回收的可能性,入口温度不宜高,一般控 制 在120~130℃以下 ,超 过该温度的那 部 分 热量应尽 量采用换热方 式回收。在个别 情 况 下 ,如 回收热量有困 难 或 经济上 不合算 时,可适当介质入口温度。就空冷器本 身 而言 ,考虑到 介质温度升 高会 导 致 热阻 的增 加 ,传热效 率 下 降,绕 片 式翅 片 管 的工作温度可用到165℃ 而锒 片 式翅 片 管 可用到200℃ 如 果 热流入口温度较低(低于70~80℃),可考虑用湿式空冷器。 (4) 出口温度与 接近温度 对于干式空冷器出口温度一般以不低于55~65℃为宜[3],若 不能满足工艺要求,可增 设后湿空冷,或 采用干-湿联 合空冷。 空 气 冷 却 器 2006-3-5 3 接 近 温 度 系 指 热 流 出 口 温 度 与 设 计 气 温 之 差 值 。 干 式 空 冷 器 的 最 低 值 应 不 低 于15℃[3], 否 则 将 导 致 空 冷 器 的 面 积 过 大 , 这 是 不 经 济 的 。 上 述 的 设 计 数 据 应 填 入 表4.1-1 的 ”空 气 冷 却 器 规 格 表 ”内 . 表41-1 空 冷 器 设 计 规 格 表 表 号 空 气 冷 却 器 规 格 表 审...

1、当您付费下载文档后,您只拥有了使用权限,并不意味着购买了版权,文档只能用于自身使用,不得用于其他商业用途(如 [转卖]进行直接盈利或[编辑后售卖]进行间接盈利)。
2、本站所有内容均由合作方或网友上传,本站不对文档的完整性、权威性及其观点立场正确性做任何保证或承诺!文档内容仅供研究参考,付费前请自行鉴别。
3、如文档内容存在违规,或者侵犯商业秘密、侵犯著作权等,请点击“违规举报”。

碎片内容

空冷器的设计

确认删除?
VIP
微信客服
  • 扫码咨询
会员Q群
  • 会员专属群点击这里加入QQ群
客服邮箱
回到顶部