电脑桌面
添加小米粒文库到电脑桌面
安装后可以在桌面快捷访问

第5章泵的自动控制

第5章泵的自动控制_第1页
1/9
第5章泵的自动控制_第2页
2/9
第5章泵的自动控制_第3页
3/9
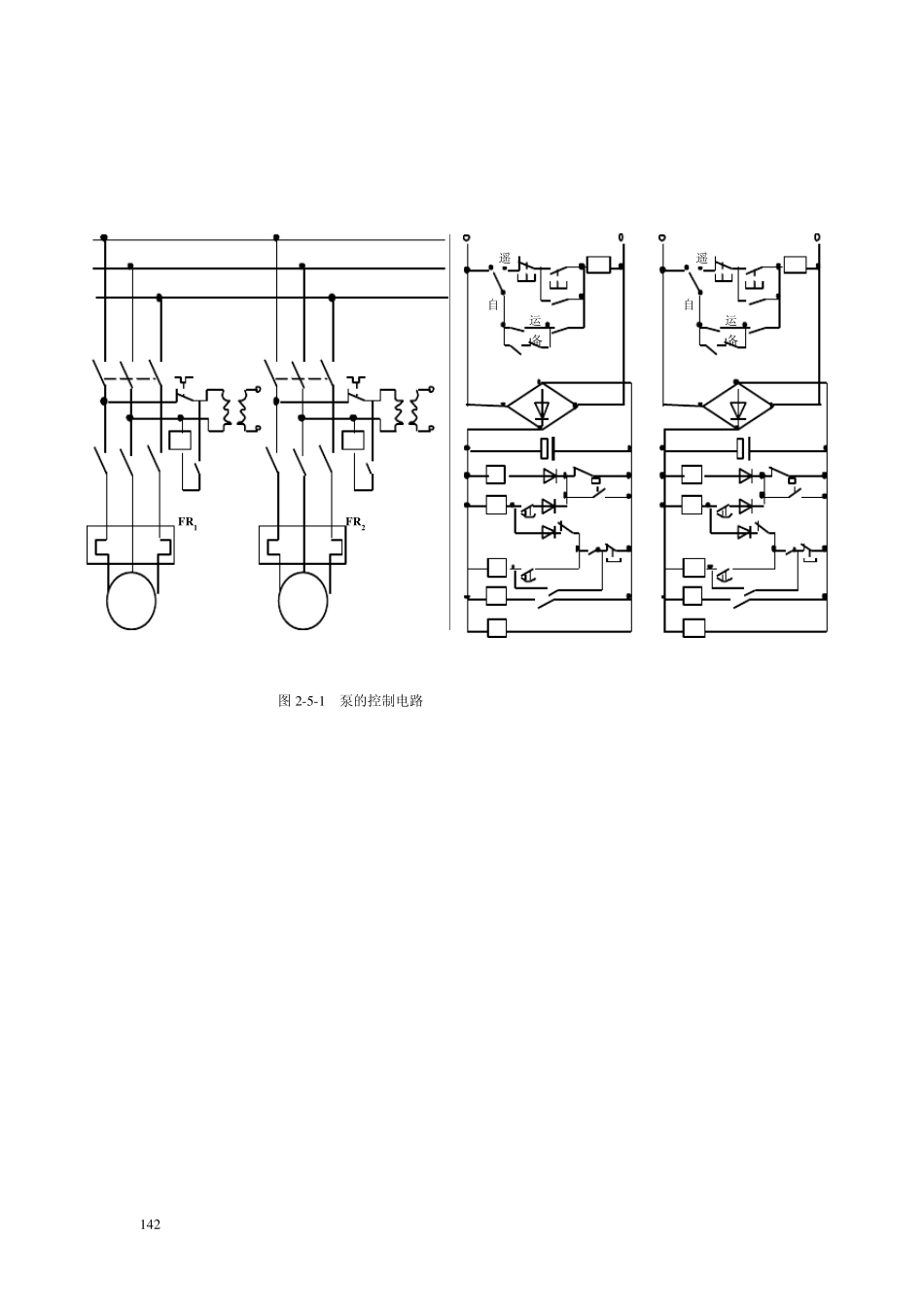
141 第五章 泵的自动控制 泵浦是向液体传送机械能,用来输送液体的一种机械,在船上用使非常广泛。在不同的系统中,泵的具体功能各异,其控制也不相同。 第一节 泵的常规控制 一、主海水泵的控制 为主、副机服务的燃油泵、滑油泵、冷却水泵等主要的电动副机,为了控制方便和工作可靠均设置两套机组。该机组不仅能在机旁控制,也能在集控室进行遥控;而且在运行中运行泵出现故障时能实现备用泵自动切入,使备用泵投入工作。原运行泵停止运行并发出声光报警信号,以保证主、副机等重要设备处于正常工作状态。图 2-5-1 为泵的控制线路,其工作原理分析如下: 1.泵的遥控手动控制 将电源开关 QS1、QS2 合闸,遥控-自动选择开关 SA1、SA2 置于遥控位置。对于 1 号泵,按下启动按钮 SB12,则继电器 KA10 线圈通电,接触器 KM1 线圈回路 KA10 触头闭合,1 号泵电动机通电启动并运行,同时 KA10 触头闭合自锁。在1 号泵正常运行时,若按下停止按钮 SB11,则 KA10 线圈断电,使接触器 KM1 线圈失电,1 号泵停止运行。 2 号泵的手动控制与 1 号泵基本相同,并且两台泵可以同时手动起停控制,实现双机运行。 2.泵的自动控制过程 以 1 号泵为运行泵,2 号泵为备用泵为例,其自动控制过程说明如下: 准备状态(即两台泵都处于备用状态):将电源开关 QS1、QS2 合闸,遥控-自动选择开关 SA1、SA2 置于自动位置。组合开关 SA12、SA22 置于备用位置,此时对 1 号泵控制电路来说,开关 SA12 闭合,其各主要电器设备工作情况分析为:13 支路 KM1 辅助触点断开,时间继电器线圈 KT3 不得电,其10 支路触头断开,所以线圈 KA13 不得电,其6 支路常闭触头闭合,使线圈 KA11 得电,从而使2 号泵控制电路的4 支路 KA11 断开。同样道理,2 号泵控制电路中,触头 KA21 也断开,因此 KA10 线圈不得电,KM1 线圈也不得电;13 支路 KT2 线圈得电,其7 支路触头延时闭合;6 支路 KA13 处于闭合状态,所以线圈 KA12 也通电。因此,1 号泵控制电路中,线圈 KA11、、KA12、、KT2 得电,而线圈 KA13、、KT3、、KA10、、KM1 不得电 。同理,2 号泵相应线圈工作状态与之类似,即 2 号泵控制电路中,线圈 KA21、、KA22、、KT2 得电,而线圈 KA23、、KT3、、KA20、、KM2 不得电 。 正常运行:若 1 号泵为运行泵,2 号泵为备用泵,则应将 SA11 置于运行位置,SA22 置于备用位...

1、当您付费下载文档后,您只拥有了使用权限,并不意味着购买了版权,文档只能用于自身使用,不得用于其他商业用途(如 [转卖]进行直接盈利或[编辑后售卖]进行间接盈利)。
2、本站所有内容均由合作方或网友上传,本站不对文档的完整性、权威性及其观点立场正确性做任何保证或承诺!文档内容仅供研究参考,付费前请自行鉴别。
3、如文档内容存在违规,或者侵犯商业秘密、侵犯著作权等,请点击“违规举报”。

碎片内容

第5章泵的自动控制

您可能关注的文档

小辰3+ 关注
实名认证
内容提供者

出售各种资料和文档

确认删除?
VIP
微信客服
  • 扫码咨询
会员Q群
  • 会员专属群点击这里加入QQ群
客服邮箱
回到顶部