电脑桌面
添加小米粒文库到电脑桌面
安装后可以在桌面快捷访问

胶体金法生产工艺规程

胶体金法生产工艺规程_第1页
1/15
胶体金法生产工艺规程_第2页
2/15
胶体金法生产工艺规程_第3页
3/15
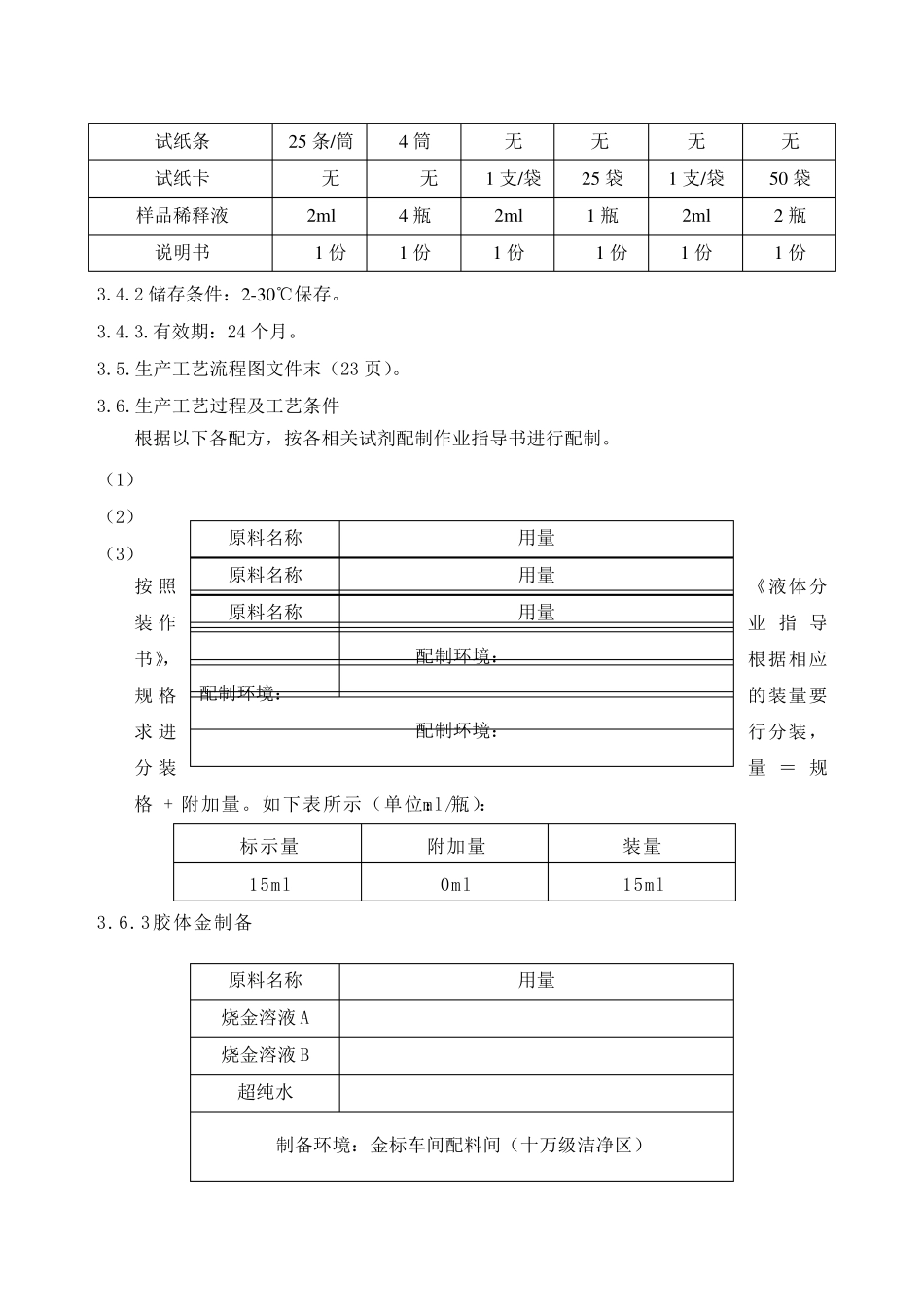
1. 适用范围 适用于乙型肝炎病毒表面抗体检测试剂盒(胶体金法)的生产和质量控制。 2. 职责 研发部:制定本规程。 生产管理部:执行本规程 质量管理部:按本规程执行,监督本规程的执行情况。 3. 内容 3.1.依据 《乙型肝炎病毒表面抗体检测试剂(胶体金法)》产品标准 3.2.产品名称、剂型、规格 3.2.1 名称: (1) 商品名:乙型肝炎病毒表面抗体检测试剂(胶体金法) (2)英文名:Diagnostic Kit for Antibody to Hepatitis B Surface Antigen(Colloidal Gold Immunochromatagraphic Assay) (3)汉语拼音名:Yixing Ganyan Bingdu Biaomian Kangti Jiance Shiji(jiaotijin Fa) 3.2.2.类型:三类 6840 体外诊断试剂。 3.2.3.规格:100T/盒(25T/筒*4 筒)(无卡);25 袋/盒(1 支/袋)、50 袋/盒(1 支/袋) 3.3.产品概述 乙型肝炎病毒表面抗体检测试剂(胶体金法)采用胶体金免疫层析分析原理、双抗原夹心法,在玻璃纤维纸上预包埋金标记重组乙型肝炎病毒表面抗原,在硝酸纤维素膜上检测线(T)和质控线(C)分别包被重组的乙型肝炎病毒表面抗原和羊抗兔IgG。当检测样本为阳性时,样本中的乙肝病毒表面抗体与胶体金标记的重组乙肝病毒表面抗原结合形成复合物,由于层析作用复合物沿纸条向前移动,经过检测线(T)时与预包被的重组乙肝表面抗原反应,形成免疫复合物而显现红色条带,游离金标记的兔IgG则在质控线(C)与羊抗兔IgG结合显现红色条带。阴性样本则仅在质控线(C)显色。 3.4.试剂盒组成、储存、有效期 3.4.1.试剂盒组成: 组件 100T/盒 25 袋/盒(1 支/袋) 50 袋/盒(1 支/袋) 装量 数量 装量 数量 装量 数量 试纸条 25 条/筒 4 筒 无 无 无 无 试纸卡 无 无 1 支/袋 25 袋 1 支/袋 50 袋 样品稀释液 2m l 4 瓶 2m l 1 瓶 2m l 2 瓶 说明书 1 份 1 份 1 份 1 份 1 份 1 份 3.4.2 储存条件:2-30℃保存。 3.4.3.有效期:24 个月。 3.5.生产工艺流程图文件末(23 页)。 3.6.生产工艺过程及工艺条件 根据以下各配方,按各相关试剂配制作业指导书进行配制。 (1) (2) (3) 按 照《液体分装 作业 指 导书》,根据相应规 格的装量要求 进行分装,分 装量 = 规格 + 附加量。如下表所示(单位:ml/瓶): 标示量 附加量 装量 15ml 0ml 15ml 3.6.3 胶体金制备 原料名称 用量 配制环...

1、当您付费下载文档后,您只拥有了使用权限,并不意味着购买了版权,文档只能用于自身使用,不得用于其他商业用途(如 [转卖]进行直接盈利或[编辑后售卖]进行间接盈利)。
2、本站所有内容均由合作方或网友上传,本站不对文档的完整性、权威性及其观点立场正确性做任何保证或承诺!文档内容仅供研究参考,付费前请自行鉴别。
3、如文档内容存在违规,或者侵犯商业秘密、侵犯著作权等,请点击“违规举报”。

碎片内容

胶体金法生产工艺规程

确认删除?
VIP
微信客服
  • 扫码咨询
会员Q群
  • 会员专属群点击这里加入QQ群
客服邮箱
回到顶部