电脑桌面
添加小米粒文库到电脑桌面
安装后可以在桌面快捷访问

十六进制七段数码显示管设计VIP免费

十六进制七段数码显示管设计_第1页
1/10
十六进制七段数码显示管设计_第2页
2/10
十六进制七段数码显示管设计_第3页
3/10
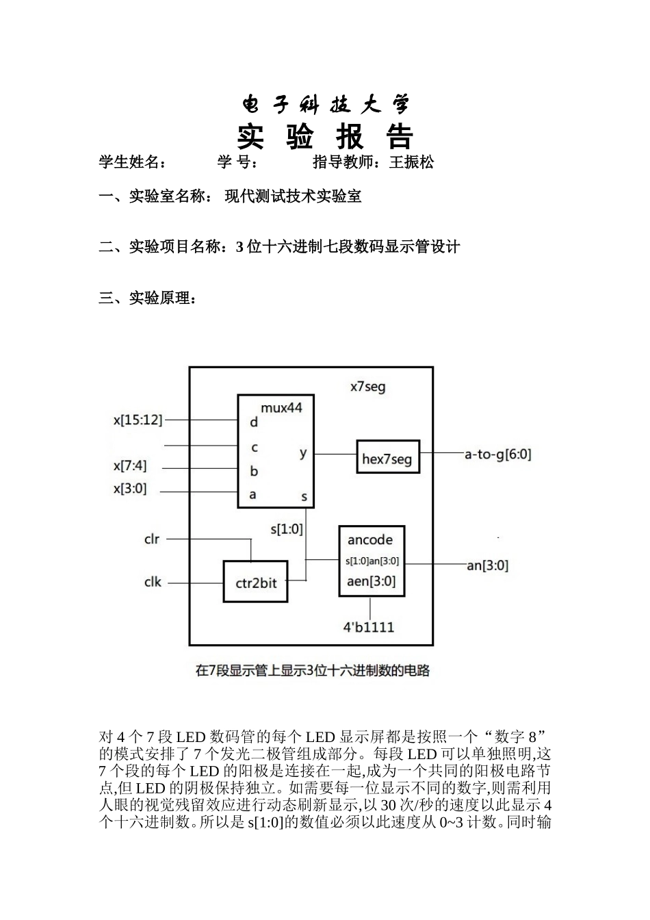
电子科技大学实验报告学生姓名:学号:指导教师:王振松一、实验室名称:现代测试技术实验室二、实验项目名称:3位十六进制七段数码显示管设计三、实验原理:对4个7段LED数码管的每个LED显示屏都是按照一个“数字8”的模式安排了7个发光二极管组成部分。每段LED可以单独照明,这7个段的每个LED的阳极是连接在一起,成为一个共同的阳极电路节点,但LED的阴极保持独立。如需要每一位显示不同的数字,则需利用人眼的视觉残留效应进行动态刷新显示,以30次/秒的速度以此显示4个十六进制数。所以是s[1:0]的数值必须以此速度从0~3计数。同时输出an[3:0]的数值必须和s[1:0]同步,这样就保证在正确的时间显示正确的数字。当然同时要使用使能端控制第三位数码管使其熄灭。四、实验目的:1.进一步熟悉Xilinx公司EDA开发系统软件平台的操作。2.学会将50M的晶振经多次分频后得到低频脉冲信号。3.学会用VerilogHDL中的case语句来创建七段译码器。4.学会使用原理图作为顶层图实现数字电路。5.掌握数码管动态扫描显示技术。6.学会用BASYS2FPGA开发板下载执行并验证代码。五、实验内容:1)利用HDL代码输入方式在XilinxISE13.4平台上实现一个十六进制七段数码显示管设计;2)使用原理图作为顶层图实现数字电路,使用模块实例语句连接前面所设计的七段译码器模块;3)生成比特流文件下载到开发板上进行验证。六、实验器材(设备、元器件):1)计算机(安装XilinxISE13.4软件平台);2)BASYS2FPGA开发板一套(带USB-MiniUSB下载线)。七、实验步骤:1、在XilinxISE13.4平台中,新建一个工程LED。我们选用的BASYS2FPGA开发板采用的是Spartan3EXC3S100E芯片和CP132封装,设置好器件属性。2、在工程管理区任意位置单击鼠标右键,在弹出的快捷菜单中选择“NewSource”命令,弹出新建源代码对话框,这里我们选择“VerilogModule”类型,输入Verilog文件名。ISE会自动创建一个Verilog的模板,并在源代码编辑区打开,接下来的工作就是将代码编写完整。完整代码如下:moduleLED(inputi0,inputi1,inputi2,inputi3,outputreg[7:0]o);wire[3:0]i;assigni[0]=i0;assigni[1]=i1;assigni[2]=i2;assigni[3]=i3;//七段数码管always@(*)case(i)//控制表达式0:o=8'b00000011;//分支表达式1:o=8'b10011111;2:o=8'b00100101;3:o=8'b00001101;4:o=8'b10011001;5:o=8'b01001001;6:o=8'b01000001;7:o=8'b00011111;8:o=8'b00000001;9:o=8'b00001001;'hA:o=8'b00010001;'hB:o=8'b11000001;'hC:o=8'b01100011;'hD:o=8'b10000101;'hE:o=8'b01100001;'hF:o=8'b01110001;default:o=8'b00000011;endcaseendmodule保存后,在ISE左侧菜单的DesignUtilities里点击CreatSchematicSymbol生成电路模块,这样,我们自己设计的一块译码器电路就完成了,如果编译有错误,反复修改直至成功。3、接下来设计一个顶层电路,实现我们需要的功能。在项目中添加“NewSource”,选择“Schematic”类型,则进入原理图设计阶段。软件在左侧的Symbols栏中提供大量的芯片库供使用。接下来再连上7段码译码器就可以驱动数码管显示了,在symbols里面选择当前的工作目录就可以看到我们设计的译码器led7segment,加入电路,再增加若干个输入、输出端口,这个电路就设计好了。接下来要将电路图与实际开发板引脚绑定,需要加入引脚定义文件,Newsource->ImplementationConstraintsFile,加入后缀为ucf的引脚定义文件,或在项目中双击I/Opinplanning)PlanAhead)-Pre-Synthesis进入向导。最终生成的ucf引脚定义文件如下:其中,NET"CLK"LOC="B8";的含义为将项目中的CLK线绑定在开发板的“B8”脚,具体引脚可见开发板上的字。接下来生成电路文件,点击GenerateProgrammingFile,经过漫长的等待,将会出现绿色钩,表示成功了。4、选择sch项目下的design一栏,点击ConfigureTargetDevice,展开二级菜单,双击ManageConfigureProcesses,打开ISEImpact,双击BoundaryScan。在右侧空白处右击,选择InitializeChains,选择“是”,打开对应的bit文件最后右击器件,选择Program将程序下载到开发板上并检查结果。八、实验数据及结果分析:实验仿真结果证明了设计的正确性,该设计是合理的,能够满足实验所需的。设计的数码显示管可以完美显示十六进制数,并且通过一些简单的改动还可以改变亮、灭灯的个数,同时也可以改变逻辑开关输入的高低位,出色地完成了实验要求的同时还具有一定的扩展性。九、实验结论:3位十六进制七段数码显示管由数选、位选、分频器和七段译码器组成,通过四位二进制输入来显示十六进制的数。十、总结及心得体会:报告评分:指导教师签字:

1、当您付费下载文档后,您只拥有了使用权限,并不意味着购买了版权,文档只能用于自身使用,不得用于其他商业用途(如 [转卖]进行直接盈利或[编辑后售卖]进行间接盈利)。
2、本站所有内容均由合作方或网友上传,本站不对文档的完整性、权威性及其观点立场正确性做任何保证或承诺!文档内容仅供研究参考,付费前请自行鉴别。
3、如文档内容存在违规,或者侵犯商业秘密、侵犯著作权等,请点击“违规举报”。

碎片内容

十六进制七段数码显示管设计

确认删除?
VIP
微信客服
  • 扫码咨询
会员Q群
  • 会员专属群点击这里加入QQ群
客服邮箱
回到顶部