电脑桌面
添加小米粒文库到电脑桌面
安装后可以在桌面快捷访问

十三、项目管理构想VIP免费

十三、项目管理构想_第1页
1/23
十三、项目管理构想_第2页
2/23
十三、项目管理构想_第3页
3/23
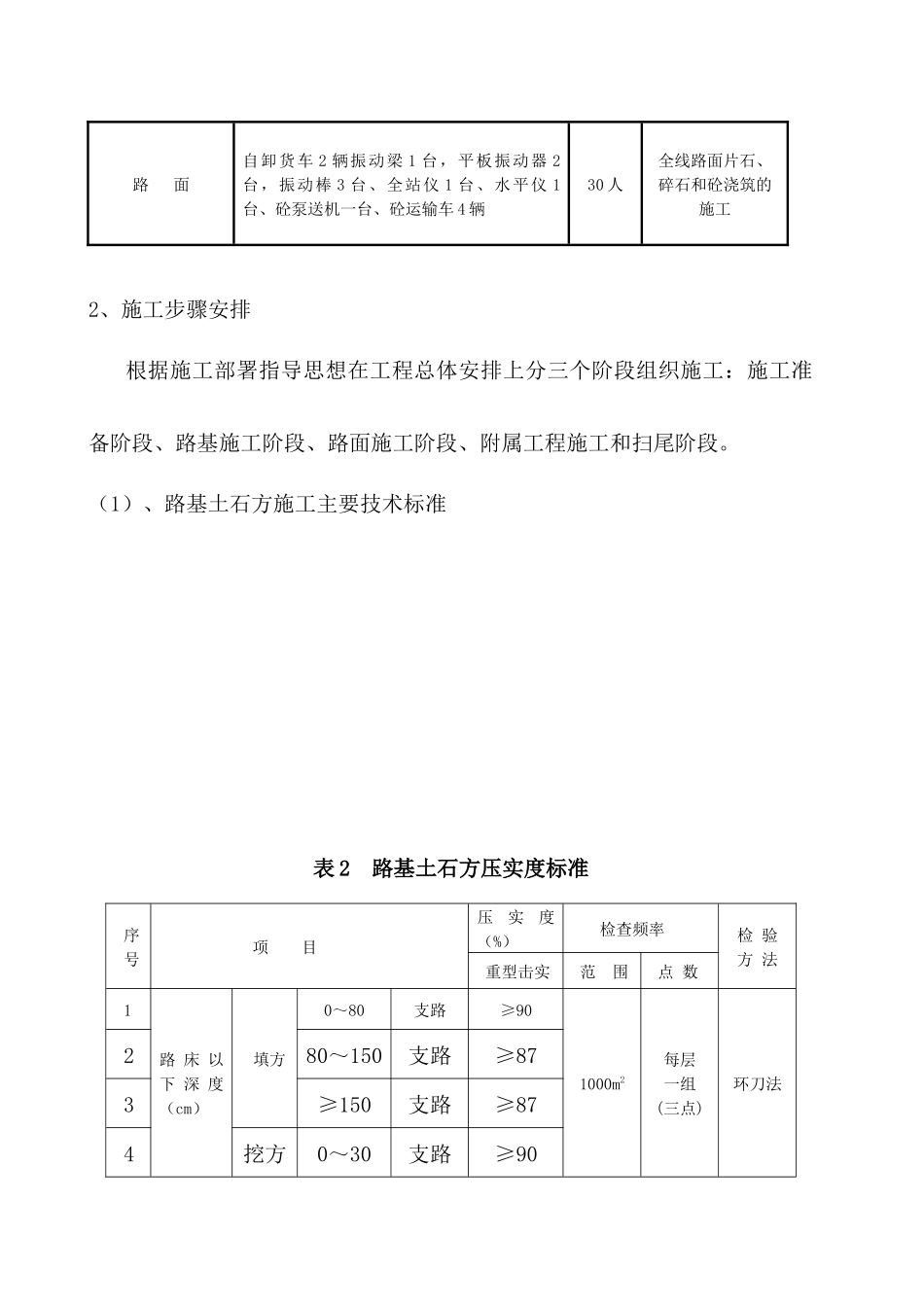
一、质量目标、工期目标、安全目标、安全文明环保施工目标1、质量目标质量目标:交工验收的质量评定等级达到合格,竣工验收工程质量评定等级达到优良。2、工期目标我方保证在招标文件或合同规定期限内提前1-2天完成。3、安全目标执行国家有关规定。不得发生任何等级的安全责任事故。强化安全技术交底,确保规范操作。注重教育培训,并结合工程生产的特点适时召开安全生产专题会议,及时解决安全工作中存在的问题。加大安全投入,合理使用安全生产专项费用,深入开展隐患排查治理。强化安全考核,把安全生产作为“一票否决”的考核内容纳入月度、季度项目考核之中,奖优罚劣,保障安全生产有序实施。4、安全环保文明施工目标文明施工是我公司企业形象最直接的反映,所以在施工过程中,我公司将采用成功的文明施工管理及环保措施经验,严格执行省、市有关文明施工、绿色环保的规定,精心布置施工现场、精心组织施工,尽可能减少或消除对周围环境的影响。施工现场争创“标准化文明施工工地”。二、施工总体方案及工艺流程1、工区划分及人员设备安排为便于管理组织,将本标段划分为路基工程和路面工程施工两个工区,路基工区负责全线的路基土方开挖、回填、压实;路面工区负责片石、碎石的铺垫和路面砼浇筑、养护的施工。两工区各设一名工区长,负责本工区进度安排、质量管理、协调等工作,计量及技术工作由项目部统一管理,项目经理部根据各工区进度,合理调配人员、设备、合理调剂资金周转,保证工程顺利进行。表1工作人员、设备配备表作业队主要设备劳动力负责项目路基1.6m3液压挖掘机一台,平地机1台,洒水车1台,振动压路机1台,自卸汽车3辆。10人全线路基土石方开挖路面自卸货车2辆振动梁1台,平板振动器2台,振动棒3台、全站仪1台、水平仪1台、砼泵送机一台、砼运输车4辆30人全线路面片石、碎石和砼浇筑的施工2、施工步骤安排根据施工部署指导思想在工程总体安排上分三个阶段组织施工:施工准备阶段、路基施工阶段、路面施工阶段、附属工程施工和扫尾阶段。(1)、路基土石方施工主要技术标准表2路基土石方压实度标准序号项目压实度(%)检查频率检验方法重型击实范围点数1路床以下深度(cm)填方0~80支路≥901000m2每层一组(三点)环刀法280~150支路≥873≥150支路≥874挖方0~30支路≥90表3路床允许偏差(路宽8m)序号项目允许偏差检查频率检验方法土路床石路床范围点数1中线高程±20mm±20mm20m1水准仪测量2平整度20mm30mm20m33m直尺量3宽度±200mm±100mm40m1用尺量4横坡±20mm且不大于±0.3%±0.5%20m6水准仪测量(2)、土方施工方案1挖土方运距在100m以内采用推土机施工;2挖土方100m以上采用挖掘机配合自卸汽车施工;3填土方采用推土机粗平,平地机精平,振动压路机碾压成型;4机械不能施工的死角采用人工配合开挖,比例按5%计算。(3)、施工准备工作1会同计量、监理工程师测量路基横断面并绘制成图,计算土石方数量,进行工程数量复核并报计量、监理工程师审批。2开工前,将用做路基填方的土样按规定要求送实验室进行标准击实试验,计算最佳含水量和最大干密度,并进行液塑限、CBR等试验,编写开工报告,报监理工程师审批。3在路基占地范围内,进行场地清理,清除表土杂草、树根、淤泥、拆除障碍物,清场后填土区用压路机及时碾压,达到规范规定的压实度,报监理批准,方可填土。4在路基及弃土场两侧红线范围内沿线开挖临时排水沟,修建临时排水设施,始终保持施工场地处于良好的排水状态。(4)、路基开挖、回填、压实施工1将原回填土方开挖至原土层面,压实后分层回填、压实。2土方开挖应自上而下的进行,不得乱挖或超挖,并严格禁止挖洞取土。3原回填土先挖运至离道路50m外堆放,再用自卸汽车运回回填后分层压实,开挖采用挖掘机施工。4用于路基填筑的填料应进行实验,以确定土石方工程正确压实方法,为达到规定压实度所需要的压实设备类型及其组合,各类压实设备最佳组合下的各自压实遍数及行走速度,以及能被有效压实的压实层厚度,并将试验情况报监理工程师审批。5用于填方的土不应含有腐殖土、树根、草根或其它有害物质,填方作业应分层进行摊铺,平地机整平、每...

1、当您付费下载文档后,您只拥有了使用权限,并不意味着购买了版权,文档只能用于自身使用,不得用于其他商业用途(如 [转卖]进行直接盈利或[编辑后售卖]进行间接盈利)。
2、本站所有内容均由合作方或网友上传,本站不对文档的完整性、权威性及其观点立场正确性做任何保证或承诺!文档内容仅供研究参考,付费前请自行鉴别。
3、如文档内容存在违规,或者侵犯商业秘密、侵犯著作权等,请点击“违规举报”。

碎片内容

十三、项目管理构想

确认删除?
VIP
微信客服
  • 扫码咨询
会员Q群
  • 会员专属群点击这里加入QQ群
客服邮箱
回到顶部