电脑桌面
添加小米粒文库到电脑桌面
安装后可以在桌面快捷访问

脱硫塔的设计

脱硫塔的设计_第1页
1/11
脱硫塔的设计_第2页
2/11
脱硫塔的设计_第3页
3/11
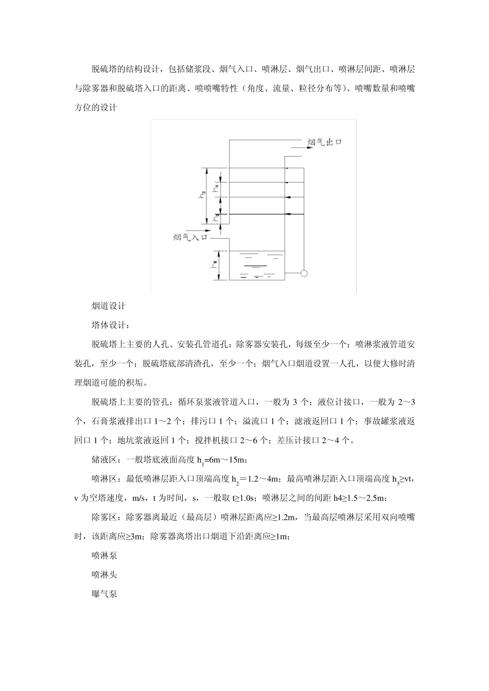
目录 1 处理烟气量计算 ................................................................................................................... 3 2 烟气道设计 ........................................................................................................................... 3 3 吸收塔塔径设计 .................................................................................................................... 3 4 吸收塔塔高设计 ................................................................................................................... 3 5 浆液浓度的确定 ................................................................................................................... 5 6 喷淋区的设计 ....................................................................................................................... 5 7 除雾器的设计 ....................................................................................................................... 7 8 氧化风机与氧化空气喷管 ................................................................................................... 9 9 塔内浆液搅拌设备 ............................................................................................................... 9 10 排污口及防溢流管 ............................................................................................................. 9 11 附属物设计 ....................................................................................................................... 10 12 防腐................................................................................................................................... 10 脱硫塔的结构设计,包括储浆段、烟气入口、喷淋层、烟气出口、喷淋层间距、喷淋层与除雾器和脱硫塔入口的距离、喷喷嘴特性(角度、流量、粒径分布等)、喷嘴数量和喷嘴方位的设计 烟道设计 塔体设计: 脱硫塔上主要的人孔、安装孔管道孔:除雾器安装孔,每级至少一个;喷淋浆液管道安装孔,至少一个;脱硫塔底部清渣孔,至少一个;烟气入口...

1、当您付费下载文档后,您只拥有了使用权限,并不意味着购买了版权,文档只能用于自身使用,不得用于其他商业用途(如 [转卖]进行直接盈利或[编辑后售卖]进行间接盈利)。
2、本站所有内容均由合作方或网友上传,本站不对文档的完整性、权威性及其观点立场正确性做任何保证或承诺!文档内容仅供研究参考,付费前请自行鉴别。
3、如文档内容存在违规,或者侵犯商业秘密、侵犯著作权等,请点击“违规举报”。

碎片内容

脱硫塔的设计

确认删除?
VIP
微信客服
  • 扫码咨询
会员Q群
  • 会员专属群点击这里加入QQ群
客服邮箱
回到顶部