电脑桌面
添加小米粒文库到电脑桌面
安装后可以在桌面快捷访问

脱硫设备安装施工方案

脱硫设备安装施工方案_第1页
1/11
脱硫设备安装施工方案_第2页
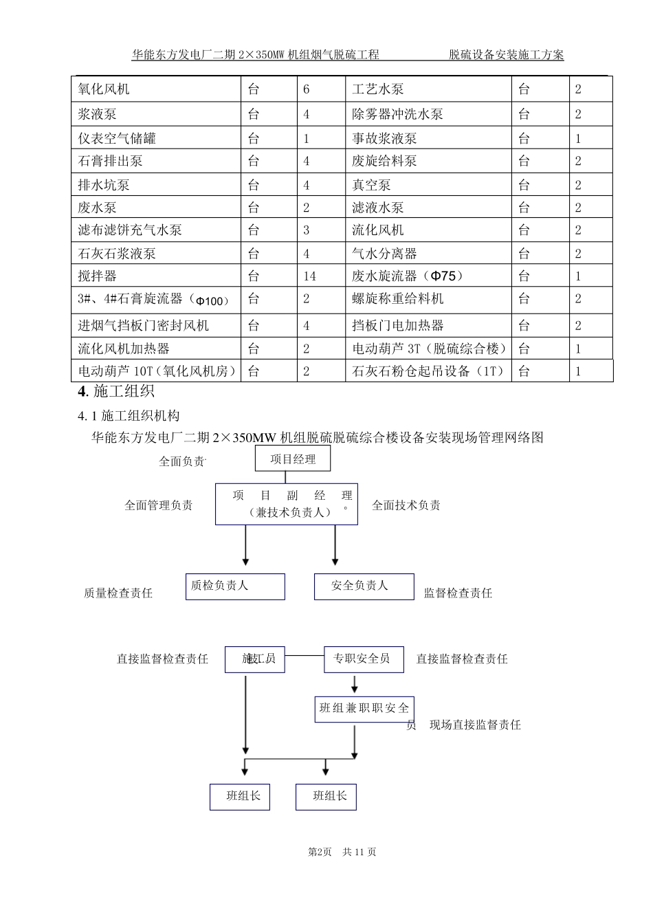
2/11
脱硫设备安装施工方案_第3页
3/11
华能东方发电厂二期2×350MW 机组烟气脱硫工程 脱硫设备安装施工方案 第1页 共 11 页 1 . 编制依据及说明 1.1 国家电力公司电源建设部主编的《火力发电工程施工组织设计导则》; 中华人民共和国电力工业部批准实施的《电力工程项目建设工期定额》; 国家电力公司《火电优质工程评选办法(2010 年)版》; 电力建设施工质量验收及评价规程 DL/T5210.2-2009、DL/T5210.5-2009、DL/T5210.6-2009、DL/T5210.7-2009; 《建筑施工手册》中国建筑出版社出版; 《建筑施工安全技术手册》中国建筑工业出版社出版; 《火力发电厂基本建设工程启动试运及竣工验收规程》DL/T5437-2009; 《建筑机械使用安全技术规程》JGJ33-2001、J119-2001; 《电力建设安全工作规程》第 1 部分:火力发电厂DL5009.1-2002; 本施工方案根据河北省石油设计院有限公司设计的图纸编制; 华能海南东方电厂扩建工程 2×350MW 烟气脱硫工程安装工程招标文件; 本公司质量、环境和职业健康安全管理体系文件《管理手册》; 本工程应遵守的各种规程、规范、标准; 脱硫工程现场情况; 1.2 本施工组织设计在施工过程中若出现设计变更或与厂家提供的相关说明书不符等情况,具体问题将在施工前或相关作业指导书中延 续 加 以 说明和解 决 。 2.工程概 况 2.1 工程名 称 华能东方电厂二期2×350MW 燃 煤 机组烟气脱硫项目设备安装工程。 2.2 施工地 点 3#、4#氧 化 风 机房 、脱硫综 合 楼 及周 边 区 域 。 2.3 工程类 别 设备二次 运输 、吊 装就 位 及安装 2.4 建设单 位 华能东方电厂 2.5 设计单 位 河北省石油设计院有限公司 2.6 施工范围 3#、4#氧 化 风 机房 及脱硫综 合 楼 机电设备的安装就 位 。 设备的试运行 不在本方案中。 3 .主要 设备、配 件清 单 设备名 称 单 位 数 量 设备名 称 单 位 数 量 真 空 皮 带 脱水 机 套 2 循 环泵 台 8 华能东方发电厂二期2×350MW 机组烟气脱硫工程 脱硫设备安装施工方案 第2页 共 11 页 氧化风机 台 6 工艺水泵 台 2 浆液泵 台 4 除雾器冲洗水泵 台 2 仪表空气储罐 台 1 事故浆液泵 台 1 石膏排出泵 台 4 废旋给料泵 台 2 排水坑泵 台 4 真空泵 台 2 废水泵 台 2 滤液水泵 台 2 滤布滤饼充气水泵 台 3 流化风机 台 2 石灰石浆液泵 台 4 气水分离器 台...

1、当您付费下载文档后,您只拥有了使用权限,并不意味着购买了版权,文档只能用于自身使用,不得用于其他商业用途(如 [转卖]进行直接盈利或[编辑后售卖]进行间接盈利)。
2、本站所有内容均由合作方或网友上传,本站不对文档的完整性、权威性及其观点立场正确性做任何保证或承诺!文档内容仅供研究参考,付费前请自行鉴别。
3、如文档内容存在违规,或者侵犯商业秘密、侵犯著作权等,请点击“违规举报”。

碎片内容

脱硫设备安装施工方案

您可能关注的文档

确认删除?
VIP
微信客服
  • 扫码咨询
会员Q群
  • 会员专属群点击这里加入QQ群
客服邮箱
回到顶部