电脑桌面
添加小米粒文库到电脑桌面
安装后可以在桌面快捷访问

自动运料小车PLC控制系统设计

自动运料小车PLC控制系统设计_第1页
1/9
自动运料小车PLC控制系统设计_第2页
2/9
自动运料小车PLC控制系统设计_第3页
3/9
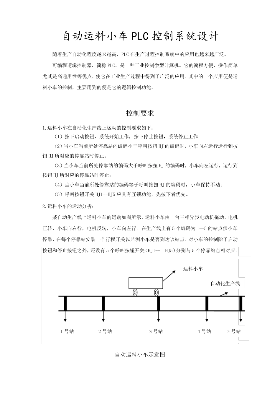
自动运料小车PLC 控制系统设计 随 着 生 产 自 动 化 程 度 越 来 越 高 , PLC 在 生 产 过 程 控 制 系 统 中 的 应 用 也 越 来 越 广 泛 。 可 编 程 逻 辑 控 制 器 , 简 称 PLC, 是 一 种 工 业 控 制 微 型 计 算 机 。 它 的 编 程 方 便 、 操 作 简 单尤 其 是 高 通 用 性 等 优 点 , 使 它 在 工 业 生 产 过 程 中 得 到 了 广 泛 的 应 用 。 其 中 的 一 个 应 用 便 是 运料 小 车 的 控 制 , 主 要 用 到 的 便 是 它 的 逻 辑 控 制 功 能 。 控 制 要 求 1.运 料 小 车 在 自 动 化 生 产 线 上 运 动 的 控 制 要 求 如 下 : ( 1) 按 下 启 动 按 钮 , 系 统 开 始 工 作 , 按 下 停 止 按 钮 , 系 统 停 止 工 作 ; ( 2) 当 小 车 当 前 所 处 停 靠 站 的 编 码 小 于 呼 叫 按 扭 HJ 的 编 码 时 , 小 车 向 右 运 行 运 行 到 按钮 HJ 所 对 应 的 停 靠 站 时 停 止 ; ( 3) 当 小 车 当 前 所 处 停 靠 站 的 编 码 大 于 呼 叫 按 扭 HJ 的 编 码 时 , 小 车 向 左 运 行 , 运 行 到按 钮 HJ 所 对 应 的 停 靠 站 时 停 止 ; ( 4) 当 小 车 当 前 所 处 停 靠 站 的 编 码 等 于 呼 叫 按 扭 HJ 的 编 码 时 , 小 车 保 持 不 动 ; ( 5) 呼 叫 按 钮 开 关 HJ1--HJ5 应 具 有 互 锁 功 能 , 先 按 下 者 优 先 。 2.运 料 小 车 的 运 动 分 析 : 某 自 动 生 产 线 上 运 料 小 车 的 运 动 如 图 所 示 , 运 料 小 车 由 一 台 三 相 异 步 电 动 机 拖 动 , 电 机正转, 小 车 向 右 行 , 电 机 反转, 小 车 向 左 行 。 在 生 产 线 上 有 5 个 编 码 为1—5 的 站 点 供小 车停 靠 , 在 每个 停 靠 站 安装一 个 行 程 开 关 以监测小 车 是 否到 达该站 点 。 对 小 车 的 控 制 除了 启 动按 钮 和停 止 按 钮 之外, 还设有 5 个 呼 叫 按 钮 开 关 ( HJ1-- HJ5) ...

1、当您付费下载文档后,您只拥有了使用权限,并不意味着购买了版权,文档只能用于自身使用,不得用于其他商业用途(如 [转卖]进行直接盈利或[编辑后售卖]进行间接盈利)。
2、本站所有内容均由合作方或网友上传,本站不对文档的完整性、权威性及其观点立场正确性做任何保证或承诺!文档内容仅供研究参考,付费前请自行鉴别。
3、如文档内容存在违规,或者侵犯商业秘密、侵犯著作权等,请点击“违规举报”。

碎片内容

自动运料小车PLC控制系统设计

确认删除?
VIP
微信客服
  • 扫码咨询
会员Q群
  • 会员专属群点击这里加入QQ群
客服邮箱
回到顶部