电脑桌面
添加小米粒文库到电脑桌面
安装后可以在桌面快捷访问

船舶建造质量检验第四章船体舾装检验

船舶建造质量检验第四章船体舾装检验_第1页
1/23
船舶建造质量检验第四章船体舾装检验_第2页
2/23
船舶建造质量检验第四章船体舾装检验_第3页
3/23
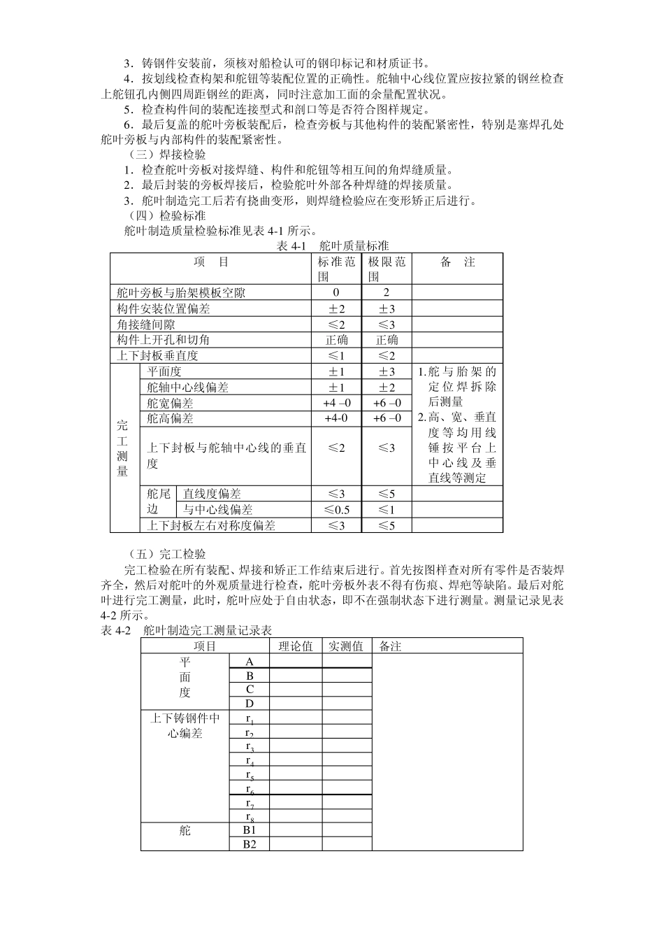
第四章 船体舾装检验 第一节 舵系制造和安装检验 船舶舵系的结构型式较多,有双支承平衡舵、穿心舵轴平衡舵、多支承普通舵、悬挂舵和半悬挂舵等。其中半悬挂舵使用较广,见图 4-1 所示,已基本上作为新造船舶的典型舵系结构。为此,在舵系制造检验方面,本章以半悬挂舵为主进行叙述。由于半悬挂舵的制造检验方法基本上包含了其他类型舵系的检验方法,故均可参照该舵的检验方法与要求进行。图4-2 所示的为导管舵,一般使用的特种作业的推、拖轮或小型船舶上。 一、舵叶制造检验 船舶航行时依靠舵叶的转动来控制航向。舵叶的结构、强度、面积、对称性和水密性是考核舵叶质量的四大要素。船舶的舵叶普遍采用流线型,现以半悬挂舵为例,说明舵叶制造的检验方法。 (一)舵叶胎架检验 舵叶胎架为卧式胎架,即舵的中心线剖面处于水平状态,其检验内容和要求如下: 1.设置胎架的平台应平整牢固; 2.胎架制造前应先检验平台上的舵中心线、垂直线、长度和宽度等舵叶外形线的正确性,见图 4-3 所示。用钢卷尺测量平台上划线尺度,包括长、宽、舵中心线位置等,其偏差均不得大于 0.5m m 。 图 4-3 舵叶平台划线 3.胎架的检验内容和要求 (1)检查胎架模板牢固性; (2)按舵剖面样板 1(包含舵壳板厚度)检查胎架模板 2 线型的准确性,胎架中心线应用线锤挂至平台上与中心线相吻合,样板上的水平线(即舵中心线)与胎架模板上水平线相吻合。胎架模板上的水平线应事先用水平软管或激光经纬仪进行检查,应处于同一水平面内,见图 4-4 所示。 图 4-4 舵叶胎架检查 1 样板;2-胎架模权;3-平台 (二)舵叶旁板、构架和铸钢件装配检验 1.检查舵叶旁板与胎架模板的紧贴度,以及旁板定位焊接和旁板对接缝的装配质量。 2.检查构架划线位置的正确性。 3.铸钢件安装前,须核对船检认可的钢印标记和材质证书。 4.按划线检查构架和舵钮等装配位置的正确性。舵轴中心线位置应按拉紧的钢丝检查上舵钮孔内侧四周距钢丝的距离,同时注意加工面的余量配置状况。 5.检查构件间的装配连接型式和剖口等是否符合图样规定。 6.最后复盖的舵叶旁板装配后,检查旁板与其他构件的装配紧密性,特别是塞焊孔处舵叶旁板与内部构件的装配紧密性。 (三)焊接检验 1.检查舵叶旁板对接焊缝、构件和舵钮等相互间的角焊缝质量。 2.最后封装的旁板焊接后,检验舵叶外部各种焊缝的焊接质量。 3.舵叶制造完工后若有挠曲变形,则焊缝检验...

1、当您付费下载文档后,您只拥有了使用权限,并不意味着购买了版权,文档只能用于自身使用,不得用于其他商业用途(如 [转卖]进行直接盈利或[编辑后售卖]进行间接盈利)。
2、本站所有内容均由合作方或网友上传,本站不对文档的完整性、权威性及其观点立场正确性做任何保证或承诺!文档内容仅供研究参考,付费前请自行鉴别。
3、如文档内容存在违规,或者侵犯商业秘密、侵犯著作权等,请点击“违规举报”。

碎片内容

船舶建造质量检验第四章船体舾装检验

小辰2+ 关注
实名认证
内容提供者

出售各种资料和文档

确认删除?
VIP
微信客服
  • 扫码咨询
会员Q群
  • 会员专属群点击这里加入QQ群
客服邮箱
回到顶部