电脑桌面
添加小米粒文库到电脑桌面
安装后可以在桌面快捷访问

节制闸和泵站定期检查报告

节制闸和泵站定期检查报告_第1页
1/28
节制闸和泵站定期检查报告_第2页
2/28
节制闸和泵站定期检查报告_第3页
3/28
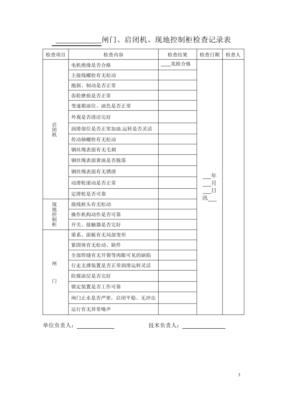
1 节制闸定期检查报告 单位 名 称: 检查 时 间: 技术负责人: 单位负责人: 2 下 六 圩 水 利 枢 纽 节 制 闸 工 程 定 期 检 查 表 定 期 检 查 要 求 1、每年汛期前、汛期后,对泵站各个部位及各项设施进行全面检查。 2、检查实行登记制,对检查情况及时做好记录。 3、检查内容包括:主机泵、闸门、电气设备、土工、混凝土建筑物等。 4、检查时填写好当时的水情、工情、气象情况等。 5、检查记录完成后,应及时上交所部存入技术档案。 检查原因: 汛前检查 检查人员: 检查日期:二 0 年 月 日 3 _ _ _ _ _ _ _ _ _ _ _ _ 闸门、启闭机、现地控制柜检查记录表 检查项目 检查内容 检查结果 检查日期 检查人 启闭机 电机绝缘是否合格 兆欧合格 年 月 日 汛 主接线螺栓有无松动 抱刹、制动是否正常 齿轮磨损是否正常 变速箱油位、油色是否正常 外观是否清洁完好 润滑部位是否正常加油,运转是否灵活 传动轴螺栓有无松动 钢丝绳表面有无毛刺 钢丝绳表面黄油是否脱落 钢丝绳表面有无锈渍 动滑轮滚动是否正常 定滑轮是否可靠 现地控制柜 接线桩头有无松动 操作机构动作是否可靠 开关、接触器是否完好 闸 门 梁系、面板有无局部变形 紧固体有无松动、缺件 全部焊缝有无开裂等肉眼可见的缺陷 行走支撑装置是否正常润滑运转灵活 防腐涂层是否完好 锁定装置是否工作可靠 闸门止水是否严密,启闭平稳、无冲击 运行有无异常噪声 单位负责人: 技术负责人: 4 节制闸低压电气系统检查记录表 检 查 项 目 检查内容 检查结果 检 查 日 期 检查人 低压配电柜 接线是否正确、可靠 年 月 日 开关是否完好 仪表校验是否合格 仪表显示是否正常 接地是否可靠 电容补偿柜 接线是否正确、可靠 开关、接触器是否完好 仪表校验是否合格, 显示是否正常 熔断器是否正常 电容器及自动补偿控制器是否工作正常 避雷器是否安全可靠 接地是否可靠 单位负责人: 技术负责人: 5 节制闸土工建筑物检查记录表 检 查 项 目 检查内容 检查结果 检 查 日 期 检查人 堤坝 有无雨淋沟 年 月 日 有无渗漏现象 有无裂缝现象 有无塌陷现象 有无兽洞、蚁穴现象 岸、翼墙后填土区 有无跌落现象 有无塌陷现象 河床 有无严重冲刷现象 有无严重淤积现象 边坡和护堤 有无被破坏现象 单位负责人: 技术负责人: 6 节制...

1、当您付费下载文档后,您只拥有了使用权限,并不意味着购买了版权,文档只能用于自身使用,不得用于其他商业用途(如 [转卖]进行直接盈利或[编辑后售卖]进行间接盈利)。
2、本站所有内容均由合作方或网友上传,本站不对文档的完整性、权威性及其观点立场正确性做任何保证或承诺!文档内容仅供研究参考,付费前请自行鉴别。
3、如文档内容存在违规,或者侵犯商业秘密、侵犯著作权等,请点击“违规举报”。

碎片内容

节制闸和泵站定期检查报告

确认删除?
VIP
微信客服
  • 扫码咨询
会员Q群
  • 会员专属群点击这里加入QQ群
客服邮箱
回到顶部