电脑桌面
添加小米粒文库到电脑桌面
安装后可以在桌面快捷访问

汽车覆盖件冲压模具通用设计规范

汽车覆盖件冲压模具通用设计规范_第1页
1/22
汽车覆盖件冲压模具通用设计规范_第2页
2/22
汽车覆盖件冲压模具通用设计规范_第3页
3/22
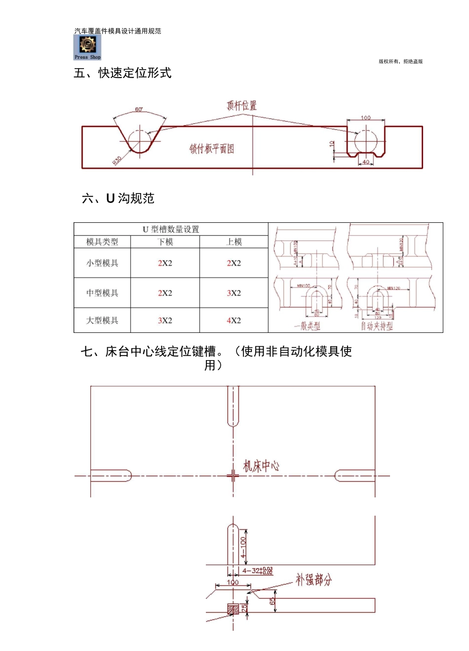
汽车覆盖件模具设计通用规范一、模具使用寿命,大小模具定义模具使用寿命:30 万次类型尺寸范围小型模具模具的长度+宽度<1800中型模具1800V 模具的长度+宽度<3500大型模具模具的长度+宽度 23500二、模具导向方式模具类型外形导向方式导向腿结构小型□□□□■□I■ II拉延类中型■□□□□□I■ II大型■□□□□□I■ II小型□□■□□□I■ II修边冲孔类中型□■□□□□I■ II大型□■□□□□I■ II斜楔模、成形、翻小型□□□□■□I■ II边整形类中型■□□□□□I■ II(不带冲切)大型■□□□□□I■ II斜楔模、成形、翻小型□■□□□□I■ II边整形类中型□■□□□□I■ II(带冲切)大型□■□□□□I■ II小型□□■□□□I■ II落料冲孔类中型□□■□□□I■ II大型□■□□□□I■ II防差错措施■需要,右侧两导柱间距及导板加大。□不需要。汽车覆盖件模具设计通用规范版权所有,拒绝盗版注意:导向装置不能承受侧向力,有侧向力时需增加直接反侧装置平衡侧向力三、平衡块墩死块的大小-尺寸类型尺寸小型模具040mm、050mm盘起标准中型模具050mm、060mm大型模具060mm、070mm四、模具安全区小型模具中型模具大型模具尺寸■需要,数量为:■需要,数量■需要,数量鳥沽讨能終;為船■个为:□个□个对角设□个i■■■■1■■—■个置■个XI-!X□结构设计会Q:I签时视模目□结构设计会签□结构设计会签签时,视模具时,视模具结构协时,视模具结构结构协商确定。商确定。协商确定。~±—'1"d--....类型方式'■■■■-..类型A、导向退 B、导向退+导柱 C、导柱D、导柱组 E、导板导向方式I、角落导向腿(外导)导向腿结构罔T… 汪QOO…:T-II、中心导向腿(内导)寸!H-A-汽车覆盖件模具设计通用规范五、快速定位形式版权所有,拒绝盗版六、U 沟规范七、床台中心线定位键槽。(使用非自动化模具使用)汽车覆盖件模具设计通用规范版权所有,拒绝盗版八、模具加工基准面和基准孔九、铸造 V 型槽汽车覆盖件模具设计通用规范版权所有,拒绝盗版十、螺栓沉头孔尺寸及螺栓与销钉选择1、内六角螺钉沉头孔直径及过孔深度一览表规格M6M8M10M12M16M20沉头孔直径D011014016.5019.5025.5031.5通过孔 dl0709011.5013.5017.5021.5通过孔深度H5810152020注:对铸件而言,螺纹拧入深度 L 为其公称直径的 1.5 倍。对钢件而言,螺纹拧入深度 L 为其公称直径的 1 倍。圆柱销的配合长度为其公称直径的 2 倍。具体尺寸见下...

1、当您付费下载文档后,您只拥有了使用权限,并不意味着购买了版权,文档只能用于自身使用,不得用于其他商业用途(如 [转卖]进行直接盈利或[编辑后售卖]进行间接盈利)。
2、本站所有内容均由合作方或网友上传,本站不对文档的完整性、权威性及其观点立场正确性做任何保证或承诺!文档内容仅供研究参考,付费前请自行鉴别。
3、如文档内容存在违规,或者侵犯商业秘密、侵犯著作权等,请点击“违规举报”。

碎片内容

汽车覆盖件冲压模具通用设计规范

您可能关注的文档

确认删除?
VIP
微信客服
  • 扫码咨询
会员Q群
  • 会员专属群点击这里加入QQ群
客服邮箱
回到顶部