电脑桌面
添加小米粒文库到电脑桌面
安装后可以在桌面快捷访问

原油化验室计量技术考核规范

原油化验室计量技术考核规范_第1页
1/17
原油化验室计量技术考核规范_第2页
2/17
原油化验室计量技术考核规范_第3页
3/17
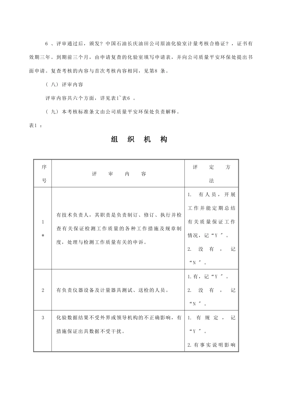
原 油 化 验 室 计 量 技 术 考 核 标 准一、总那么( 一) 目的为了全面贯彻实施国家计量法律法规,加强对公司原油化验室的管理,提高原油化验室岗位操作人员的计量意识,标准原油化验室的计量技术管理,提高检测能力及检测数据的可靠性,在长庆油田公司实施原油化验室计量技术考核制度。为确保考核制度的实施,特制订本标准。本标准提出了通过考核要进行的准备及考核内容和判定能否通过的具体要求和考核方法。( 二) 制订本标准的依据1 、? 中华人民共和国计量法? 第二十二条;2 、? 中华人民共和国计量法实施细那么? 第七章;3 、? 产品质量检验机构计量认证管理方法?4 、? 产品质量检验机构计量认证技术考核标准?5 、? 中国石油天然气股份计量管理方法? 第十五条6 、? 中国石油长庆油田计量管理暂行方法?( 三) 适用范围本标准适用于长庆油田各采油生产单位为原油对外贸易计量交接、单位间计量交接、各采油单位中心化验室及其它重要站点〔如汽车罐车原油拉运卸油点〕出具数据的原油化验室。二、化验室计量考核的程序( 四) 考核的申请由各单位计量主管部门向公司质量平安环保处提出申请。申请表格式及内容见附件一。( 五) 考核的准备被考核化验室在提交申请表前,应完成以下几方面的准备工作:1 、计量化验器具的检定及仪器设备检验通用计量器具必须有关法定计量检定机构进行检定,并出具在有效期内的检定证书。对于某些无检定规程或无检定、校准部门的计量器具及化验仪器,应制定校验方法或使用标准物质进行自校。2 、化〔检〕验方法化验室已开展的检测工程,逐项必须具有合法的规程、标准或方法。3 、人员考核被考核单位的岗位操作人员,必须经过公司计量交接化验员的培训,并取得相应级别的岗位证书。4 、环境条件被考核的化验室应根据其工作性质整顿环境条件,使其符合有关规程、标准的要求。( 六) 考核评审在接到各单位申请后,由公司质量平安环保处聘请专家和计量管理人员组成考核组,对上报申请资料进行审查,然后根据评审内容进行现场考核。三、评审内容和评定方法( 七) 几点说明1 、评审内容共分六个方面28项。详见第8 条,这是对被考核化验室通过考核的一般要求,考核人员可根据被考核化验室的实际情况,临时增加少量考核内容,但不影响考核结果。2 、每小项的评审,分通过和不通过两种情况,通过记“Y 〞,不通过记“N 〞。通过、不通过的标准见表格右边的评定方法栏内容。3 、带“*...

1、当您付费下载文档后,您只拥有了使用权限,并不意味着购买了版权,文档只能用于自身使用,不得用于其他商业用途(如 [转卖]进行直接盈利或[编辑后售卖]进行间接盈利)。
2、本站所有内容均由合作方或网友上传,本站不对文档的完整性、权威性及其观点立场正确性做任何保证或承诺!文档内容仅供研究参考,付费前请自行鉴别。
3、如文档内容存在违规,或者侵犯商业秘密、侵犯著作权等,请点击“违规举报”。

碎片内容

原油化验室计量技术考核规范

确认删除?
VIP
微信客服
  • 扫码咨询
会员Q群
  • 会员专属群点击这里加入QQ群
客服邮箱
回到顶部