电脑桌面
添加小米粒文库到电脑桌面
安装后可以在桌面快捷访问

质量保证体系及保证措施

质量保证体系及保证措施 _第1页
1/20
质量保证体系及保证措施 _第2页
2/20
质量保证体系及保证措施 _第3页
3/20
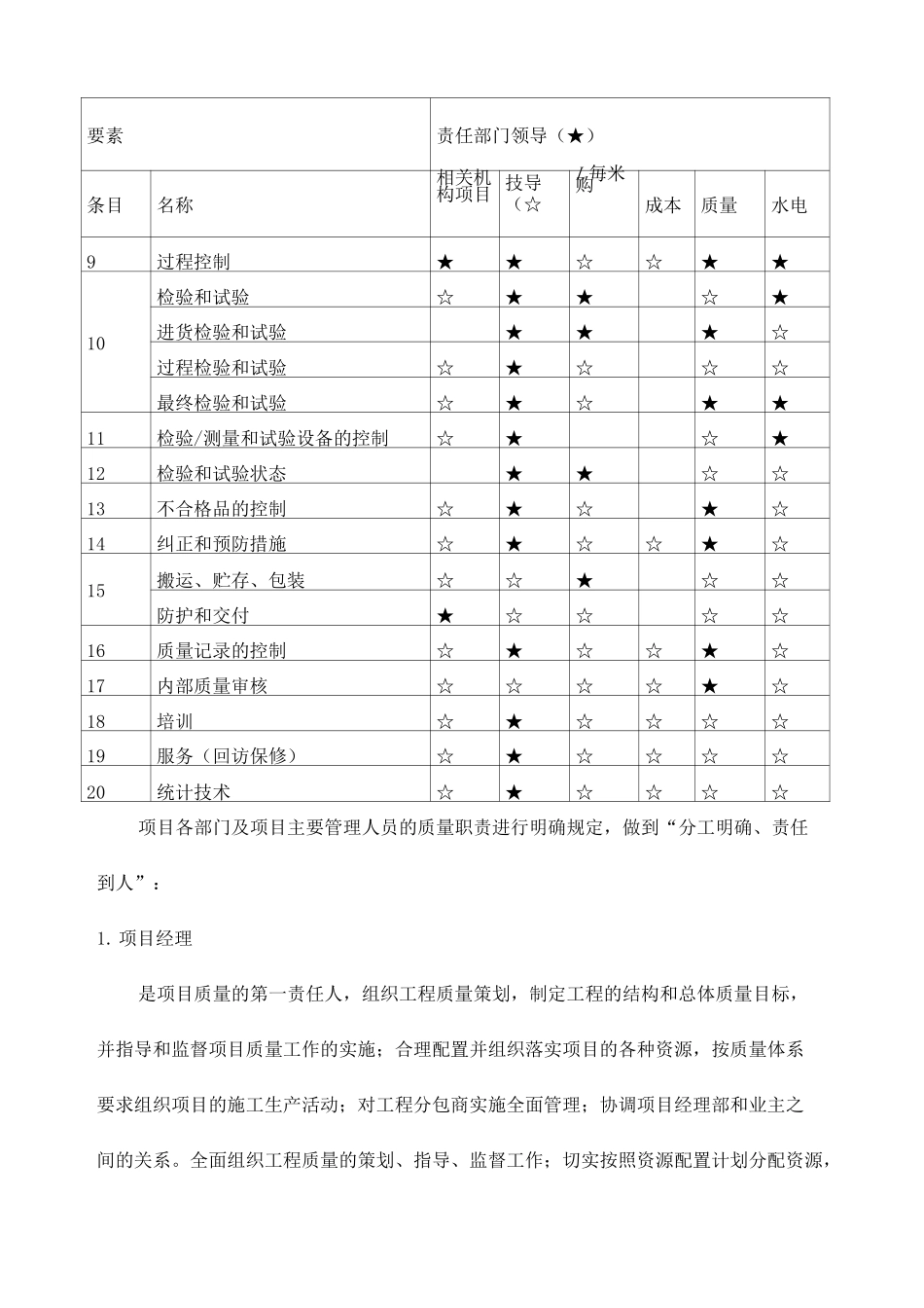
第一节质量保证体系及保证措施质量就是企业的生命。为保证公司的发展和壮大,公司建立了具有特色的适应总承包管理发展的质量管理体系,并连续几年取得了多项工程佳绩。这些成绩的取得,都得益于我公司规范化、程序化的质量管理体系。第一小节质量管理体系我公司的质量管理实行公司、项目两级管理办法,质量管理由公司牵头组织、指导、监督,由项目负责落实与改进,从而形成了良性循环的质量管理机构(详见“质量管理机构示意图”)。【1】质量职责按照 ISO9OO1 要求,将标准的 20 个要素按照责任要素、相关要素对各部室进行明确分配(见下表),确保项目严格执行质量管理体系的要求和质量要求得到有效贯彻和落实。质量体系要素分配表要素责任部门领导(★)条目名称相关机构项目 技领导(☆米购成本质量水电1管理职责★★☆☆★☆2质量体系☆☆☆☆★☆3合同评审☆☆☆★☆☆5文件和资料控制☆★☆☆☆☆6采购和分包★☆★★☆★7业主提供产品的控制☆☆★☆8产品标识和可追溯性☆★★★☆要素责任部门领导(★)条目名称相关机构项目 技导(☆L 毎米购成本质量水电9过程控制★★☆☆★★10检验和试验☆★★☆★进货检验和试验★★★☆过程检验和试验☆★☆☆☆最终检验和试验☆★☆★★11检验/测量和试验设备的控制☆★☆★12检验和试验状态★★☆☆13不合格品的控制☆★☆★☆14纠正和预防措施☆★☆☆★☆15搬运、贮存、包装☆☆★☆☆防护和交付★☆☆☆☆16质量记录的控制☆★☆☆★☆17内部质量审核☆☆☆☆★☆18培训☆★☆☆☆☆19服务(回访保修)☆★☆☆☆☆20统计技术☆★☆☆☆☆项目各部门及项目主要管理人员的质量职责进行明确规定,做到“分工明确、责任到人”:1. 项目经理是项目质量的第一责任人,组织工程质量策划,制定工程的结构和总体质量目标,并指导和监督项目质量工作的实施;合理配置并组织落实项目的各种资源,按质量体系要求组织项目的施工生产活动;对工程分包商实施全面管理;协调项目经理部和业主之间的关系。全面组织工程质量的策划、指导、监督工作;切实按照资源配置计划分配资源,组织生产活动;对工程各分包商具体管理;组织相关人员对各分部工程的质量进行评定,并指导改进。2.项目技术主管制定分部、分项和阶段质量目标,组织项目各部门制定、落实质量保证措施,对阶段性质量进行监督、检查、总结、改进;组织项目人员进行图纸会审;编制施工组织设计,并发放至有关部门和人员;确定施工关键过程和...

1、当您付费下载文档后,您只拥有了使用权限,并不意味着购买了版权,文档只能用于自身使用,不得用于其他商业用途(如 [转卖]进行直接盈利或[编辑后售卖]进行间接盈利)。
2、本站所有内容均由合作方或网友上传,本站不对文档的完整性、权威性及其观点立场正确性做任何保证或承诺!文档内容仅供研究参考,付费前请自行鉴别。
3、如文档内容存在违规,或者侵犯商业秘密、侵犯著作权等,请点击“违规举报”。

碎片内容

质量保证体系及保证措施

wxg+ 关注
实名认证
内容提供者

该用户很懒,什么也没介绍

确认删除?
VIP
微信客服
  • 扫码咨询
会员Q群
  • 会员专属群点击这里加入QQ群
客服邮箱
回到顶部