电脑桌面
添加小米粒文库到电脑桌面
安装后可以在桌面快捷访问

成套电柜安装

成套电柜安装_第1页
1/10
成套电柜安装_第2页
2/10
成套电柜安装_第3页
3/10
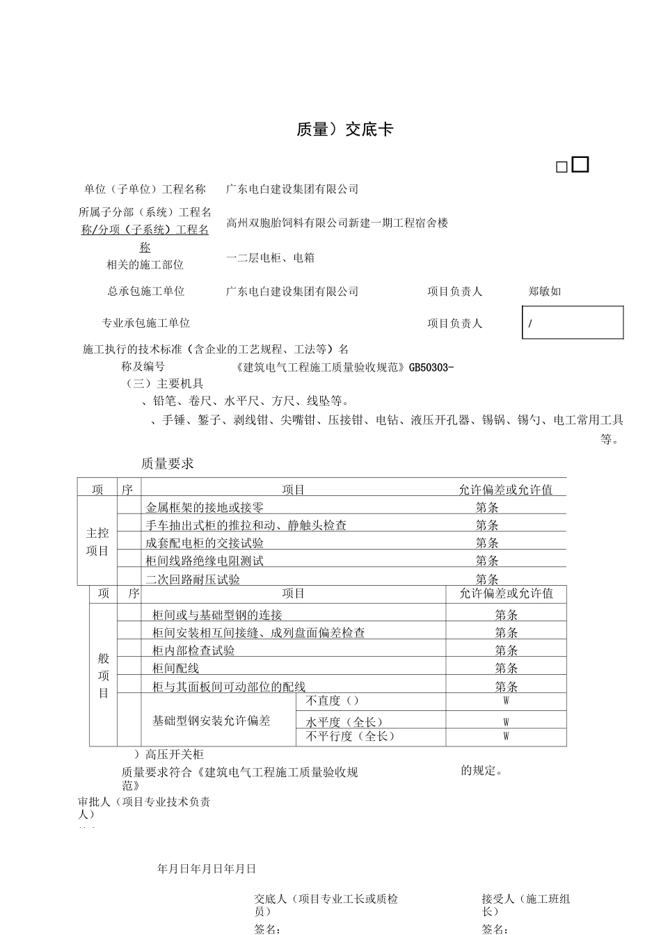
年月日年月日年月日单位(子单位)工程名称广东电白建设集团有限公司所属子分部(系统)工程名称 / 分项 ( 子系统 ) 工程名称 相关的施工部位(层、区、段、房、室)施工执行的技术标准(含企业的工艺规程、工法等)名称及编号作业条件墙体结构已弹出施工水平线。安装配电箱所需的木砖及铁件巳预埋。随土建结构预留的暗装配电箱的安装位置正确大小合适。暗装配电箱箱体时安装箱体墙面的抹灰应全部完成。暗装配电箱盘芯及贴脸时土建装修的抹灰、喷浆及油漆应全部完成。明装配电箱时土建装修的抹灰、喷浆及油漆应全部完成。材料要求建筑电气工程中安装的高压成套配电柜、控制柜屏、台应有出厂合格证、生产许可证和试验记录。低压成套配电柜、动力、照明配电箱盘、柜除上述质量证明文件外还应有“”认证标志及认证证书复印件。动力、照明配电箱、低压柜不同厂家、不同规格的出厂合格证应各备一张。低压进线冗接箱或分支柜多层进户分界开关柜不同厂家、不同规格的合格证应各备一张。产品进场后先进行外观检查箱体应有一定的机械强度周边平整无损伤油漆无脱落。然后进行开简检验箱内各种器具应安装牢固导线排列整齐压接牢固二层底板厚度不小于且不得用阻燃型塑料板做二层底板。各种断路器进行外观检验调整及操作试验。配电箱不应采用可燃材料制作;在干燥无尘的场所采用的木制配电箱应经阻燃处理。镀锌制品支架、横担、接地极、避雷用型钢等和外线金具应有出厂合格证和镀锌质量证明书。高州双胞胎饲料有限公司新建一期工程宿舍楼质量)交底卡一二层电柜、电箱□口《建筑电气工程施工质量验收规范》GB50303-2002施工准备一)审批人(项目专业技术负责人)签名:总承包施工单位交底人(项目专业工长或质检员)签名:广东电白建设集团有限公司接受人(施工班组长)签名:项目负责人郑敏如专业承包施工单位项目负责人年月日年月日年月日施工执行的技术标准(含企业的工艺规程、工法等)名称及编号(三)主要机具、铅笔、卷尺、水平尺、方尺、线坠等。、手锤、錾子、剥线钳、尖嘴钳、压接钳、电钻、液压开孔器、锡锅、锡勺、电工常用工具等。质量要求项序项目允许偏差或允许值主控项目金属框架的接地或接零第条手车抽出式柜的推拉和动、静触头检查第条成套配电柜的交接试验第条柜间线路绝缘电阻测试第条二次回路耐压试验第条项序项目允许偏差或允许值般项目柜间或与基础型钢的连接第条柜间安装相互间接缝、成列盘面偏差检查第条柜内部检查试验第条柜...

1、当您付费下载文档后,您只拥有了使用权限,并不意味着购买了版权,文档只能用于自身使用,不得用于其他商业用途(如 [转卖]进行直接盈利或[编辑后售卖]进行间接盈利)。
2、本站所有内容均由合作方或网友上传,本站不对文档的完整性、权威性及其观点立场正确性做任何保证或承诺!文档内容仅供研究参考,付费前请自行鉴别。
3、如文档内容存在违规,或者侵犯商业秘密、侵犯著作权等,请点击“违规举报”。

碎片内容

成套电柜安装

确认删除?
VIP
微信客服
  • 扫码咨询
会员Q群
  • 会员专属群点击这里加入QQ群
客服邮箱
回到顶部