电脑桌面
添加小米粒文库到电脑桌面
安装后可以在桌面快捷访问

简易万用表的设计与制作实验报告

简易万用表的设计与制作实验报告_第1页
1/7
简易万用表的设计与制作实验报告_第2页
2/7
简易万用表的设计与制作实验报告_第3页
3/7
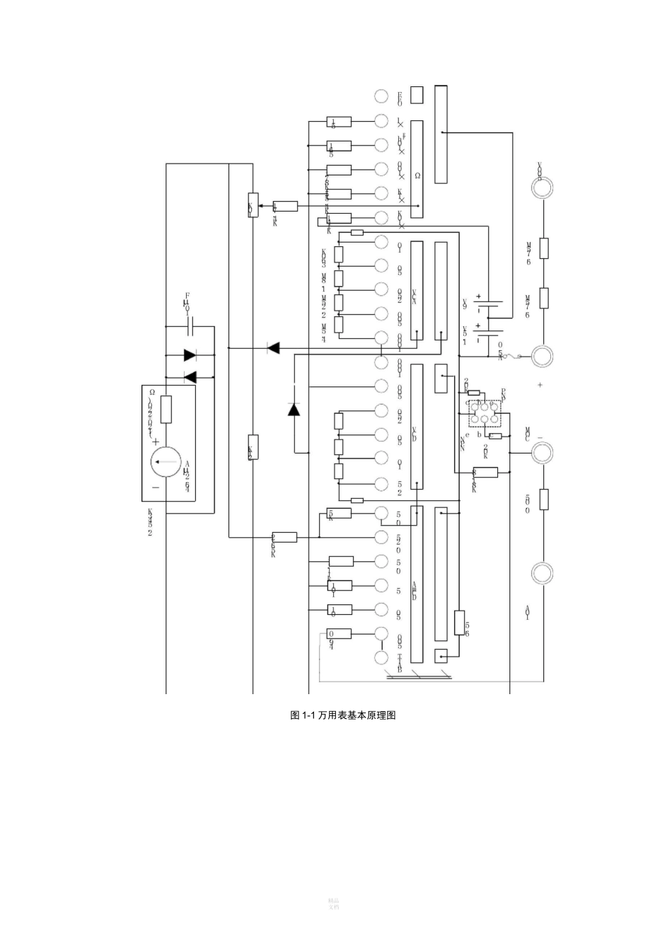
精品文档简易万用表的设计与校准物理学院物理学类 2009301020162 沈港博摘要:万用表是一种多功能、多量程便于携带的电学仪器。它可用不同的量程测量直流电流、直流电压、交流电压及电阻。有的万用表还可以测量阻抗、容抗和音频功率等。学习制作和设计万用表非常重要,还有利于我们大学同学提高电路分析的能力并加深对万用电表工作原理的理解,提高自身的动手能力。关键字:万用电表、表头、测量电路、转换装置。1实验目的(1)通过万用表组装实验,进一步熟悉万用表结构、工作原理和使用方法。(2)了解电路理论的实际应用,进一步学会分析电路,提高自身的能力。2实验原理万用表主要是由指示器、测量电路和转换装置三部分组成。指示器俗称表头,用来指示被测电量的数值,通常为磁电式微安表。表头是万用表的关键部分,万用表的灵敏度、准确度及指针回零等大都决定于表头的性能。表头的灵敏度是以满刻度的测量电流来衡量的,满刻度偏转电流越小,灵敏度越高。一般万用表表头灵敏度在 10~100yA 左右。测量电路的作用是把被测的电量转化为适合于表头要求的微小直流电流,它通常包括分流电路、分压电路和整流电路。分流电路将被测大电流通过分流电阻变成表头所需要的微小电流,分压电路将被测得高电压通过分压电阻变换成表头所需的低电压;整流电路将被测的交流,通过整流转变成所需的直流电。万用表的各种测量种类及量程的选择是靠转换装置来实现,转换装置通常由转换开关、接线柱、插孔等组成。转换开关有固定触点和活动触点,它位于不同位置,接通相应的触点,构成相应的测量电路。万用表基本原理,如下图 1-1 所示。精品文档图 1-1 万用表基本原理图精品文档F 面以 MF-47 型万用表为例,分部介绍电路参数的测量原理。1、直流电流的测量万用表的直流电流档,实质上是一个多量程的磁电式直流电流表,它应用分流电阻与表头并联以达到扩大测量的电流量程。根据分流电阻值越小,所得的测量量程越大的原理,配以不同的分流电阻,构成相应的测量量程。在电路中,各分流电阻彼此串联,然后与表头并联,形成一个闭合环路,当转换开关置于不同位置时,表头所用的分流电阻不同,构成不同量程的档位,如图 16-6 所示。10A图 1-2 直流电流测量电路2 直流电压的测量万用表的直流电压档,实质上是一个多量程的直流电压表,它应用分压电阻与表头串联来扩大测量电压的量程,根据分压电阻值越大,所得的测量量程越大的原理,通过配以不同的分压电阻...

1、当您付费下载文档后,您只拥有了使用权限,并不意味着购买了版权,文档只能用于自身使用,不得用于其他商业用途(如 [转卖]进行直接盈利或[编辑后售卖]进行间接盈利)。
2、本站所有内容均由合作方或网友上传,本站不对文档的完整性、权威性及其观点立场正确性做任何保证或承诺!文档内容仅供研究参考,付费前请自行鉴别。
3、如文档内容存在违规,或者侵犯商业秘密、侵犯著作权等,请点击“违规举报”。

碎片内容

简易万用表的设计与制作实验报告

确认删除?
VIP
微信客服
  • 扫码咨询
会员Q群
  • 会员专属群点击这里加入QQ群
客服邮箱
回到顶部