电脑桌面
添加小米粒文库到电脑桌面
安装后可以在桌面快捷访问

某啤酒企业计量维修b岗岗位说明书VIP专享

某啤酒企业计量维修b岗岗位说明书_第1页
1/3
某啤酒企业计量维修b岗岗位说明书_第2页
2/3
某啤酒企业计量维修b岗岗位说明书_第3页
3/3
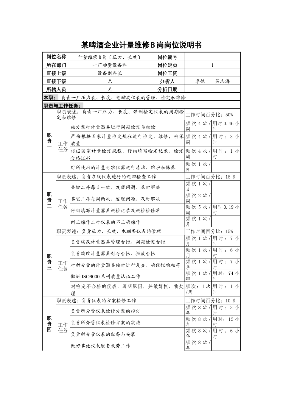
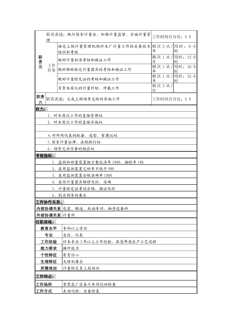
某啤酒企业计量维修 B 岗岗位说明书岗位名称计量维修 B 岗〔压力、长度〕岗位编号所在部门一厂物资设备科岗位定员1直接上级设备副科长岗位工资直接下级无分析人李娥 吴志海所辖人员无分析日期本职: 负责一厂压力表、长度、电磁类仪表的管理、检定和维修职责与工作任务:职责一职责表述:负责一厂压力、长度、强制检定仪表的周期检定和维修 工作时间百分比:50%工作任务按方案对计量器具进行周期检定与抽检频 次 4 次 /周 用时 0.46 小时 严格根据国家计量检定规程进行检定、维修,确保质量频 次 4 次 /周 用 时 : 3 小时根据国家计量检定规程,仔细填写检定记录、检定合格证书频 次 4 次 /周 用 时 : 1 小时对所使用的计量标准仪器进行清洁、维护和保养频 次 1 次 /日职责二职责表述:负责在线仪表进行的巡回检查工作 工作时间百分比:15 %工作任务关键工序每日一次,发现问题,及时解决频 次 1 次 /日 其它工序每周两次,发现问题,及时解决频 次 2 次 /周 仔细填写计量器具巡检记录及巡检检修单频 次 5 次 /周 用时 0.19 小时 纠正操作工对仪表的不正确操作频 次 1 次 /月 职责三职责表述:负责压力、长度、电磁类仪表的管理 工作时间百分比:15%工作任务负责编改计量器具管理台帐、周期检定台帐频 次 1 次 /月 用 时 : 7 小时负责编改计量器具封存台帐、报废台帐频 次 1 次 /月用 时 : 6 小时对所分管的计量器具按时进行复查,确保帐物相符频 次 1 次 /季 用 时 : 7 小时做好 ISO9000 系列质量认证工作频 次 1 次 / 年用时:74 小时对检定不合格的仪表,写明原因,并做好帐、物处理频次:1 次/周 用 时 : 1 小时职责四职责表述:负责仪表的方案检修工作 工作时间百分比:10 %工作任务负责所分管仪表检修方案的拟订频 次 8 次 /年 用 时 : 3 小时负责所分管仪表检修方案的实施频 次 8 次 /年 用时:12 小时负责所分管仪表的配备与安装频 次 8 次 /年 用 时 : 6 小时做好其他仪表配套效劳工作频 次 8 次 /年 职责五职责表述:执行国家计量法,加强计量监督,实施计量管理 工作时间百分比:5 %工作任务接受上级计量管理机构对本厂计量工作的业务技术培训和考核频 次 3 次 /年 用 时 : 8 小时做好计量标准考核和换证工作频 次 1 次 /年用时:12 小时做好强检检定计量器具的考核...

1、当您付费下载文档后,您只拥有了使用权限,并不意味着购买了版权,文档只能用于自身使用,不得用于其他商业用途(如 [转卖]进行直接盈利或[编辑后售卖]进行间接盈利)。
2、本站所有内容均由合作方或网友上传,本站不对文档的完整性、权威性及其观点立场正确性做任何保证或承诺!文档内容仅供研究参考,付费前请自行鉴别。
3、如文档内容存在违规,或者侵犯商业秘密、侵犯著作权等,请点击“违规举报”。

碎片内容

某啤酒企业计量维修b岗岗位说明书

确认删除?
VIP
微信客服
  • 扫码咨询
会员Q群
  • 会员专属群点击这里加入QQ群
客服邮箱
回到顶部