电脑桌面
添加小米粒文库到电脑桌面
安装后可以在桌面快捷访问

机动车辆检测期间核查计划=方法=记录

机动车辆检测期间核查计划=方法=记录_第1页
1/12
机动车辆检测期间核查计划=方法=记录_第2页
2/12
机动车辆检测期间核查计划=方法=记录_第3页
3/12
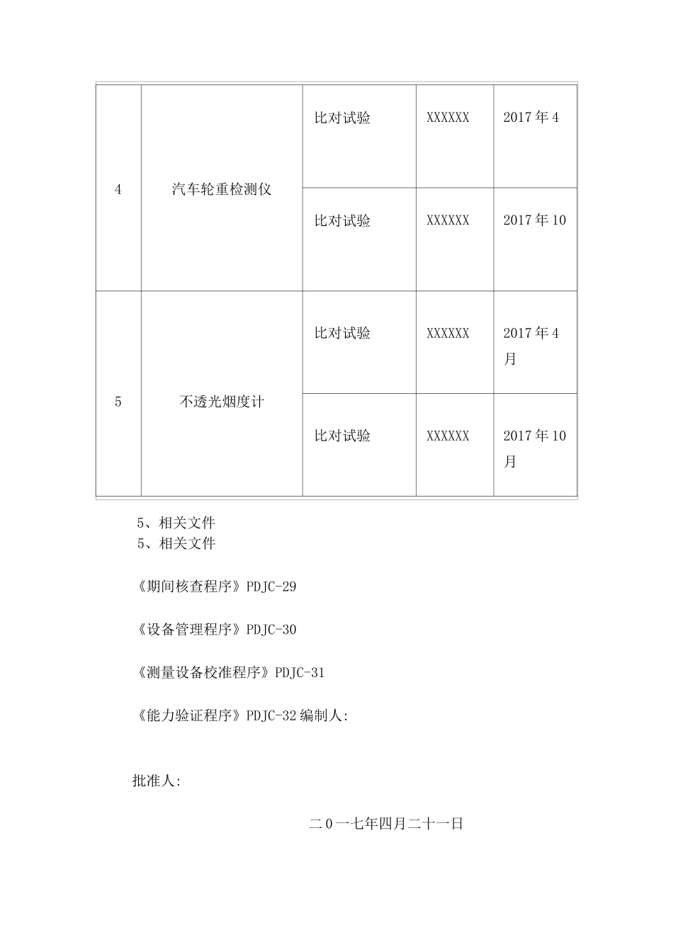
XXXXXXXXX 检测有限公司2017 年期间核查计划、方法、记录XXXXXX有限公司2017年仪器设备期间核查计划1 目的为了证明本公司在用测量设备、检验设备在两次检定/校准间隔内保持其准确可靠,特制定本程序2 适用范围适用于本公司在用测量设备、检验设备的期间核查;3 职责检测部负责人负责期间核查方案的制定和实施;技术负责人负责审批期间核查方案,组织实施;综合部负责对期间核查实施监督管理。4 程序需进行期间核查的对象;期间核查可选用的方法:制定期间核查方案期间核查的实施设备管理程序》办理。序号设备名称期间核查方式责任人计划时间比对试验XXXXXX2017 年 41环保底盘测功机月比对试验XXXXXX2017 年 10月比对试验XXXXXX2017 年 42汽车制动检测台月比对试验XXXXXX2017 年 10月比对试验XXXXXX2017 年 43尾气排放测试仪月比对试验XXXXXX2017 年 10月4汽车轮重检测仪比对试验XXXXXX2017 年 4比对试验XXXXXX2017 年 10比对试验XXXXXX2017 年 45不透光烟度计月比对试验XXXXXX2017 年 10月5、相关文件5、相关文件《期间核查程序》PDJC-29《设备管理程序》PDJC-30《测量设备校准程序》PDJC-31《能力验证程序》PDJC-32 编制人:批准人:二 0 一七年四月二十一日XXXXXX 有限公司轴(轮)重仪期间核查记录设备名称型号核查方法时间核杳工具执行人示值误差与左、右承载器示值间的差值以及载荷/kg承载器示值 I/kg1左右左右左右xxxxxx 有限公司测功装置期间核查记录设备名称核查方法核杳工具内侧母线平行度转矩方向力值砝码/Nm标准转矩/Nm进12顺向型号时间执行人测功装置示值/Nm程回程3平均值123平均值核查结果:核查人员签字:xxxxxx 有限公司制动检验台期间核查记录设备名称型号核查方法时间核杳工具执行人示值误差标准值(kg)制动增载减载仪表示值(dan)示值误差%仪表示值(dan)123误123左右左右左右左设备名称型号核查方法时间核杳工具执行人HCHC 标准值(10-6vol气体测试仪示值(10-6)示 值 误差 Aa(绝对误差)(10-6vol)示值误差 Ab(相对误差)(%)123平均COCO 标准值(%vol)气体测试仪示值(10-6)示值误差 Aa(绝对误差)(%vol)示值误差 Ab(相对误差)(%)123平均xxxxxx 有限公司烟度计期间核查记录设备名称型号核查方法时间核杳工具执行人烟度卡标准值(FSN)烟度计示值(FSN)示值误差(FSN)123平均下面简单介绍几类汽车检测设备期间核查的方法,仅供参考:?1、废气分析仪采用有效的标准气体进行核查,重点核查其示值...

1、当您付费下载文档后,您只拥有了使用权限,并不意味着购买了版权,文档只能用于自身使用,不得用于其他商业用途(如 [转卖]进行直接盈利或[编辑后售卖]进行间接盈利)。
2、本站所有内容均由合作方或网友上传,本站不对文档的完整性、权威性及其观点立场正确性做任何保证或承诺!文档内容仅供研究参考,付费前请自行鉴别。
3、如文档内容存在违规,或者侵犯商业秘密、侵犯著作权等,请点击“违规举报”。

碎片内容

机动车辆检测期间核查计划=方法=记录

您可能关注的文档

确认删除?
VIP
微信客服
  • 扫码咨询
会员Q群
  • 会员专属群点击这里加入QQ群
客服邮箱
回到顶部