电脑桌面
添加小米粒文库到电脑桌面
安装后可以在桌面快捷访问

酱香型白酒生产工艺流程图及关键控制点

酱香型白酒生产工艺流程图及关键控制点_第1页
1/9
酱香型白酒生产工艺流程图及关键控制点_第2页
2/9
酱香型白酒生产工艺流程图及关键控制点_第3页
3/9
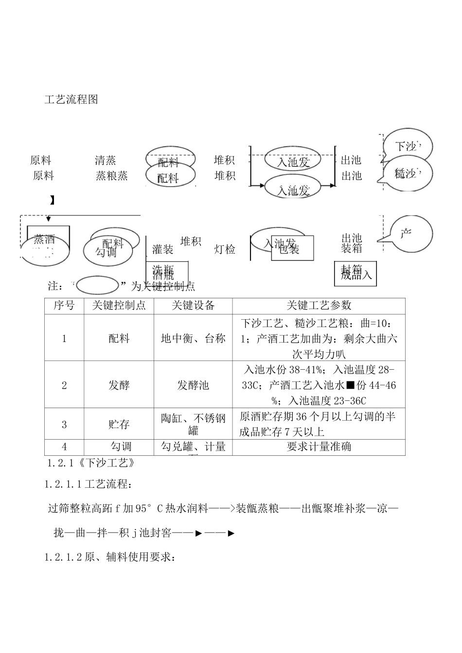
工艺流程图序号关键控制点关键设备关键工艺参数1配料地中衡、台称下沙工艺、糙沙工艺粮:曲=10:1;产酒工艺加曲为:剩余大曲六次平均力叭2发酵发酵池入池水份 38-41%;入池温度 28-33C;产酒工艺入池水■份 44-46%;入池温度 23-36C3贮存陶缸、不锈钢罐原酒贮存期 36 个月以上勾调的半成品贮存 7 天以上4勾调勾兑罐、计量泵要求计量准确1.2.1《下沙工艺》1.2.1.1 工艺流程:过筛整粒高跖 f 加 95°C 热水润料——>装甑蒸粮——出甑聚堆补浆—凉—拢—曲—拌—积 j 池封窖——►——►1.2.1.2 原、辅料使用要求:原料清蒸原料入池发蒸粮蒸配料堆积出池堆积出池入池发下沙糙沙】”为关注:“堆积灌装灯检产出池装箱1.2.1.、酱香型白酒生产第一次投料称为下沙。每甑投料 1200kg【根据本公司实际甑体容积立方米左右计算】。1.2.1.、原料要求:高粱颗粒饱满,过筛无壳,无虫蛀,无霉变,无异杂味,无污染。1.2.1.、投料数量:下沙为总投料量的 50%。1.2.1.、高温大曲要求:大曲粉碎面粉化,便于糖化发酵,装入标准袋内,下沙用曲用量为原料量的 10%。1.2.1.3 作业规程:每甑投高粱数量 1200kg。1.2.1.、泼水堆积a、将备好的高粱按每甑 1200kg 单独堆放。b、泼 95°C 以上的热水【称为发粮水】,泼水时从堆放的一边扒开小坑将 95°C 热水倒在里面,【注:不许泼开以防水温降低不利于高粱吸收并能使原料内的杂质、异味随水冲掉】。c、泼水时翻拌,每泼 1 次翻拌 3 次,并堆成圆锥,然后停留半小时再向粮堆的表面泼 6 水桶 95C 的热水。d、润料时间 12 小时,每 4 小时加 95C 的热水润粮 1 次,方法同第一次,共计加 95C 热水润料 3 次。e、上甑时翻拌不加水,翻拌后上甑蒸粮。1.2.1.、蒸粮【蒸生沙】大气压a、装甑前要将甑锅、底锅等用水刷洗干净后并在底锅内加入 3-4 桶水为使蒸气上气均匀】然后在甑篦上撒一层稻壳,防止原料掉进底锅。b、上甑采用见气撒料,在一小时内完成上甑工序,园气后蒸料 3 小时【随气压而定】,即可出甑,以不出现破粒、硬粒、发粘为主。c、每甑活接两篓冷却水以备出甑补水,或加曲时补水用。1.2.1. 、出甑摊凉出甑时用推车将蒸好的熟粮推到操作场上,倒成堆进行补 95°C 热水,每车以原粮计约 60-80kg,每堆补水 2kg 左右,聚好堆,堆积约 15 分钟左右后用掀摊开,然后脱鞋光脚趟凉。1.2.1. 、聚拢加曲翻拌将趟凉粮渣【温度 32-33C】聚拢,中间扒沟,适当加蒸粮冷...

1、当您付费下载文档后,您只拥有了使用权限,并不意味着购买了版权,文档只能用于自身使用,不得用于其他商业用途(如 [转卖]进行直接盈利或[编辑后售卖]进行间接盈利)。
2、本站所有内容均由合作方或网友上传,本站不对文档的完整性、权威性及其观点立场正确性做任何保证或承诺!文档内容仅供研究参考,付费前请自行鉴别。
3、如文档内容存在违规,或者侵犯商业秘密、侵犯著作权等,请点击“违规举报”。

碎片内容

酱香型白酒生产工艺流程图及关键控制点

您可能关注的文档

确认删除?
VIP
微信客服
  • 扫码咨询
会员Q群
  • 会员专属群点击这里加入QQ群
客服邮箱
回到顶部