电脑桌面
添加小米粒文库到电脑桌面
安装后可以在桌面快捷访问

蓝庭印象桩基施工方案

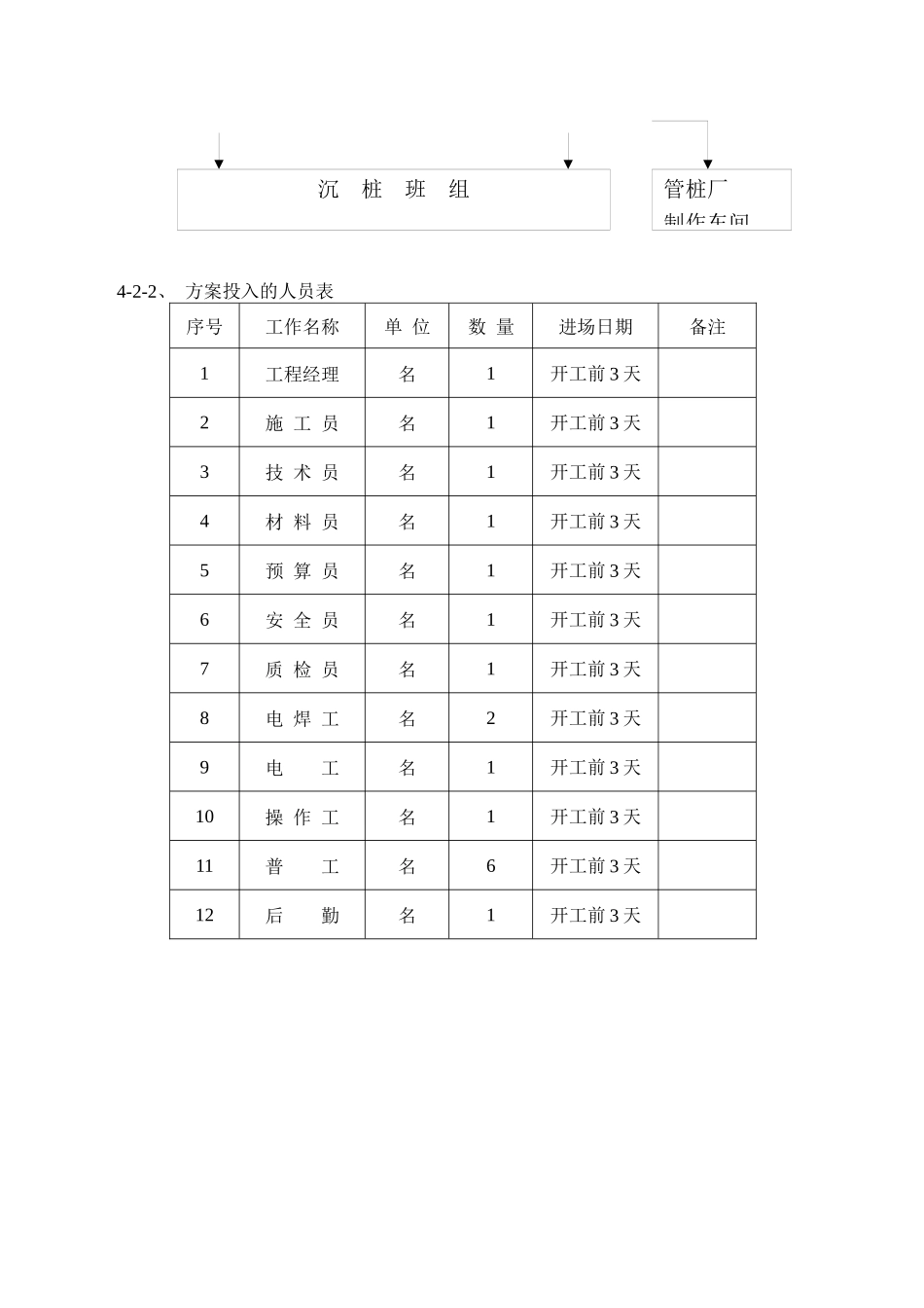
蓝庭印象桩基施工方案_第1页
1/11
蓝庭印象桩基施工方案_第2页
2/11
蓝庭印象桩基施工方案_第3页
3/11
一、编制依据1、淮安市蓝庭印象花园 12#、15#、16#楼桩基平面布置图2、淮安市蓝庭印象花园?岩土工程勘察报告〔详细勘察阶段〕?3、省结构构件标准图集?先张法预应力混凝土管桩?苏 G03-20244、建筑桩基技术标准 JGJ94-945、建筑地基根底工程施工质量验收标准 GB50202-20246、工程测量标准 GB50026-937、建筑机械使用平安技术规程 JGJ33-868、国家法律法规及强制性标准二、工程概况拟建的淮安市蓝庭印象花园,位于淮阴区樱花路与南昌路交汇处。该工程由淮安市建筑设计设计,勘探由江苏华信勘测设计勘察。设计采纳预应力管桩处理地基。淮安市蓝庭印象花园工程桩管桩型号为:高强预应力管桩 PHC500(125)AB 型,桩端持力层在 5 层细沙层,有效桩长 36 米,单桩竖向极限承载力标准值 4300KN。桩顶相对标高为 m。依据现场测量,场区自然地面相对标高约为:m。三、施工准备3-1、材料及主要机具3-1-1、在桩机进场前,满足三通一平,根据现场情况,个别区域地基土软弱,需提前用建筑垃圾回填,满足桩机所需地基承载力,保证现场道路通畅,确保桩机、管桩进场。3-1-2、为确保桩机顺利作业,在桩机施工区域四周挖排水沟和集水井,以保证及时将雨水及其他影响施工的集水排出场地。3-1-3、预制钢筋混凝土管桩规格质量必须符合设计要求和施工标准的规定,进场时需由监理在场组织验收,并有出厂合格证。3-1-4、焊丝〔接桩用〕:采纳新型二氧化碳保护焊焊接工艺。3-1-5、1 台锤击桩机 YZY-800T、水准仪、经纬仪、电焊机等。3-2、作业条件3-2-1、打桩前仔细熟悉工程地质情况及桩基设计要求,掌握桩基施工验收标准。3-2-2、桩基的轴线和标高均已测定完毕,并经过检查办了预检手续。桩基的轴线和高程的控制桩设置在不受打桩影响的地点,并妥善加以保护。3-2-3、处理完高空或地下障碍物,否那么应会同有关单位实行有效措施,予以处理。考虑到施工现场情况,应进行场地平整处理,并确保桩机所需地耐力能满足施工要求。 3-2-4、为确保桩机顺利作业,桩机进场正常施工时,施工区域四周设置排水沟及集水井 ,以保证及时将雨水及其它影响施工的集水排出场地。3-2-5、临时设施:安排一个占地约 25M2集装箱作为办公室、宿舍区、工具室。3-2-6、场地保证三通一平,由业主提供 380/220V 电力源,并根据平安施工标准要求,保证三级配电,两级保护。3-2-7、汇同甲方、设计、监理及有关单位进行设计图纸交底会审,做好会议交底记录。3-2-8、根据设计图纸、交底记...

1、当您付费下载文档后,您只拥有了使用权限,并不意味着购买了版权,文档只能用于自身使用,不得用于其他商业用途(如 [转卖]进行直接盈利或[编辑后售卖]进行间接盈利)。
2、本站所有内容均由合作方或网友上传,本站不对文档的完整性、权威性及其观点立场正确性做任何保证或承诺!文档内容仅供研究参考,付费前请自行鉴别。
3、如文档内容存在违规,或者侵犯商业秘密、侵犯著作权等,请点击“违规举报”。

碎片内容

蓝庭印象桩基施工方案

您可能关注的文档

确认删除?
VIP
微信客服
  • 扫码咨询
会员Q群
  • 会员专属群点击这里加入QQ群
客服邮箱
回到顶部