电脑桌面
添加小米粒文库到电脑桌面
安装后可以在桌面快捷访问

互感器局部放电试验作业指导书

互感器局部放电试验作业指导书_第1页
1/6
互感器局部放电试验作业指导书_第2页
2/6
互感器局部放电试验作业指导书_第3页
3/6
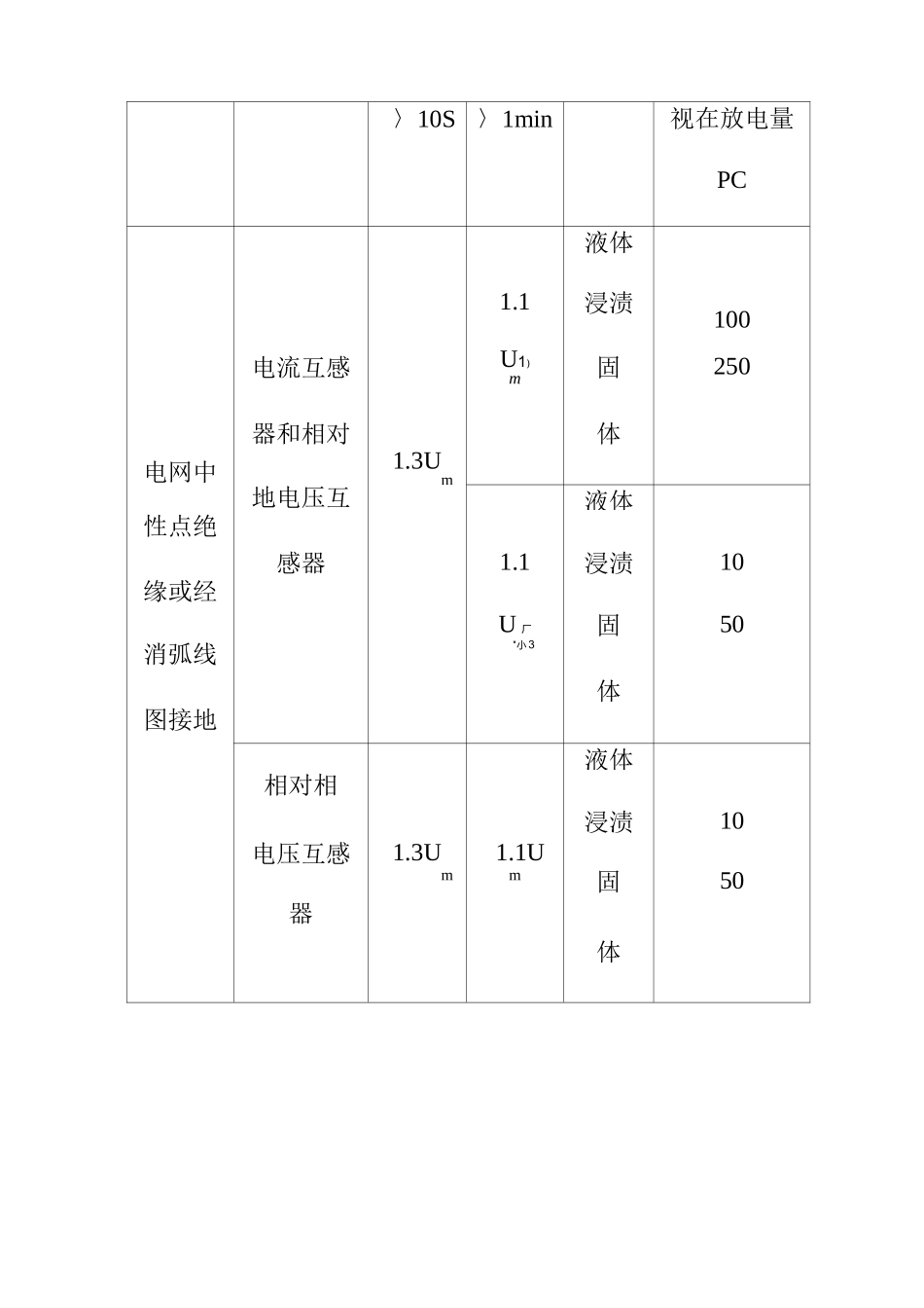
互感器局部放电试验作业指导书12・1 该项目适用范围电磁式电压互感器和电流互感器的交接、大修后试验12・2 试验时使用的仪器局部放电测量系统12.3 测量步骤图 12 互感器局部放电试验的原理接线(a)电流互感器;(b)电压互感器Ck一耦合电容器;C 一铁芯;Z 一测量阻抗;F—外壳;L]、L2一电流互感器一次绕组端子;K]、K2一电流互感器二次绕组端子;A、X 一电压互感器一次绕组端子;a、x 一电压互感器二次绕组端子试验接线:互感器局部放电试验原理接线,如图所Z 示 O电压互感器试验时,或点可任一点接地,当采用点接地时,、能接点就接点。不能接点则可接点(接地)。试验及标准:国家标准(互感器局部放电测量)关于仪用互感器局部放电允许水平,见下表。接地形互感器形预加电测量电绝缘允许局部放式式压压形式电水平〉10S〉1min视在放电量PC液体1.1浸渍100电流互感U1)m固250器和相对体电网中地电压互1.3Um液体性点绝感器1.1浸渍10缘或经U 厂固50消弧线"小 3体图接地液体相对相浸渍10电压互感1.3U1.1Umm固50器体电网中性点有效接地电流互感器和相对地电压互感器0.8X1.3Um1.1Um 賦液体浸渍固体1050相对相电压互感器1.3Um1.1Um液体浸渍固体1050注:)只在制造厂与买主间协商后,才能施加这些电压。为防止励磁电流过大,电压互感器试验的预加电压,可采用或其它合适的频率作为试验电源。试验应在不大于/,3测量电压下接通电源,然后按表规定进行测量,最后降到/-测量电压下。方能切除电源。3放电量的读取,以相对稳定的最高重复脉冲为准,偶尔发生的较高脉冲可以忽略,但应作好记录备查试验期间试品不击穿,测得视在放电量不超过允许的限值,则认为试验合格。现场试验的互感器连接成平衡回路的接线、如图•现场试验原则上应按上述标准与规定进行。但若受变电所现场客观条件的限制 认为必须要对运行中的互感器进行局部放电时、又无适当的电源设备、则推荐按以下方法进行。()电磁式电压互感器试验电压一般可用电压互感二次绕组自励磁产生,以杂散电容取代耦合电容器,其试验接线如图所示;外壳可并接在,也可直接接地。以的频率作为试验电源。在次级读取试验电压时,必须考虑试品的容升电压。容升电压的参考值,见下表。电压等级容升电压%%%当干扰影响测量时,可采用邻近相所示,被试互感器励磁,非被试互感器不励磁,以降低干扰。采用两组二次绕组串联励磁,以减小试验的励磁电流。试验标准(推荐值)如下:励磁方式:两组二次绕组...

1、当您付费下载文档后,您只拥有了使用权限,并不意味着购买了版权,文档只能用于自身使用,不得用于其他商业用途(如 [转卖]进行直接盈利或[编辑后售卖]进行间接盈利)。
2、本站所有内容均由合作方或网友上传,本站不对文档的完整性、权威性及其观点立场正确性做任何保证或承诺!文档内容仅供研究参考,付费前请自行鉴别。
3、如文档内容存在违规,或者侵犯商业秘密、侵犯著作权等,请点击“违规举报”。

碎片内容

互感器局部放电试验作业指导书

您可能关注的文档

wxg+ 关注
实名认证
内容提供者

该用户很懒,什么也没介绍

确认删除?
VIP
微信客服
  • 扫码咨询
会员Q群
  • 会员专属群点击这里加入QQ群
客服邮箱
回到顶部