电脑桌面
添加小米粒文库到电脑桌面
安装后可以在桌面快捷访问

预拌混凝土技术管理规定应用表格

预拌混凝土技术管理规定应用表格_第1页
1/57
预拌混凝土技术管理规定应用表格_第2页
2/57
预拌混凝土技术管理规定应用表格_第3页
3/57
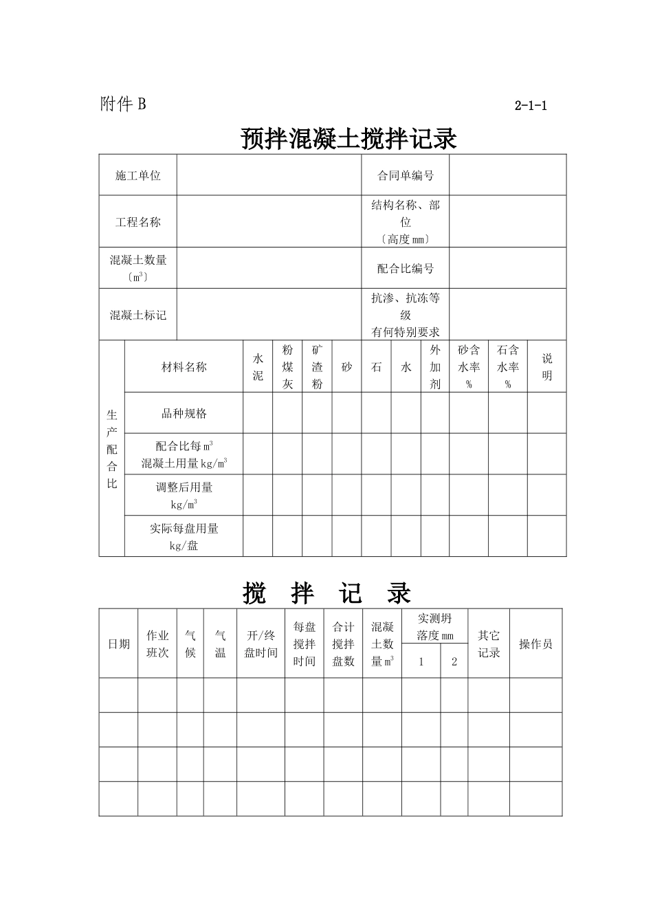
附件 B 2-1-1 预拌混凝土搅拌记录 施工单位合同单编号工程名称结构名称、部位〔高度 mm〕混凝土数量〔m3〕配合比编号混凝土标记抗渗、抗冻等级有何特别要求生产配合比材料名称水泥粉煤灰矿渣粉砂石水外加剂砂含水率%石含水率%说明品种规格配合比每 m3混凝土用量 kg/m3调整后用量kg/m3实际每盘用量kg/盘搅 拌 记 录日期作业班次气候气温开/终盘时间每盘搅拌时间合计搅拌盘数混凝土数量 m3实测坍落度 mm其它记录操作员122-1-2预拌混凝土操机人员交接班记录 20 年 月 日 星期 天气 温度〔高〕 ℃〔低〕 ℃序号内 容实 际 情 况一施工场地发车情况二混凝土搅拌情况三调度或其他领导的指示要求四其它需要说明的事情交接班时间: 时 分 交班人: 接班人:2-1-3预拌混凝土搅拌计量和搅拌时间抽查记录序号混凝土生产时间电子称计量混凝土搅拌运输车计量抽查表观密度Kg/m3原材料计量抽查〔采纳累计计量抽查〕搅拌时间抽查操作人抽查人原材料名称零点校核时间校核结果毛重Kg皮重Kg净重Kg表观密度折算值Kg/m3实测值计算值水泥砂石水附剂粉灰矿粉实测结果意见配合比要求时间〔S〕实测搅拌时间〔S〕实测搅拌时间〔S〕允许偏差〔%〕±1±2±2±1±1±1±1实测结果〔%〕注:电子称标定时间: 年 月 日 下次标定时间: 年 月 日2-1-4冬季施工预拌混凝土原材料测温记录 No:施工单位施工部位工程名称混凝土标记序号测温日期时间实 测 记 录 〔℃〕测 温记 录水水泥砂子石子外加剂掺合料大气温度01020304050607080910说明1、 气温每昼夜检测不少于 4 次;2、 原材料每班检测不少于 4 次;3、 水温宜控制在≤60℃,每班检测不少于 8 次;4、 必要时增加检测次数,并做好记录。2-1-4冬季施工预拌混凝土拌合物测温记录 No:施工单位施工部位工程名称混凝土标记序号测温日期时间实 测 记 录 〔℃〕测 温记 录搅拌车号出机温度入模温度大气温度0102030405060708091011121214151617181920说明1.大气温度每昼夜检测不少于 4 次;3检测 1 次,每班不少于 4 次;3.出机温度控制在≥10℃,入模温度≥5℃;4.必要时增加检测次数,并做好记录。2-1-5机械设备维修保养记录编号:设备名称设备规格型号设备编号设备出厂日期使用部门维修保养日期维修保养记录维修保养人:年 月 日验收意见验收人:年 月 日2-1-6预拌混凝土出厂检验记录检验编号: 检验日期: 年 月 日委托单位工程名称使用部位混凝土标记水...

1、当您付费下载文档后,您只拥有了使用权限,并不意味着购买了版权,文档只能用于自身使用,不得用于其他商业用途(如 [转卖]进行直接盈利或[编辑后售卖]进行间接盈利)。
2、本站所有内容均由合作方或网友上传,本站不对文档的完整性、权威性及其观点立场正确性做任何保证或承诺!文档内容仅供研究参考,付费前请自行鉴别。
3、如文档内容存在违规,或者侵犯商业秘密、侵犯著作权等,请点击“违规举报”。

碎片内容

预拌混凝土技术管理规定应用表格

您可能关注的文档

确认删除?
VIP
微信客服
  • 扫码咨询
会员Q群
  • 会员专属群点击这里加入QQ群
客服邮箱
回到顶部