电脑桌面
添加小米粒文库到电脑桌面
安装后可以在桌面快捷访问

二次砌筑首件工程验收方案

二次砌筑首件工程验收方案_第1页
1/7
二次砌筑首件工程验收方案_第2页
2/7
二次砌筑首件工程验收方案_第3页
3/7
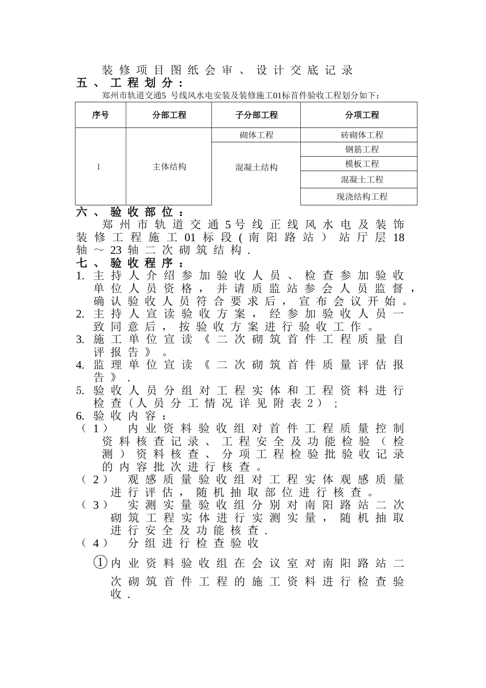
郑 州 市 轨 道 交 通 5 号 线 正 线风 水 电 安 装 及 装 修 工 程 施 工 01标 段二 次 砌 筑 首 件 工 程 验 收 方 案中 煤 科 工 集 团 北 京 华 宇 工 程 有 限 公 司2024年 12 月 25 日二 次 砌 筑 首 件 工 程 验 收 方 案一 、 验 收 时 间 : 2024 年 12 月 25 日二 、 验 收 地 点 : 风 水 电 01 标 ( 中 铁 四 局 ) 项 目部 会 议 室三 、 参 加 验 收 单 位 :郑 州 市 轨 道 交 通 有 限 公 司中 铁 第 四 勘 察 设 计 院 集 团 有 限 公 司中 铁 二 院 工 程 集 团 有 限 责 任 公 司中 煤 科 工 集 团 北 京 华 宇 工 程 有 限 公 司中 铁 四 局 集 团 有 限 公 司邀 请 监 督 单 位 : 郑 州 市 工 程 质 量 监 督 站主 持 人 : 张 世 民四 、 验 收 依 据 :1. 郑 州 市 轨 道 交 通 5 号 线 风 水 电 安 装 及 装 修施 工 01 标 合 同 。2. 《 砌 体 工 程 质 量 验 收 法 律 规 范 》 (GB50203—2024)3. 《 砖 墙 建 筑 构 造 》 ( 15J101)4. 《 建 筑 物 抗 震 构 造 详 图 》 ( G329-1 ~ 6 )5. 《 砌 体 填 充 墙 结 构 构 造 》 ( 12G614-1 ) 6. 《 钢 筋 混 凝 土 过 梁 》 ( 12G614—1 )7. 《 混 凝 土 结 构 工 程 施 工 质 量 验 收 法 律 规范 》 ( GB50204-2024)8. 《 建 筑 工 程 施 工 质 量 验 收 统 一 标 准 》( GB50300-2024)9. 《 郑 州 市 轨 道 交 通 工 程 质 量 验 收 细 则 》 郑轨 文 [ 2024]65 号10. 郑 州 市 轨 道 交 通 5 号 线 正 线 风 水 电 安 装 及装 修 项 目 施 工 图 纸11. 郑 州 市 轨 道 交 通 5 号 线 正 线 风 水 电 安 装 及装 修 项 目 图 纸 会 审 、 设 计 交 底 记 录五 、 工 程 划 分 :郑州市轨道交通5 号线风水电安装及装修施工01标首件验收工程划分如下:序号分部工程子分部工程分项工程1主体结构砌体工程砖砌体工程混凝土结构钢筋工程模板工程混凝土工程现浇结构工程六 、 验 收 部 位 :郑 州 市 轨 道 交 ...

1、当您付费下载文档后,您只拥有了使用权限,并不意味着购买了版权,文档只能用于自身使用,不得用于其他商业用途(如 [转卖]进行直接盈利或[编辑后售卖]进行间接盈利)。
2、本站所有内容均由合作方或网友上传,本站不对文档的完整性、权威性及其观点立场正确性做任何保证或承诺!文档内容仅供研究参考,付费前请自行鉴别。
3、如文档内容存在违规,或者侵犯商业秘密、侵犯著作权等,请点击“违规举报”。

碎片内容

二次砌筑首件工程验收方案

一二三四传媒+ 关注
实名认证
内容提供者

大量资料供您选择,没有合适的可以联系小二。

相关文档

确认删除?
VIP
微信客服
  • 扫码咨询
会员Q群
  • 会员专属群点击这里加入QQ群
客服邮箱
回到顶部