电脑桌面
添加小米粒文库到电脑桌面
安装后可以在桌面快捷访问

二灰碎石试验段施工方案

二灰碎石试验段施工方案_第1页
1/21
二灰碎石试验段施工方案_第2页
2/21
二灰碎石试验段施工方案_第3页
3/21
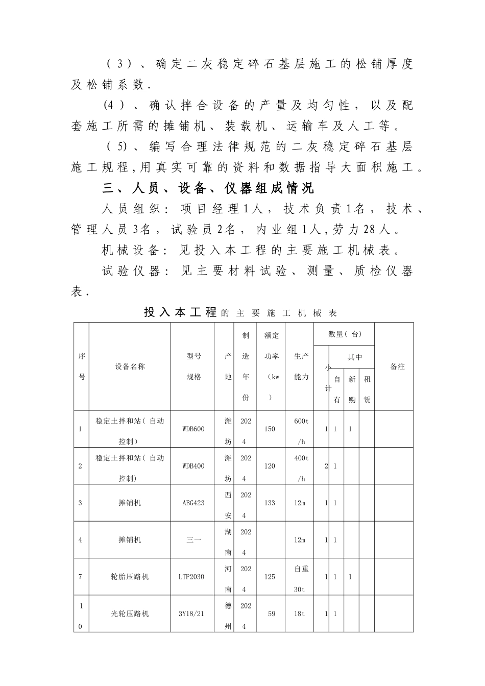
S224大沂线鄌郚至蒋峪段大修工程二灰碎石施工方案潍 坊 永 昌 路 桥 工 程 有 限 公 司二 〇 一 三 年 五 月 八 日S224大 沂 线 鄌 郚 至 蒋 峪 段 大 修 工 程二 灰 碎 石 施 工 方 案一 、 工 程 概 况S224 大 沂 线 鄌 郚 至 蒋 峪 段 大 修 工 程 二 合 同 起 于昌 乐 临 朐 界 , 止 于 蒋 峪 , 起 点 桩 号 为 K107+710 , 终 点桩 号 为 K112+063 , 本 次 大 修 段 全 长 4.353公 里 。本 工 程 工 作 范 围 为 水 泥 稳 定 土 底 基 层 、 二 灰 稳定 碎 石 基 层 、 沥 青 混 凝 土 面 层 等 , 并 完 善 相 应 交 通工 程 及 沿 线 设 施二 灰 稳 定 碎 石 基 层 工 程 量 约 11.9 千 平 方 .本 次 试验 段 施 工 约 0。 58 千 平 方 。二 、 水 泥 稳 定 风 化 砂 底 基 层 试 验 段 目 的( 1) 、 通 过 试 验 段 的 施 工 得 到 二 灰 稳 定 碎 石 基层 施 工 压 实 机 械 最 佳 组 合 方 式 , 碾 压 段 长 度 、 碾 压遍 数 及 碾 压 速 度 .(2 ) 、 验 证 试 验 最 大 干 密 度 及 最 佳 含 水 量 ,以 及施 工 时 最 佳 含 水 量 的 调 整 范 围 。( 3) 、 确 定 二 灰 稳 定 碎 石 基 层 施 工 的 松 铺 厚 度及 松 铺 系 数 .(4 ) 、 确 认 拌 合 设 备 的 产 量 及 均 匀 性 , 以 及 配套 施 工 所 需 的 摊 铺 机 、 装 载 机 、 运 输 车 及 人 工 等 。( 5) 、 编 写 合 理 法 律 规 范 的 二 灰 稳 定 碎 石 基 层施 工 规 程 ,用 真 实 可 靠 的 资 料 和 数 据 指 导 大 面 积 施 工 。三 、 人 员 、 设 备 、 仪 器 组 成 情 况人 员 组 织 : 项 目 经 理 1 人 , 技 术 负 责 1 名 , 技 术 、管 理 人 员 3名 , 试 验 员 2名 , 内 业 组 1人 ,劳 力 28 人 。机 械 设 备 : 见 投 入 本 工 程 的 主 要 施 工 机 械 表 。试 验 仪 器 : 见 主 要 材 料 试 验 、 测 量 、 质 检 仪 器表 .投 入 本 工 程 ...

1、当您付费下载文档后,您只拥有了使用权限,并不意味着购买了版权,文档只能用于自身使用,不得用于其他商业用途(如 [转卖]进行直接盈利或[编辑后售卖]进行间接盈利)。
2、本站所有内容均由合作方或网友上传,本站不对文档的完整性、权威性及其观点立场正确性做任何保证或承诺!文档内容仅供研究参考,付费前请自行鉴别。
3、如文档内容存在违规,或者侵犯商业秘密、侵犯著作权等,请点击“违规举报”。

碎片内容

二灰碎石试验段施工方案

您可能关注的文档

确认删除?
VIP
微信客服
  • 扫码咨询
会员Q群
  • 会员专属群点击这里加入QQ群
客服邮箱
回到顶部