电脑桌面
添加小米粒文库到电脑桌面
安装后可以在桌面快捷访问

基于51单片机的步进电机控制-设计报告及源程序

基于51单片机的步进电机控制-设计报告及源程序_第1页
1/12
基于51单片机的步进电机控制-设计报告及源程序_第2页
2/12
基于51单片机的步进电机控制-设计报告及源程序_第3页
3/12
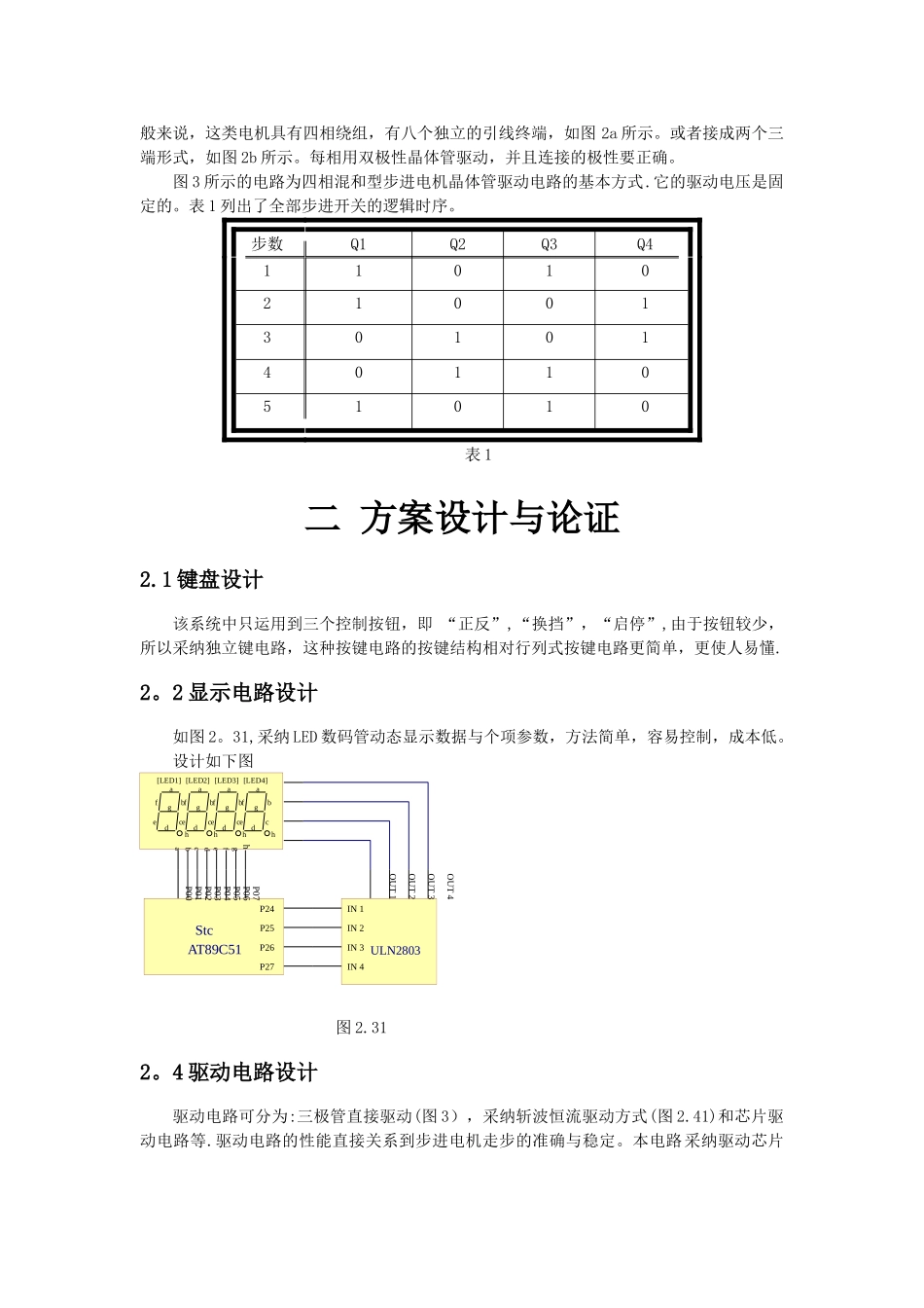
南京 XX 大学指导老师:张 X课 程 设 计基于 51 单片机的步进电机控制机械电子工程学院测控技术与仪器XXXXXXxx2024 年 1 年 4 日步进电机控制系统[摘要]本课程设计的内容是利用 51 单片机,达到控制步进电机的启动、停止、正转、反转、两档速度和状态显示的目的,使步进电机控制更加灵活。步进电机驱动芯片采纳 ULN2803,ULN2803 具有大电流、高电压,外电路简单等优点.利用四位数码管增设电机状态显示功能,各项数据更直观。实测结果表明,该控制系统达到了设计的要求。关键字:步进电机、数码管、51 单片机、ULN2803一 步进电机与驱动电路1.1 什么是步进电机 步进电机是一种将电脉冲转化为角位移的执行机构。通俗一点讲:当步进驱动器接收到一个脉冲信号,它就驱动步进电机按设定的方向转动一个固定的角度(及步进角)。可以通过控制脉冲个数来控制角位移量,从而达到准确定位的目的;同时也可以通过控制脉冲频率来控制电机转动的速度和加速度,从而达到调速的目的.1。2 步进电机的种类步进电机分永磁式(PM)、反应式(VR)、和混合式(HB)三种。永磁式步进一般为两相,转矩和体积较小,步进角一般为 7。5 度 或 15 度;反应式步进一般为三相,可实现大转矩输出,步进角一般为 1。5 度,但噪声和振动都很大.在欧美等发达国家 80 年代已被淘汰;混合式步进是指混合了永磁式和反应式的优点。它又分为两相和五相:两相步进角一般为1。8 度而五相步进角一般为 0。72 度。这种步进电机的应用最为广泛。1。3 步进电机的特点1.精度高 一般的步进电机的精度为步进角的 3—5%,且不累积。可在宽广的频率范围内通过改变脉冲频率来实现调速,快速起停、正反 转控制及制动等,这是步进电动机最突出的优点2.过载性好其转速不受负载大小的影响,不像普通电机,当负载加大时就会出现速度下降的情况,所以步进电机使用在对速度和位置都有严格要求的场合;3.控制方便步进电机是以“步”为单位旋转的,数字特征比较明显,这样就给计算机控制带来了很大的方便,反过来,计算机的出现也为步进电机开辟了更为宽阔的使用市场;4.整机结构简单传统的机械速度和位置控制结构比较复杂,调整困难,使用步进电机后,使得整机的结构变得简单和紧凑。1.4 步进电机的原理图 1 是一种四相可变磁阻型的步进电机结构示意图.这种电机定子上有八个凸齿,每一个齿上有一个线圈.线圈绕组的连接方式,是对称齿上的两个线圈进行反相连接,如图中所...

1、当您付费下载文档后,您只拥有了使用权限,并不意味着购买了版权,文档只能用于自身使用,不得用于其他商业用途(如 [转卖]进行直接盈利或[编辑后售卖]进行间接盈利)。
2、本站所有内容均由合作方或网友上传,本站不对文档的完整性、权威性及其观点立场正确性做任何保证或承诺!文档内容仅供研究参考,付费前请自行鉴别。
3、如文档内容存在违规,或者侵犯商业秘密、侵犯著作权等,请点击“违规举报”。

碎片内容

基于51单片机的步进电机控制-设计报告及源程序

您可能关注的文档

确认删除?
VIP
微信客服
  • 扫码咨询
会员Q群
  • 会员专属群点击这里加入QQ群
客服邮箱
回到顶部