电脑桌面
添加小米粒文库到电脑桌面
安装后可以在桌面快捷访问

自动扶梯验收记录

自动扶梯验收记录_第1页
1/10
自动扶梯验收记录_第2页
2/10
自动扶梯验收记录_第3页
3/10
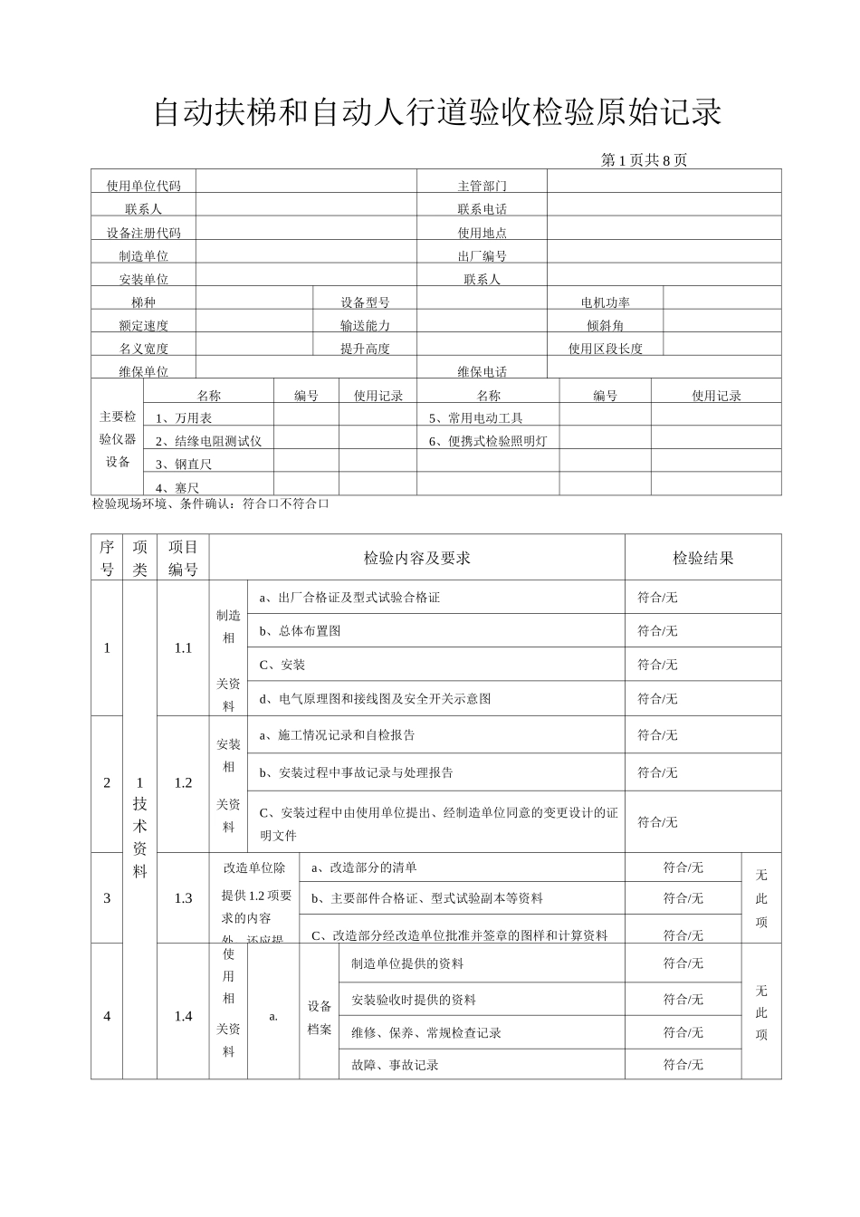
自动扶梯和自动人行道验收检验原始记录注册代码使用单位检验机构检验日期阳泉市特种设备监督检验所一、本原始记录适用于自动扶梯和自动人行道验收检验及改造(大修)检验。二、本原始记录的检验内容、要求、方法及检测规则均应遵守国家质量监督检疫总局制订的《自动扶梯和自动人行道监督检验规则》的各项规定。三、本原始记录所列项目、序号、检验内容、实测等格式完全对应国家质量监督检验检疫总局制订的《自动扶梯和自动人行道监督检验规程》中的自动扶梯和自动人行道验收检验报告,并按照其说明进行检验。四、实施现场检验时应具备下列检验条件:1、环境空气温、湿度应保持在自动扶梯和自动人行道正常运行所允许的范围内;2、电网输入电压应正常,电压波动应在额定电压值±7%的范围内;3、环境空气中不应含有腐蚀性和易燃性气体及导电尘埃;4、检验现场(主要指驱动站和转向站)应整洁,不应有与自动扶梯和自动人行道工作无关的物品和设施,相关现场应放置表明正在进行检验的警示牌;五、检验所用仪器、设备应完好且在计量检定有效期内。六、现场检验过程中,检验人员应当详细记录检测情况及检验结果。七、检验结果栏中用“V”划出相应的实测结果。八、凡带“*”项为重要项。九、原始记录一律用钢笔或碳素笔填写,不得涂改。确需要更正时,应在原错误处划删除线“—”并签章或由检验员签字,在上方书写正确内容。十、原始记录应当有检验日期及检验人员、校核人员签字。十一、本记录的所测数据和结论均是在检验状态下得出,检测结论只对检验时的设备状态负责。自动扶梯和自动人行道验收检验原始记录第 1 页共 8 页使用单位代码主管部门联系人联系电话设备注册代码使用地点制造单位出厂编号安装单位联系人梯种设备型号电机功率额定速度输送能力倾斜角名义宽度提升高度使用区段长度维保单位维保电话主要检验仪器设备名称编号使用记录名称编号使用记录1、万用表5、常用电动工具2、结缘电阻测试仪6、便携式检验照明灯3、钢直尺4、塞尺检验现场环境、条件确认:符合口不符合口序号项类项目编号检验内容及要求检验结果制造相a、出厂合格证及型式试验合格证符合/无11.1b、总体布置图符合/无关资料C、安装符合/无d、电气原理图和接线图及安全开关示意图符合/无安装相a、施工情况记录和自检报告符合/无211.2b、安装过程中事故记录与处理报告符合/无技术资料关资料C、安装过程中由使用单位提出、经制造单位同意的变更设计的证明文件符合/无改造单位除a、...

1、当您付费下载文档后,您只拥有了使用权限,并不意味着购买了版权,文档只能用于自身使用,不得用于其他商业用途(如 [转卖]进行直接盈利或[编辑后售卖]进行间接盈利)。
2、本站所有内容均由合作方或网友上传,本站不对文档的完整性、权威性及其观点立场正确性做任何保证或承诺!文档内容仅供研究参考,付费前请自行鉴别。
3、如文档内容存在违规,或者侵犯商业秘密、侵犯著作权等,请点击“违规举报”。

碎片内容

自动扶梯验收记录

确认删除?
VIP
微信客服
  • 扫码咨询
会员Q群
  • 会员专属群点击这里加入QQ群
客服邮箱
回到顶部