电脑桌面
添加小米粒文库到电脑桌面
安装后可以在桌面快捷访问

基础轴线、基槽、定位记录表

基础轴线、基槽、定位记录表_第1页
1/10
基础轴线、基槽、定位记录表_第2页
2/10
基础轴线、基槽、定位记录表_第3页
3/10
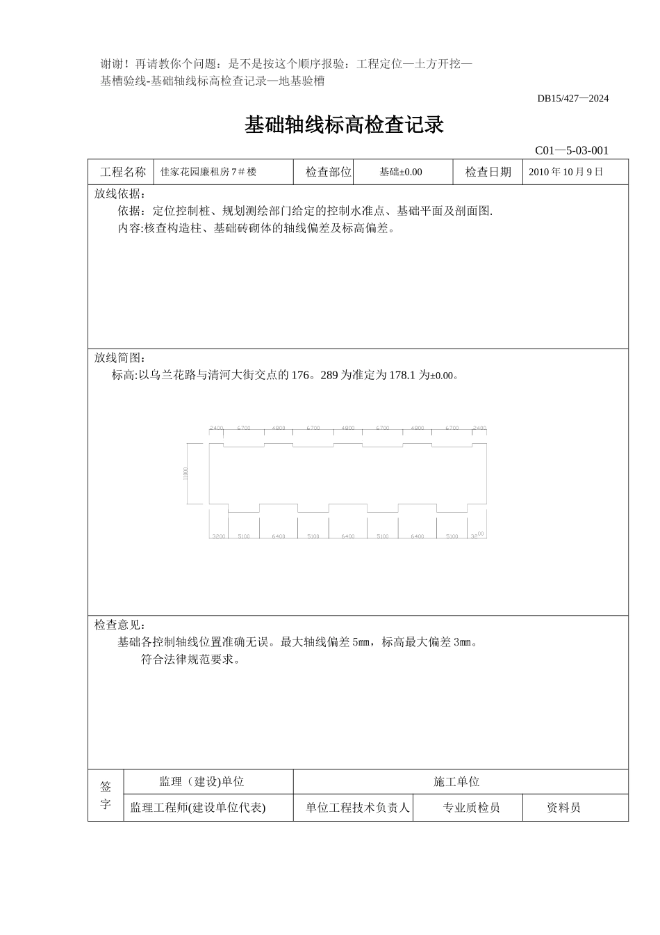
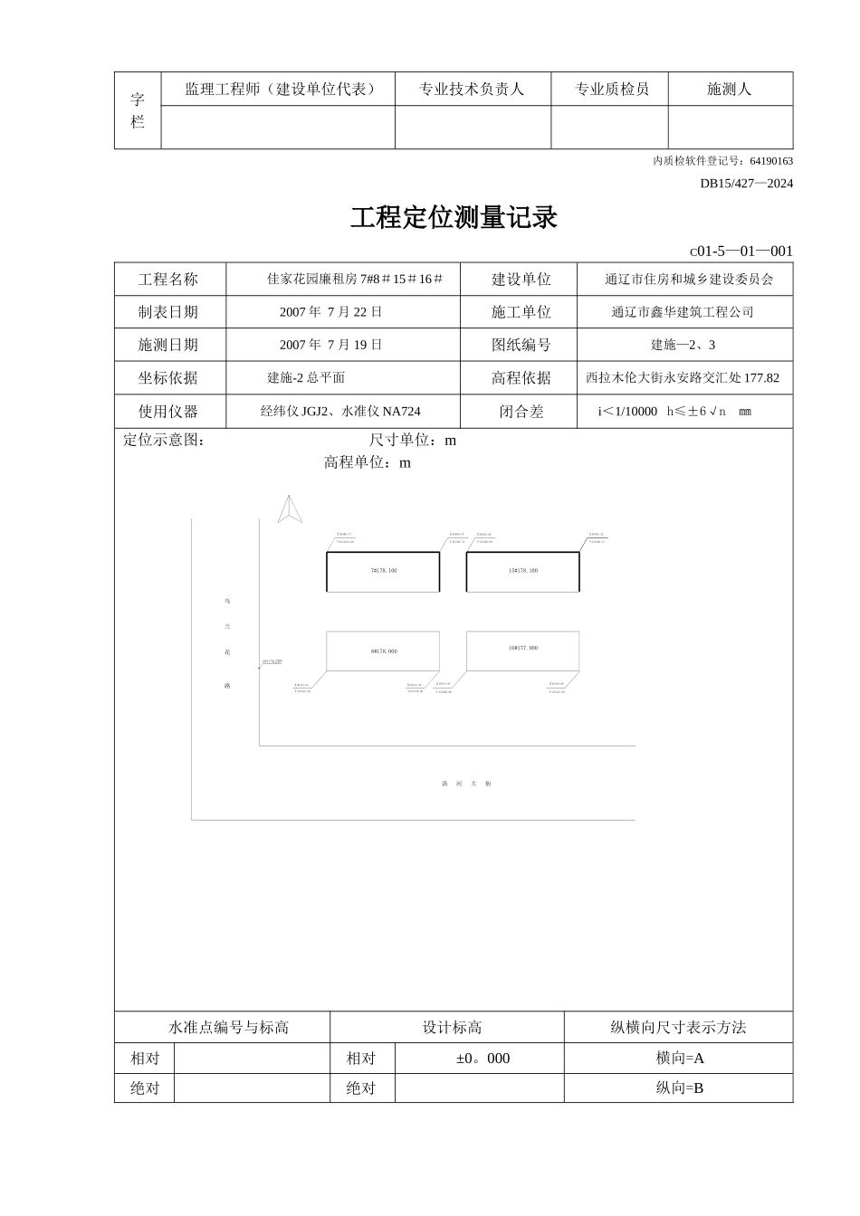
谢谢!再请教你个问题:是不是按这个顺序报验:工程定位—土方开挖—基槽验线-基础轴线标高检查记录—地基验槽DB15/427—2024基础轴线标高检查记录C01—5-03-001工程名称佳家花园廉租房 7#楼检查部位基础±0.00检查日期2010 年 10 月 9 日放线依据: 依据:定位控制桩、规划测绘部门给定的控制水准点、基础平面及剖面图. 内容:核查构造柱、基础砖砌体的轴线偏差及标高偏差。放线简图: 标高:以乌兰花路与清河大街交点的 176。289 为准定为 178.1 为±0.00。检查意见: 基础各控制轴线位置准确无误。最大轴线偏差 5㎜,标高最大偏差 3㎜。 符合法律规范要求。签字监理(建设)单位施工单位监理工程师(建设单位代表)单位工程技术负责人专业质检员资料员栏内质检软件登记号:64190163DB15/427-2024基槽验线记录C01—5-02—001工程名称佳家花园廉租房 16#楼日期2010 年 10 月 8 日验线依据及内容:依据:(1)定位控制桩。(2)规划测绘部门给定的高程控制水准点。(3)基础平面、剖面图。 内容:校核基底外轮廓线、控制轴线;检查基底标高;复核地下室集水坑位置 及坑底标高。基槽平面、剖面简图:○○ 1265 50050 1265 31015○ 10同同甘共苦○1015 -2。300 500 915(1165)○检查意见:基底外轮廓线位置及基础控制轴线最大偏差+3㎜.符合法律规范要求。 基底标高最大偏差+6㎜。符合法律规范要求。签监理(建设)单位施工测量单位字栏监理工程师(建设单位代表)专业技术负责人专业质检员施测人内质检软件登记号:64190163DB15/427—2024工程定位测量记录C01-5—01—001工程名称佳家花园廉租房 7#8#15#16#建设单位通辽市住房和城乡建设委员会制表日期2007 年 7 月 22 日施工单位通辽市鑫华建筑工程公司施测日期2007 年 7 月 19 日图纸编号建施—2、3坐标依据 建施-2 总平面高程依据西拉木伦大街永安路交汇处 177.82使用仪器经纬仪 JGJ2、水准仪 NA724闭合差i<1/10000 h≤±6√n ㎜定位示意图: 尺寸单位:m 高程单位:m水准点编号与标高设计标高纵横向尺寸表示方法相对相对±0。000横向=A绝对绝对纵向=B清 河 大 街乌兰花路高程36488.70437367.714373214.0936486.77437380.0936493.2936495.22437426.7136439.06437417.8836433.58437370.00437323.3836431.65437382.9836434.857#178.1008#178.00015#178.10016#177.900 监理工程师: 技术负责人: 抄测人: (建设单位项目负责人) 施工...

1、当您付费下载文档后,您只拥有了使用权限,并不意味着购买了版权,文档只能用于自身使用,不得用于其他商业用途(如 [转卖]进行直接盈利或[编辑后售卖]进行间接盈利)。
2、本站所有内容均由合作方或网友上传,本站不对文档的完整性、权威性及其观点立场正确性做任何保证或承诺!文档内容仅供研究参考,付费前请自行鉴别。
3、如文档内容存在违规,或者侵犯商业秘密、侵犯著作权等,请点击“违规举报”。

碎片内容

基础轴线、基槽、定位记录表

您可能关注的文档

确认删除?
VIP
微信客服
  • 扫码咨询
会员Q群
  • 会员专属群点击这里加入QQ群
客服邮箱
回到顶部