电脑桌面
添加小米粒文库到电脑桌面
安装后可以在桌面快捷访问

塑料排水板施工方案

塑料排水板施工方案_第1页
1/11
塑料排水板施工方案_第2页
2/11
塑料排水板施工方案_第3页
3/11
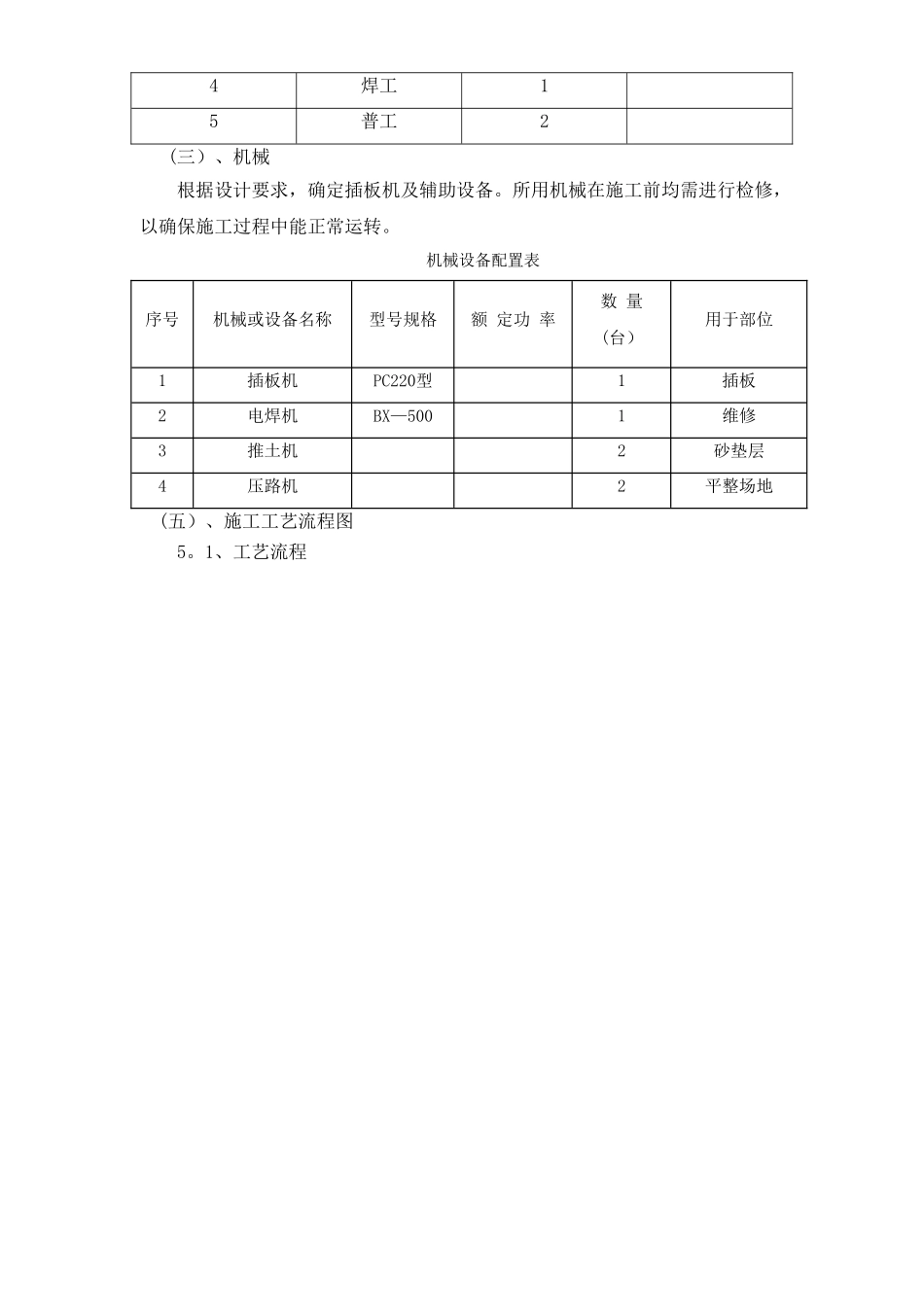
塑料排水板专项施工方案一、 工程概况1、地理位置:洪湖至监利高速公路是湖北省 “十二五” 规划的 “七纵五横三环”高速公路网的重要组成部分。该项目的建设对于促进两湖平原经济沟通、推动区域经济一体化进展,建设鄂中地区纵向新通道,促进沿线城市群交通进展,加快荆州地区经济进展,推动湖北“壮腰工程",促进影响区内港口建设,进展区域综合运输体系,提高长江中下游防洪减灾能力等方面有着重要意义。洪湖至监利高速公路划分三个施工合同段。本施工合同段起于洪湖市新滩白斧池村,设新滩互通、大同互通与汉洪公路相连。路线全长 26.000 Km。沿线经过的主要行政村有:洪湖新滩镇白斧池村、胡家湾村、蔬菜村、东湖村、经过磁器湖养殖场到坪北村,进入大同湖管理区境,途经永福村、姚湾村,进入瓦子湾办事处、,经过大沙湖管理区境到老湾乡鑫隆村.本合同段分三个工区,本部属三工区,起于 K18+717 止于本合同段末 K26+000.2、地质条件:本项目位于扬子准地台两湖断坳,东西分别为江汉断陷和华容断隆两个三级构造单元,其中又以洪湖市为界分别为陈沱口地堑和沔阳凹陷两个四级构造单元。洪湖断裂为区内一条规模较大的隐伏断裂,北向沙湖延伸,向南与湘阴—-岳阳断裂相连,控制两湖断坳的东部边界,西部为白垩-—第三纪强沉降区;洪湖南,沿断裂有玄武岩分布,第四纪时期继承性明显,地貌反映东部丘陵、西部平原分界;西侧为全新统分布区,东部为上更新统分布区。该断裂力学性质以压剪性为主,局部出现张裂性特征。地表水主要有沟渠和鱼塘水,地下水稳定,水位埋深较浅,因地形环境不同,钻探时实测水位埋深一般约 0.91—3。1m。地下水类型主要为第四系松散层孔隙水,含水岩组为粉砂、细砂、粗砂层,含水层具承压性,地下水连通性和透水性强,水量较丰富,富水程中等,不良地质主要表现为软土地基.主要为流塑状淤泥和软塑一流塑状淤泥质土,具有含水量高、高孔隙性、低渗透性、高压缩性、低抗剪强度、较显著的触变性和蠕变性等不良特点,对混凝土结构及混凝土结构中的钢筋有微腐蚀性,对钢结构具弱腐蚀性。项目软土地基设计在考虑软土的实际情况,比如软土的分布范围、厚度,路堤高度,所处位置(桥头、涵洞、通道、一般路堤)及工程工期等各方面因素的基础上,不同的地段实行不同的加固措施。根据各路段路基及桥涵构造物允许工后剩余沉降的设计原则,主要推举采纳排水固结方案对软基予以处理.我工区共有塑料排水板数量为 623983m,间距为 1。3m,桩长...

1、当您付费下载文档后,您只拥有了使用权限,并不意味着购买了版权,文档只能用于自身使用,不得用于其他商业用途(如 [转卖]进行直接盈利或[编辑后售卖]进行间接盈利)。
2、本站所有内容均由合作方或网友上传,本站不对文档的完整性、权威性及其观点立场正确性做任何保证或承诺!文档内容仅供研究参考,付费前请自行鉴别。
3、如文档内容存在违规,或者侵犯商业秘密、侵犯著作权等,请点击“违规举报”。

碎片内容

塑料排水板施工方案

确认删除?
VIP
微信客服
  • 扫码咨询
会员Q群
  • 会员专属群点击这里加入QQ群
客服邮箱
回到顶部