电脑桌面
添加小米粒文库到电脑桌面
安装后可以在桌面快捷访问

大庆油田工程建设有限公司综合管理技术管理模块操作说明

大庆油田工程建设有限公司综合管理技术管理模块操作说明_第1页
1/6
大庆油田工程建设有限公司综合管理技术管理模块操作说明_第2页
2/6
大庆油田工程建设有限公司综合管理技术管理模块操作说明_第3页
3/6
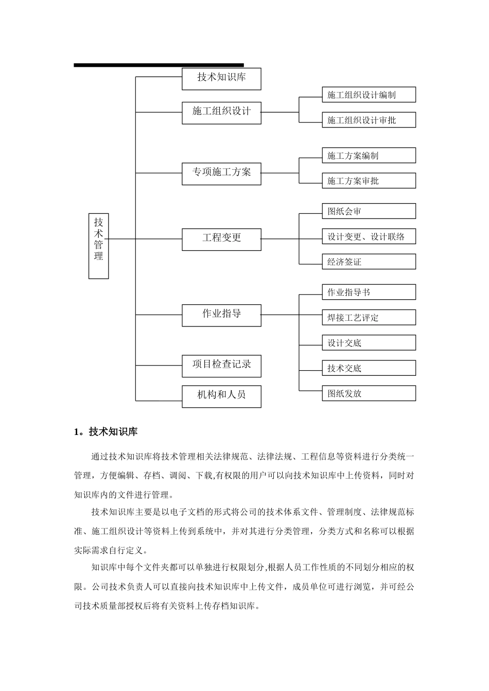
技术管理模块操作指南业务模块描述技术管理模块共分为七部分,其中包括:1、技术知识库科技创新成果、施工组织设计、施工方案、工法论文、施工标准法律规范和相关资料2、施工组织设计设计编制、设计审批3、专项施工方案专项施工措施、季节性施工措施、特别过程施工措施和项目试运行方案等的编制与审批4、工程变更图纸会审、设计变更、技术联络及经济签证5、作业指导作业指导书、焊接工艺评定、设计交底、技术交底、图纸发放6、技术检查项目检查记录、上级检查反馈7、项目技术人员。项目技术人员、项目岗位设定、项目技术管理组织机构图、岗位职责与权限、技术人员信息库业务模块结构1。技术知识库通过技术知识库将技术管理相关法律规范、法律法规、工程信息等资料进行分类统一管理,方便编辑、存档、调阅、下载,有权限的用户可以向技术知识库中上传资料,同时对知识库内的文件进行管理。技术知识库主要是以电子文档的形式将公司的技术体系文件、管理制度、法律规范标准、施工组织设计等资料上传到系统中,并对其进行分类管理,分类方式和名称可以根据实际需求自行定义。知识库中每个文件夹都可以单独进行权限划分,根据人员工作性质的不同划分相应的权限。公司技术负责人可以直接向技术知识库中上传文件,成员单位可进行浏览,并可经公司技术质量部授权后将有关资料上传存档知识库。技术知识库技术管理施工组织设计编制施工组织设计专项施工方案工程变更作业指导项目检查记录机构和人员施工组织设计审批施工方案编制施工方案审批图纸会审设计变更、设计联络经济签证作业指导书焊接工艺评定设计交底技术交底图纸发放2.施工组织设计 施工组织设计包括:施工组织设计编制、施工组织设计审批。2。1 施工组织设计编制工程处相关人员根据项目实际情况参照《公司施工组织设计编制指南》进行施工组织设计编制,施工组织设计以附件形式上传到相应项目下,发送给相关负责人进行逐级审批。2.2 施工组织设计审批相关负责人对工程处编制的项目施工组织设计进行审批,审批流程可以根据实际需要自由设置,审批过程中可以填写审批意见,假如审批不通过可以直接退回到方案编制人员,由方案编制人员修正后,发送给相关负责人重新审核。施工组织设计审批全部通过后,可以选择直接归档到技术知识库里面相应分类的文件夹中,技术知识库中施工组织设计可以根据专业进行分类存储,逐步积累文档形成资料库。有权限的用户可以查阅知识库中的文档,工程处在编制工程的施工组织设计...

1、当您付费下载文档后,您只拥有了使用权限,并不意味着购买了版权,文档只能用于自身使用,不得用于其他商业用途(如 [转卖]进行直接盈利或[编辑后售卖]进行间接盈利)。
2、本站所有内容均由合作方或网友上传,本站不对文档的完整性、权威性及其观点立场正确性做任何保证或承诺!文档内容仅供研究参考,付费前请自行鉴别。
3、如文档内容存在违规,或者侵犯商业秘密、侵犯著作权等,请点击“违规举报”。

碎片内容

大庆油田工程建设有限公司综合管理技术管理模块操作说明

元素商铺+ 关注
实名认证
内容提供者

欢迎挑选合适的文档

确认删除?
VIP
微信客服
  • 扫码咨询
会员Q群
  • 会员专属群点击这里加入QQ群
客服邮箱
回到顶部