电脑桌面
添加小米粒文库到电脑桌面
安装后可以在桌面快捷访问

安全阀的分类

安全阀的分类_第1页
1/5
安全阀的分类_第2页
2/5
安全阀的分类_第3页
3/5
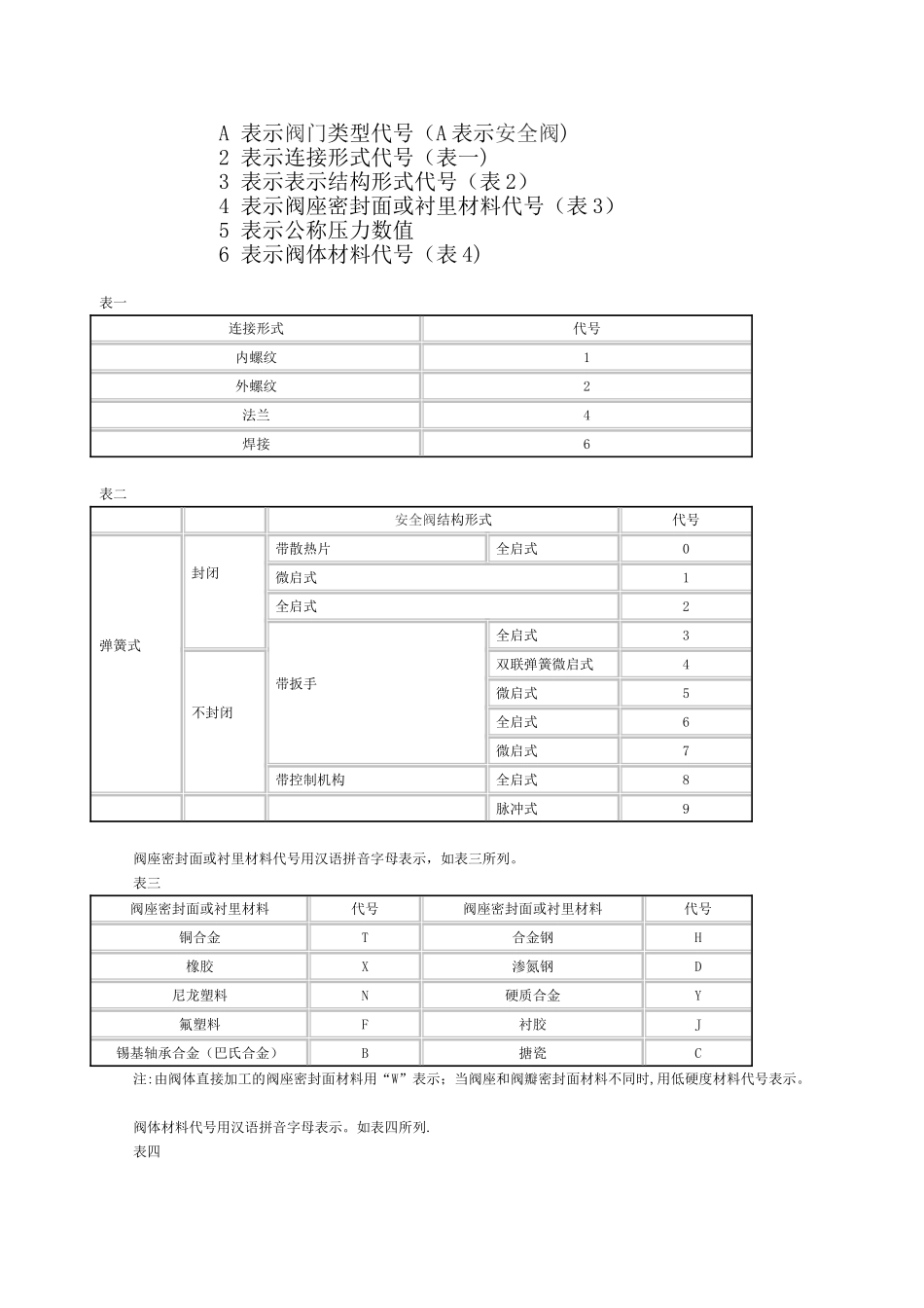
安全阀的分类安全阀的分类 分类方法类 型 说 明按动作原理直接载荷式 直接用机械载荷来克服阀瓣下介质作用力非直接载荷式先导式 用导阀来驱动或控制主阀带补充载荷式 在达到整定压力前始终保持一增强密封的附加力,该力由外部能源提供并达到整定压力时释放按动作特性比例作用式 开启高度随压力升高而逐渐变化两段作用式(突跳动作式) 开启的最初阶段开高随压力升高而逐渐增加,而后急速地开启到规定高度按开启高度微启式 开启高度为流道直径的 1/40 至 1/20全启式 开启高度等于或大于流道直径的 1/4中启式 开启高度介于微启式和全启式之间按有无背压平衡机构背压平衡式 利用波纹管、活塞或膜片等元件,使安全阀开启前背压对阀瓣的作用力得到平衡常规式 无背压平衡元件按阀瓣加载方式重锤式 利用重锤直接加载杠杆重锤式 利用重锤通过杠杆加载弹簧式 利用弹簧加载气室式 利用压缩空气加载安全阀的安装和使用① 进口管的装设;安全阀必须垂直安装,并且最好是直接安装在容器的接口上而不另设进口管。当必须装设进口管时,进口管的截面积应不小于安全阀的进口截面积,进口管的长度应尽可能短,进口管必须采纳弯头时,其弯曲半径应尽可能大一些.② 排放口的装设;安全阀最好是直接或通过短的竖立排放管向大气排放。在设置排放管道时,应尽可能避开或减少对安全阀性能带来的不良影响。③ 安全阀的调试应按产品使用说明书的规定。安全阀的选用原则1。蒸汽锅炉安全阀,一般选用敞开全启式弹簧安全阀;2。液体介质用安全阀,一般选用微启式弹簧安全阀;3.空气或其他气体介质用安全阀,一般选用封闭全启式弹簧安全阀;4。液化石油气汽车槽车或液化石油气铁路罐车用安全阀,一般选用全启式内装安全阀;5。采油井出口用安全阀,一般选用先导式安全阀;6.蒸汽发电设备的高压旁路安全阀,一般选用具有安全和控制双重功能的先导式安全阀7.若要求对安全阀做定期开启试验时,应选用带提升扳手的安全阀。当介质压力达到开启压力的 75%以上时,可利用提升扳手将阀瓣从阀座上略为提起,以检查安全阀开启的灵活性;8.若介质温度较高时,为了降低弹簧腔室的温度,一般当封闭式安全阀使用温度超过 300℃及敞开式安全阀使用温度超过 350℃时,应选用带散热器的安全阀;9.若安全阀出口背压是变动的,其变化量超过开启压力的 10%时,应选用波纹管安全阀;10。若介质具有腐蚀性时,应选用波纹管安全阀,防止重要零件因受介质腐蚀而失效。设置安全阀的四大...

1、当您付费下载文档后,您只拥有了使用权限,并不意味着购买了版权,文档只能用于自身使用,不得用于其他商业用途(如 [转卖]进行直接盈利或[编辑后售卖]进行间接盈利)。
2、本站所有内容均由合作方或网友上传,本站不对文档的完整性、权威性及其观点立场正确性做任何保证或承诺!文档内容仅供研究参考,付费前请自行鉴别。
3、如文档内容存在违规,或者侵犯商业秘密、侵犯著作权等,请点击“违规举报”。

碎片内容

安全阀的分类

您可能关注的文档

一二三四传媒+ 关注
实名认证
内容提供者

大量资料供您选择,没有合适的可以联系小二。

确认删除?
VIP
微信客服
  • 扫码咨询
会员Q群
  • 会员专属群点击这里加入QQ群
客服邮箱
回到顶部