电脑桌面
添加小米粒文库到电脑桌面
安装后可以在桌面快捷访问

安徽省建设工程质量检测机构信用等级评定标准

安徽省建设工程质量检测机构信用等级评定标准_第1页
1/7
安徽省建设工程质量检测机构信用等级评定标准_第2页
2/7
安徽省建设工程质量检测机构信用等级评定标准_第3页
3/7
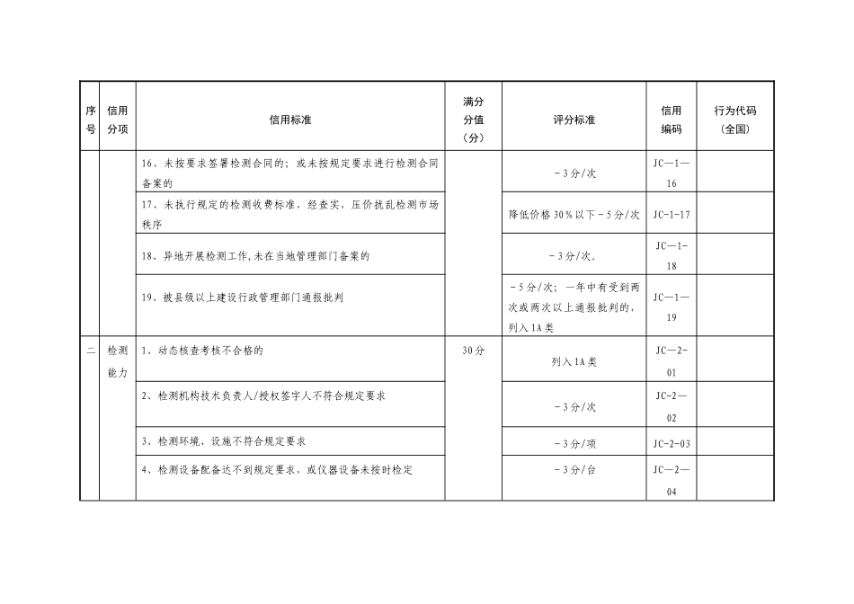
附 件 :安 徽 省 建 设 工 程 质 量 检 测 机 构 信 用 等 级 评 定 标 准 ( 试 行 )工 程 质 量 检 测 机 构 信 用 等 级 评 定 规 则序号信用分项信用标准满分分值(分)评分标准信用编码行为代码(全国)一检测行为1、未取得相应的资质,擅自承担《建设工程质量检测管理办法》规定的检测业务的40 分列入 1A 类JC—1—01H1-1—012、超出资质范围从事检测活动的列入 1A 类JC—1—02H1-1-023、隐瞒有关情况或者提供虚假材料申请资质的列入 1A 类JC—1—03H1-1-034、以欺骗、贿赂等不正当手段取得资质证书的列入 1A 类JC-1—04H1-1-045、涂改、倒卖、出租、出借、转让资质证书的列入 1A 类JC—1—05H1—1—056、转包检测业务的列入 1A 类JC—1-06H1-2-017、使用不符合条件的检测人员的列入 1A 类JC-1-07H1-3—018、未按规定在检测报告上签字盖章的列入 1A 类JC—1-08H1—3—02序号信用分项信用标准满分分值(分)评分标准信用编码行为代码(全国)9、未按规定上报发现的违法违规行为和检测不合格事项的未进行上报的机构列入 1A类;上报信息不完整或上报内容达不到相关要求的-2 分/次JC-1-09H1-3—0310、未根据国家有关工程建设强制性标准进行检测的列入 1A 类JC—1—10H1—3-0411、档案资料管理混乱,造成检测数据无法追溯的档案资料管理混乱-3 分/次;造成检测数据无法追溯,列入 1A 类JC—1—11H1—3-0512、伪造检测数据,出具虚假检测报告或鉴定结论的列入 1A 类JC—1—12H1—3—0613、拒不配合建设行政主管部门组织的监督检查,在接受监督检查工作中不能如实提供机构、人员资料,或提供的资料弄虚作假的列入 1A 类JC-1—1314、见证取样检测报告中未注明见证人单位、姓名不符合要求的-2 分/次JC—1—1415、对应采纳 IMT 检测的项目而未采纳的;或应运用而未运用IMT 系统出具检测报告的列入 1A 类;-5 分/次JC-1—15序号信用分项信用标准满分分值(分)评分标准信用编码行为代码(全国)16、未按要求签署检测合同的;或未按规定要求进行检测合同备案的-3 分/次JC—1—1617、未执行规定的检测收费标准,经查实,压价扰乱检测市场秩序降低价格 30%以下-5 分/次JC-1-1718、异地开展检测工作,未在当地管理部门备案的-3 分/次。JC—1-1819、被县级以上建设行政管理部门通报批判-5 分/次;一年中有受到两次或两次以上通报批判的,列入 1A 类JC—1—19二检测能力1...

1、当您付费下载文档后,您只拥有了使用权限,并不意味着购买了版权,文档只能用于自身使用,不得用于其他商业用途(如 [转卖]进行直接盈利或[编辑后售卖]进行间接盈利)。
2、本站所有内容均由合作方或网友上传,本站不对文档的完整性、权威性及其观点立场正确性做任何保证或承诺!文档内容仅供研究参考,付费前请自行鉴别。
3、如文档内容存在违规,或者侵犯商业秘密、侵犯著作权等,请点击“违规举报”。

碎片内容

安徽省建设工程质量检测机构信用等级评定标准

确认删除?
VIP
微信客服
  • 扫码咨询
会员Q群
  • 会员专属群点击这里加入QQ群
客服邮箱
回到顶部