电脑桌面
添加小米粒文库到电脑桌面
安装后可以在桌面快捷访问

安装工程计量计价例题

安装工程计量计价例题_第1页
1/20
安装工程计量计价例题_第2页
2/20
安装工程计量计价例题_第3页
3/20
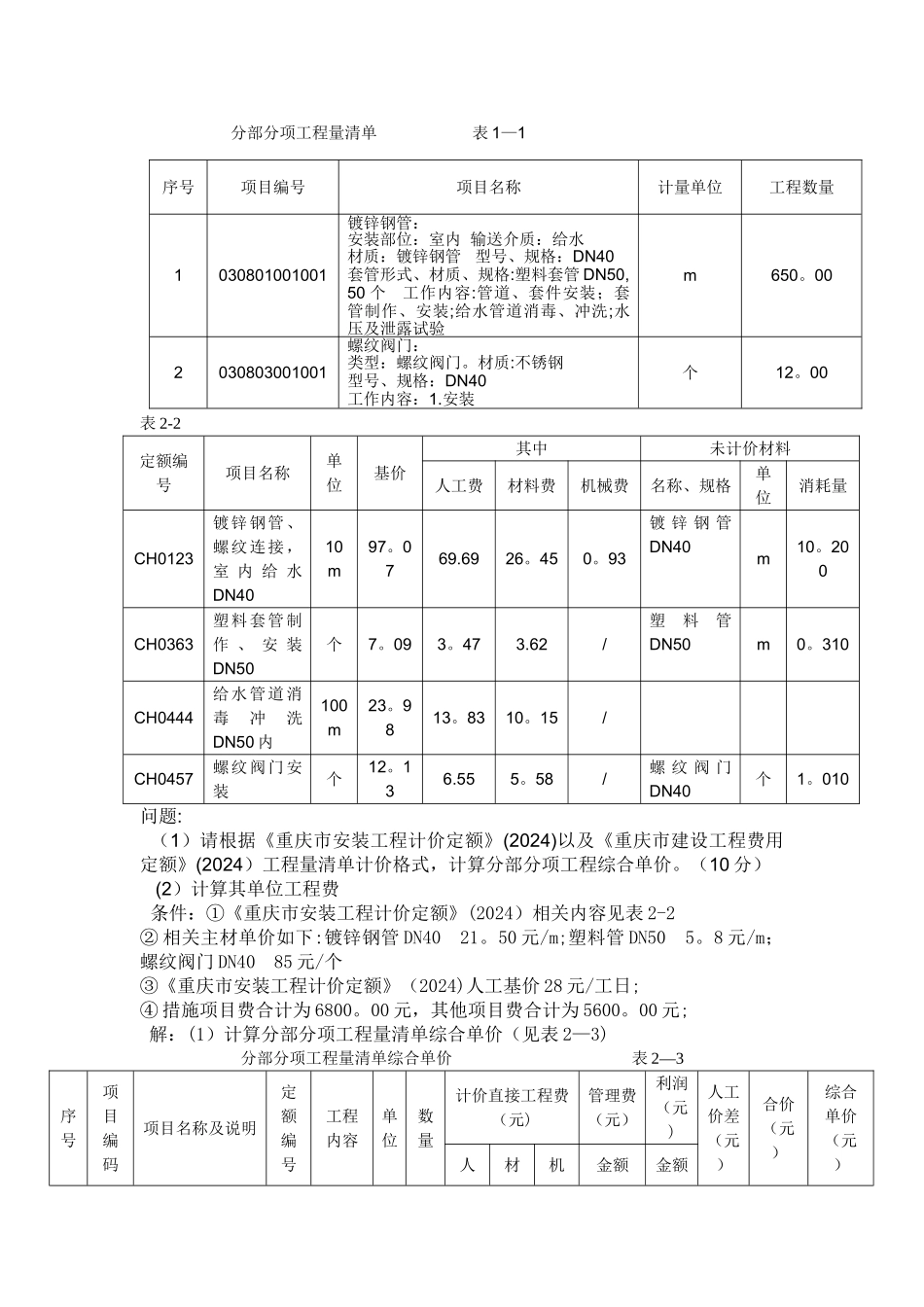
安装工程计量计价例题1、工程背景:某办公室照明工程,层高 4m,架空进线高 3m;照明配电箱嵌入式安装,配电箱板面尺寸 350×250×120,配电箱安装高度 1。8m;室内刚性阻燃管 DN15沿墙暗敷,管内穿线 BV—1.5;方形吸顶灯三孔插座;开关安装高度 1.2m,插座安装高度均为 0.3m。见图 1—1。图 1-1 室内照明平面图、系统图问题:(1)根据施工图和《重庆市安装工程计价定额》(2024)工程量计算规则计算出该工程分 部分项工程量(进户支架采纳两端埋设三线,长 1。8m/根,用∠50*4,容重3。77㎏/m), 并将计算结果天路表 1-1;编号项目名称单位数量计算式1进户支架制作,∠50*4㎏1.8*3。772进户支架安装,两端埋设三线根1。0003进户管沿墙暗敷 G20m2。09( 0 。 15+0 。 24 ) + ( 3 。 1-1.8)4管内穿线 BV-6m2。09*3+(1.5+0。6)*35照明配电箱暗装,四回路台1。0006照 明 配 电 箱 暗 装 接 线箱,350*250*120个1.0007刚 性 阻 燃 管 沿 墙 暗敷,DN15m35.708管内穿线 BV—1。5m18。2*2+17。7*3+0。6*79方形吸顶灯安装,4*60w套1.00010吊风扇安装台2.00011单控单联板式暗开关套1。00012单相三孔暗插座,1.5A套1。00013塑料接线盒暗装个4.0002+1+114塑料开关盒、插座盒、灯头盒暗装个7。0003+1+32、工程背景: 某办公楼室内给排水安装工程量清单如下表 2—1 所示.经公司讨论根据招标文件要求依 据《重庆市安装工程计价定额》(2024)和《重庆市建设工程费用定额》(2024)进行投 标 报 价 。 相 关 费 用 及 费 率 如 下 : 人 工 单 价 : 50 元 / 工 日 ; 规 费 费率:25。83%;安全文明 施工专项费费率 7%;工程定额测定费费率 0.14%;税金费率 3.41%;管理费费率 60%; 利润费率 40%;暂不考虑风险因素。 分部分项工程量清单 表 1—1表 2-2定额编号项目名称单位基价其中未计价材料人工费材料费机械费名称、规格单位消耗量CH0123镀锌钢管、螺纹连接,室 内 给 水DN4010m97。0769.6926。450。93镀 锌 钢 管DN40m10。200CH0363塑料套管制作 、 安 装DN50个7。093。473.62/塑料管DN50m0。310CH0444给水管道消毒冲洗DN50 内100m23。9813。8310。15/CH0457螺纹阀门安装个12。136.555。58/螺 纹 阀 门DN40个1。010问题: (1)请根据《重庆市安装工程计价定额》(2024)以及《重庆市建设工程费用定额》(2024)工程量清单计价格式,计算分部分项工程...

1、当您付费下载文档后,您只拥有了使用权限,并不意味着购买了版权,文档只能用于自身使用,不得用于其他商业用途(如 [转卖]进行直接盈利或[编辑后售卖]进行间接盈利)。
2、本站所有内容均由合作方或网友上传,本站不对文档的完整性、权威性及其观点立场正确性做任何保证或承诺!文档内容仅供研究参考,付费前请自行鉴别。
3、如文档内容存在违规,或者侵犯商业秘密、侵犯著作权等,请点击“违规举报”。

碎片内容

安装工程计量计价例题

您可能关注的文档

确认删除?
VIP
微信客服
  • 扫码咨询
会员Q群
  • 会员专属群点击这里加入QQ群
客服邮箱
回到顶部