电脑桌面
添加小米粒文库到电脑桌面
安装后可以在桌面快捷访问

定置摆放管理规定

定置摆放管理规定_第1页
1/2
定置摆放管理规定_第2页
2/2
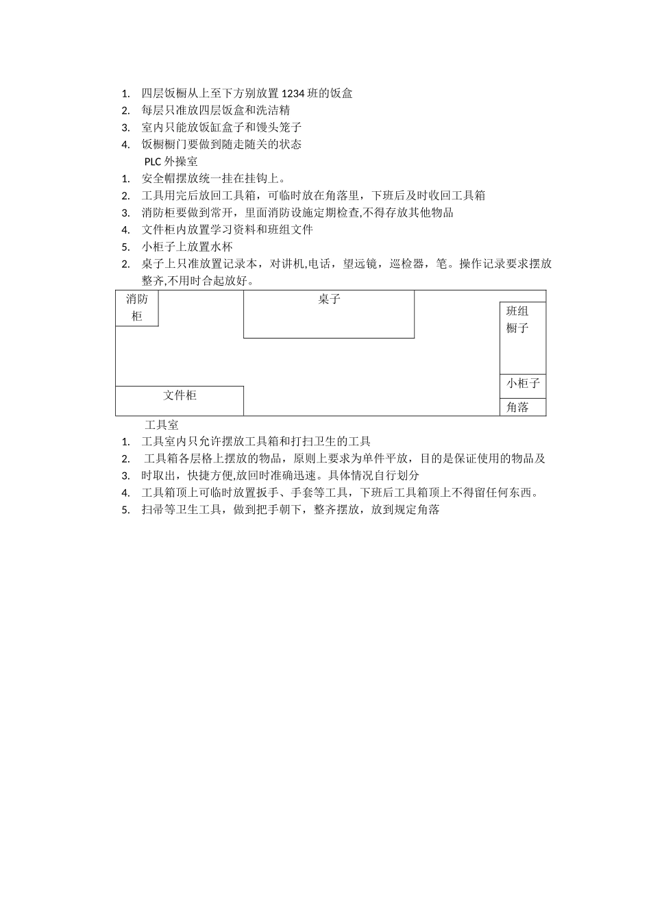
生产运行部定置摆放管理规定目的为了法律规范现场管理,提高工作水平,优化工作环境,决定对中控室相关物品实行定置摆放。范围本汇编适用于生产运行部中控室,会议室,饭橱室,外操室,工具室职责1.部长负责定置摆放的检查和考核2。分管部长负责定置摆放的工作安排,并对执行情况进行检查3。班长和员工,根据工作安排,做好定置摆放的工作内容中控室1.DCS 操作台只能摆放正在使用的操作记录,笔,对讲机,计算器,电话,巡检器.不常用的记录本或消耗台账放在黑色文件架上。操作记录要求摆放整齐,不用时合起放好.2。办工桌摆放必须在一条水平直线上,要求摆放整齐不可有歪斜、错落等现象.3。人员使用办公椅时需轻拉轻推,人员离开或下班时,办公椅必须推入办公桌内。4。文件柜必须统一摆放,不可出现歪斜、错落等现象。除私人、重要物品文件柜外,其他文件柜做到钥匙入孔,或者办公室管理人员统一管理,不得私自使用.具体放什么文件看标签。5。文件必须装入指定文件盒,文件盒统一编号管理,放入文件柜上层的①玻璃窗内,文件摆放不可歪斜、倒置。文件柜内除文件盒外不得放入其他物品.6。中控室内不得摆放工具,手套,安全帽放到规定位置7。橱子①顶部放医疗急救箱 2 个,中间放安全帽,底部放指令单和学习资料;橱子②顶部放学习笔记和新旧记录,中间放安全帽,底部放指令单和学习资料;橱子③顶部放水杯,底部放一期的相关文件;橱子④顶部放盆栽,底部放二期相关文件。8。安全帽摆放规定:帽檐朝下,正面朝外,整齐摆放。9。水杯摆放规定;整齐有序的摆放,下班后自行带走,不允许滞留。10。空调的位置不可移动,空调上方可以放置盆栽橱子①DCS 操作台橱子②座椅座椅座椅空调②长座椅长座椅橱子③橱子④空调①会议室1.桌子,椅子摆放整齐,桌子位置在会议室居中,椅子围绕桌子整齐摆好。不准有杂物,吃完饭后清理洁净,饭缸放置指定位置。2.橱顶不得放置任何物品饭橱室1.四层饭橱从上至下方别放置 1234 班的饭盒2.每层只准放四层饭盒和洗洁精3.室内只能放饭缸盒子和馒头笼子4.饭橱橱门要做到随走随关的状态PLC 外操室1.安全帽摆放统一挂在挂钩上。2.工具用完后放回工具箱,可临时放在角落里,下班后及时收回工具箱3.消防柜要做到常开,里面消防设施定期检查,不得存放其他物品4.文件柜内放置学习资料和班组文件5.小柜子上放置水杯2.桌子上只准放置记录本,对讲机,电话,望远镜,巡检器,笔。操作记录要求摆放整齐,不用时合起放好。消防柜桌子班组橱子...

1、当您付费下载文档后,您只拥有了使用权限,并不意味着购买了版权,文档只能用于自身使用,不得用于其他商业用途(如 [转卖]进行直接盈利或[编辑后售卖]进行间接盈利)。
2、本站所有内容均由合作方或网友上传,本站不对文档的完整性、权威性及其观点立场正确性做任何保证或承诺!文档内容仅供研究参考,付费前请自行鉴别。
3、如文档内容存在违规,或者侵犯商业秘密、侵犯著作权等,请点击“违规举报”。

碎片内容

定置摆放管理规定

确认删除?
VIP
微信客服
  • 扫码咨询
会员Q群
  • 会员专属群点击这里加入QQ群
客服邮箱
回到顶部