电脑桌面
添加小米粒文库到电脑桌面
安装后可以在桌面快捷访问

室内装修隐蔽工程验收单

室内装修隐蔽工程验收单_第1页
1/4
室内装修隐蔽工程验收单_第2页
2/4
室内装修隐蔽工程验收单_第3页
3/4
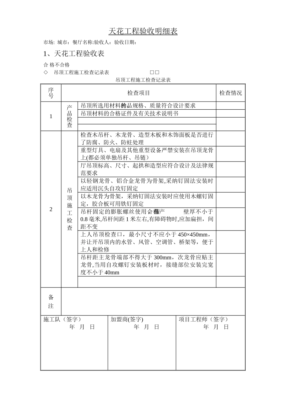
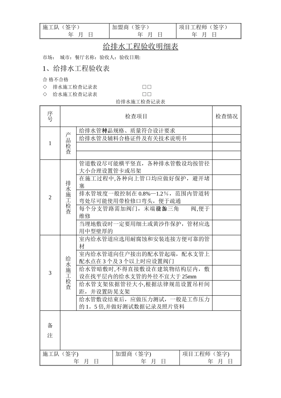
隐蔽工程验收目录市场: 城市:餐厅名称:验收人:验收日期:一、 防水工程验收表二、 给排水工程验收表三、 天花工程验收表防水工程验收明细表市场: 城市:餐厅名称:验收人:验收日期:1、防水工程验收表合 格不合格◇地坪防渗漏施工检查记录表 □□地坪防渗漏施工检查记录表序号检查项目检查情况1产品检查防水卷材品种、规格、质量符合设计要求防水卷材及辅料合格证件及有关技术说明书2防水施工检查施工现场基层表面应平整,不得有松动、空鼓、起沙、开裂等特别对原地坪上孔洞、老的电线管、水管、必须提前按法律规范要求进行封堵对封堵后地坪清理,检查是否有粗石子突出不均,再做结浆处理导墙和门槛是否根据设计要求施工防水层应从地面延伸到墙面,高出地面 500m地漏、套管、卫生洁具根部、阴阳角等部位应事先做防水附加层涂料防水层基层牢固,基面应干净、平整、不得脱皮,基层阴阳角处应成圆弧型涂料防水层应与基层黏结牢固,表面平整,涂刷均匀,不得有流淌,皱折、鼓沧露胎和翘边等防水工程应做两次蓄水实验,施工方项目工师做好复核验收记录和拍照存档备 注施工队(签字)年 月 日加盟商(签字)年 月 日项目工程师(签字) 年 月 日给排水工程验收明细表市场: 城市:餐厅名称:验收人:验收日期:1、给排水工程验收表合 格不合格◇排水施工检查记录表 □□◇给水施工检查记录表 □□给排水施工检查记录表序号检查项目检查情况1产品检查给排水管材品种、规格、质量符合设计要求给排水管及辅料合格证件及有关技术说明书2排水施工检查管道敷设尽可能横平竖直,各种排水管敷设均按管径大小合理设置管卡或吊架在施工过程中,各种向上管口均应做好保护,避开堵塞排水管坡度一般控制在 0.8%—1.2%,范围内管道转弯处尽可能使用带检修口弯头,便于疏通每个分支管路需加阀门,末端设备前加三角阀,便于维修当埋地敷设时一定要用细土或黄沙作保护,管材应选用中型壁厚的3给水施工检查室内给水管道应选用耐腐蚀和安装连接方便可靠的管材室内给水管道向住户接出的配水管起端,配水支管上配水点在 3 个及 3 个以上时应设置阀门给水管暗敷时,不得直接敷设在建筑物结构层内,敷设在找平层内的给水支管的外径不宜大于 25mm给水管支架依据管径大小,根据法律规范设置吊杆间距,并设置防晃支架给水管敷设结束后,应做压力测试,一般是工作压力的 1。5 倍,并做好测试数据记录及照片资料备 注施工队(签字)年 月 日加盟商(签字)年...

1、当您付费下载文档后,您只拥有了使用权限,并不意味着购买了版权,文档只能用于自身使用,不得用于其他商业用途(如 [转卖]进行直接盈利或[编辑后售卖]进行间接盈利)。
2、本站所有内容均由合作方或网友上传,本站不对文档的完整性、权威性及其观点立场正确性做任何保证或承诺!文档内容仅供研究参考,付费前请自行鉴别。
3、如文档内容存在违规,或者侵犯商业秘密、侵犯著作权等,请点击“违规举报”。

碎片内容

室内装修隐蔽工程验收单

您可能关注的文档

确认删除?
VIP
微信客服
  • 扫码咨询
会员Q群
  • 会员专属群点击这里加入QQ群
客服邮箱
回到顶部