电脑桌面
添加小米粒文库到电脑桌面
安装后可以在桌面快捷访问

屏柜安装施工方案

屏柜安装施工方案_第1页
1/11
屏柜安装施工方案_第2页
2/11
屏柜安装施工方案_第3页
3/11
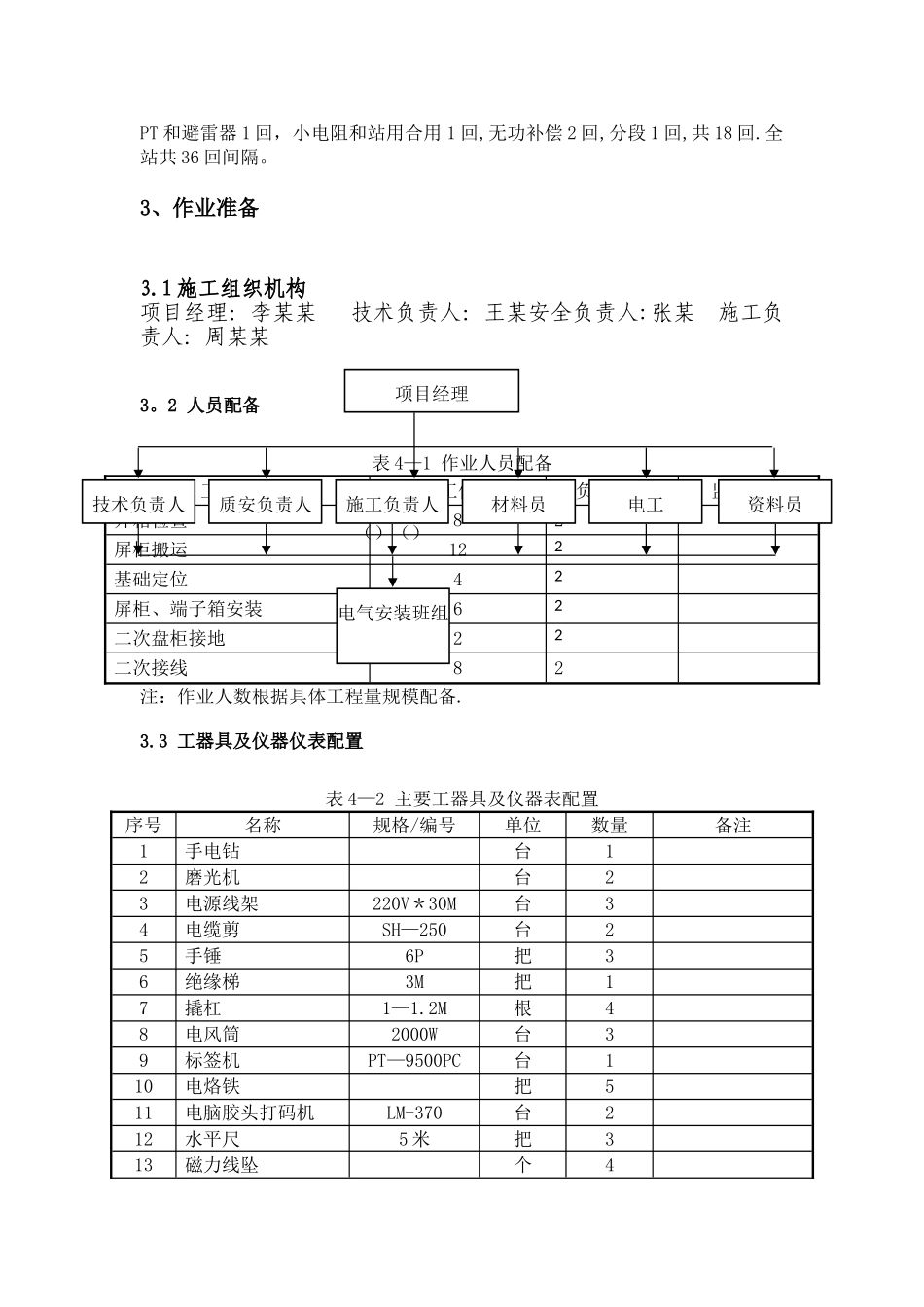
屏柜安装施工方案1、编写依据序号标准及法律规范名称1GB50150-2024《电气装置安装工程 电气设备交接试验标准》2GB50171—92《电气装置安装工程盘、柜及二次线回路施工及验收法律规范》3DL 408—91《电业安全工作规程》(发电厂和变电所电气部分)4DL5009。3—1997《电力建设安全工作规程》(变电所部分)5Q/CSG10001—2024《变电站安健环设施标准》6Q/CSG 1 0007—2024《电力设备预防性试验规程》 7Q/CSG 10017。2—2024《110kV~500kV 送变电工程质量检验及评定标准》8Q/CSG11105。2—2024《南方电网工程施工工艺控制法律规范》9《中国南方电网公司十项重点反事故措施》10《施工图纸》海南海口供电设计公司2、工程概况⑴ 变电站占地面积为 2366。5 m2,总建筑面积为 1320.73 m2,变压器采纳户内布置方式,变电站为全户内 GIS 站。GIS 综合楼主体四层,建筑高度为22m,室内外高差 150 毫米。⑵ 主控室建筑面积 373.8m2,10 千伏配电室面积 175。8m2。⑶ 主 变 压 器 : 主 变 压 器 按 最 终 为 2×50MVA 进 行 设 计 , 本 期 规 模2×50MVA。⑷ 出线规模:110 千伏进出线规模最终为 2 回,本期工程 2 回;10 千伏最终出线 24 回,本期 24 回出线。⑸ 无功就地补偿:远期按 2×(4000+4000)kvar 电容无功补偿装置预留位置,本期 2×(4000+4000)kvar 电容器无功补偿装置.⑹ 主变、110 千伏、10 千伏配电装置、二次监控设备采纳户内布置方式。⑺110 千伏采纳内桥接线,110 千伏电源进线 2 回,110 千伏主变出线 2 回,线路侧 PT 电压互感器 2 回,桥路母联 1 回,全站 7 回间隔;10 千伏单母线分段接线,I 段母线:主变进线 1 回,出线 12 回,PT 和避雷器 1 回,小电阻和站用合用 1回,无功补偿 2 回,分段 1 回,共 18 回;II 段母线:主变进线 1 回,出线 12 回,PT 和避雷器 1 回,小电阻和站用合用 1 回,无功补偿 2 回,分段 1 回,共 18 回.全站共 36 回间隔。3、作业准备3.1 施工组织机构项目经理:李某某 技术负责人:王某安全负责人:张某 施工负责人:周某某3。2 人员配备表 4—1 作业人员配备工序名称建议工作人数负责人数监护人数开箱检查82屏柜搬运122基础定位42屏柜、端子箱安装62二次盘柜接地22二次接线82注:作业人数根据具体工程量规模配备.3.3 工器具及仪器仪表配置表 4—2 主要工器具及仪器表配置序号名称规格/编号...

1、当您付费下载文档后,您只拥有了使用权限,并不意味着购买了版权,文档只能用于自身使用,不得用于其他商业用途(如 [转卖]进行直接盈利或[编辑后售卖]进行间接盈利)。
2、本站所有内容均由合作方或网友上传,本站不对文档的完整性、权威性及其观点立场正确性做任何保证或承诺!文档内容仅供研究参考,付费前请自行鉴别。
3、如文档内容存在违规,或者侵犯商业秘密、侵犯著作权等,请点击“违规举报”。

碎片内容

屏柜安装施工方案

您可能关注的文档

确认删除?
VIP
微信客服
  • 扫码咨询
会员Q群
  • 会员专属群点击这里加入QQ群
客服邮箱
回到顶部