电脑桌面
添加小米粒文库到电脑桌面
安装后可以在桌面快捷访问

工程部施工工人绩效考核VIP专享

工程部施工工人绩效考核_第1页
1/4
工程部施工工人绩效考核_第2页
2/4
工程部施工工人绩效考核_第3页
3/4
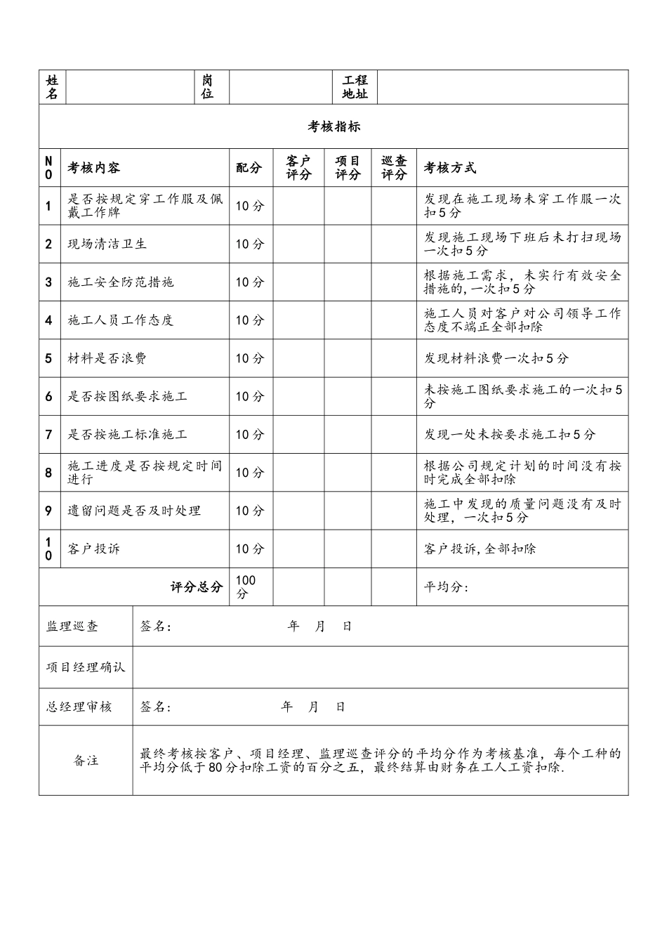
施工巡查表工程地址检查时间年 月 日序号检查内容状况记录处理措施1施工人员着装2现场清洁卫生3施工人员素养4安全管理5现场材料损耗状况7施工进度8质量问题9其他问题监理项目经理工程部施工工人考核表姓名岗位工程地址考核指标NO考核内容配分客户评分项目评分巡查评分考核方式1是否按规定穿工作服及佩戴工作牌10 分发现在施工现场未穿工作服一次扣 5 分2现场清洁卫生10 分发现施工现场下班后未打扫现场一次扣 5 分3施工安全防范措施10 分根据施工需求,未实行有效安全措施的,一次扣 5 分4施工人员工作态度10 分施工人员对客户对公司领导工作态度不端正全部扣除5材料是否浪费10 分发现材料浪费一次扣 5 分6是否按图纸要求施工10 分未按施工图纸要求施工的一次扣 5分7是否按施工标准施工10 分发现一处未按要求施工扣 5 分8施工进度是否按规定时间进行10 分根据公司规定计划的时间没有按时完成全部扣除9遗留问题是否及时处理10 分施工中发现的质量问题没有及时处理,一次扣 5 分10客户投诉10 分客户投诉,全部扣除评分总分100分平均分:监理巡查签名: 年 月 日项目经理确认总经理审核签名: 年 月 日备注最终考核按客户、项目经理、监理巡查评分的平均分作为考核基准,每个工种的平均分低于 80 分扣除工资的百分之五,最终结算由财务在工人工资扣除.广安三友建筑装饰工程有限公司版 次A文件名称工程部施工工人考核制度页 码1生效日期2024.5。01目的:为了更好的管控工程施工质量及进度,提高施工工人的责任心,落实公司的各项管理制度.适用范围:适用广安三友建筑装饰工程有限公司所有工程。责任部门:广安三友建筑装饰工程有限公司工程部.考核内容:1.本绩效考核制度按每个工种考核,由客户,项目经理,监理评分考核。2.每项施工完成后由客户和项目经理评分考核,监理巡查评分考核。每项考核指标为 10 分,根据实际情况按考核表给予打分,最后根据平均分进行处罚,要求平均分在≥80 分为合格,若平均分低于 80 分,按每个工种工资的百分之五扣除作为惩处,发放工资时按实际评分由财务结算.附录:1.《巡查记录表》2.《工程部施工工人考核表》拟定审核批准

1、当您付费下载文档后,您只拥有了使用权限,并不意味着购买了版权,文档只能用于自身使用,不得用于其他商业用途(如 [转卖]进行直接盈利或[编辑后售卖]进行间接盈利)。
2、本站所有内容均由合作方或网友上传,本站不对文档的完整性、权威性及其观点立场正确性做任何保证或承诺!文档内容仅供研究参考,付费前请自行鉴别。
3、如文档内容存在违规,或者侵犯商业秘密、侵犯著作权等,请点击“违规举报”。

碎片内容

工程部施工工人绩效考核

确认删除?
VIP
微信客服
  • 扫码咨询
会员Q群
  • 会员专属群点击这里加入QQ群
客服邮箱
回到顶部