电脑桌面
添加小米粒文库到电脑桌面
安装后可以在桌面快捷访问

市政工程挡土墙内业资料范本

市政工程挡土墙内业资料范本_第1页
1/102
市政工程挡土墙内业资料范本_第2页
2/102
市政工程挡土墙内业资料范本_第3页
3/102
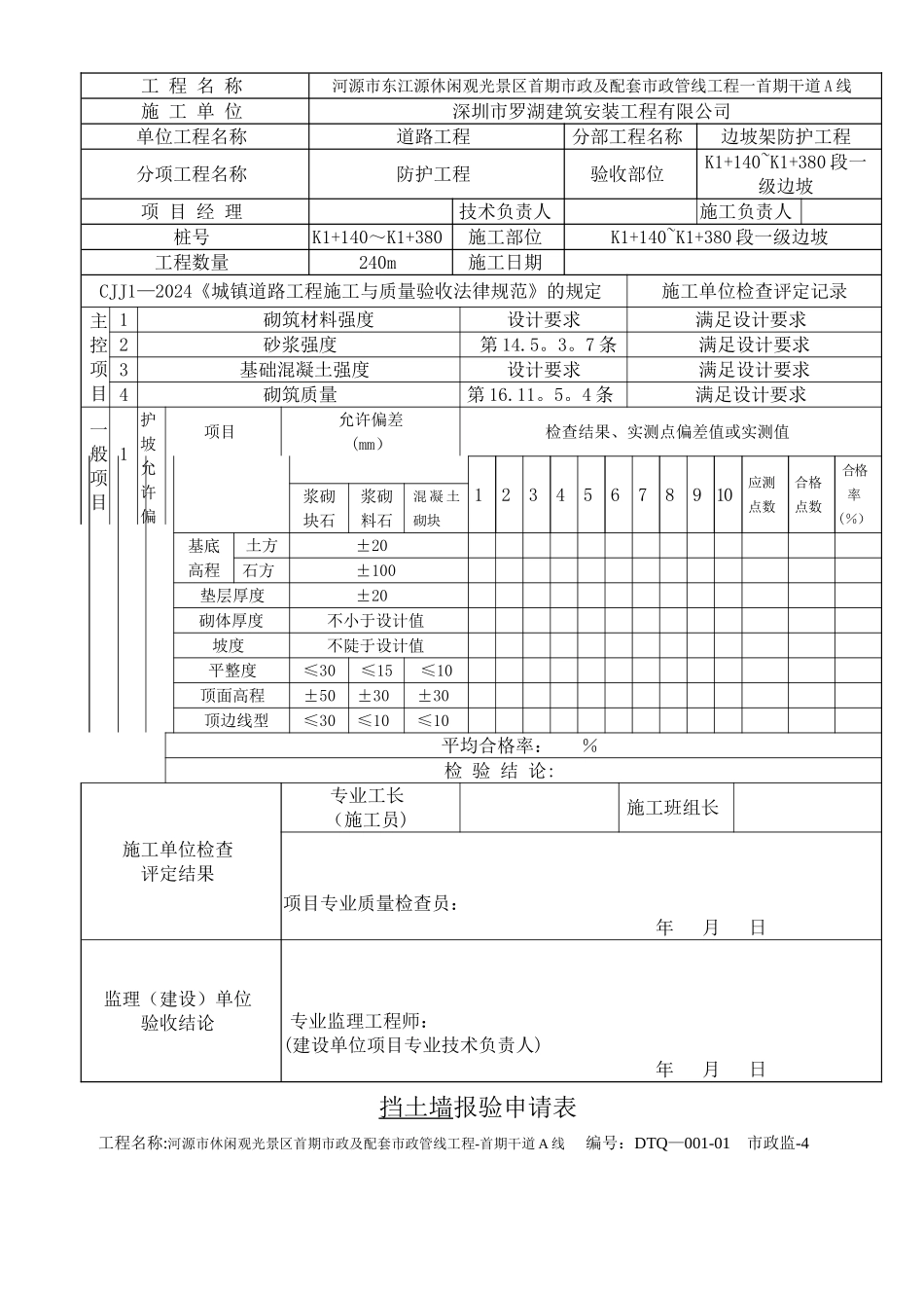
护坡工程检验批质量验收记录表 编号: 市政质检工 程 名 称河源市东江源休闲观光景区首期市政及配套市政管线工程一首期干道 A 线施 工 单 位深圳市罗湖建筑安装工程有限公司单位工程名称道路工程分部工程名称边坡防护工程分项工程名称防护工程验收部位K1+140~K1+380 段二级边坡项 目 经 理技术负责人施工负责人桩号K1+140~K1+380施工部位K1+140~K1+380 段二级边坡工程数量240m施工日期CJJ1-2024《城镇道路工程施工与质量验收法律规范》的规定施工单位检查评定记录主控项目1 砌筑材料强度设计要求满足设计要求2 砂浆强度 第 14。5.3。7 条满足设计要求3 基础混凝土强度设计要求满足设计要求4 砌筑质量第 16。11.5.4 条一般项目1护坡允许偏项目允许偏差(mm)检查结果、实测点偏差值或实测值123456789 10应测点数合格点数合格率(%)浆砌块石浆砌料石混 凝 土砌块基底高程土方±20石方±100 垫层厚度±20+3+5+10+2+10+30+21010100 砌体厚度不小于设计值+2+5+1+30+5+2+3+5+41010100坡度不陡于设计值 平整度≤30≤15≤1052253535251010100 顶面高程±50±30±30 顶边线型≤30≤10≤1021203221121010100平均合格率: %检 验 结 论:施工单位检查评定结果专业工长(施工员)施工班组长项目专业质量检查员: 年 月 日监理(建设)单位验收结论专业监理工程师:(建设单位项目专业技术负责人) 年 月 日护坡工程检验批质量验收记录表 编号: 市政质检工 程 名 称河源市东江源休闲观光景区首期市政及配套市政管线工程一首期干道 A 线施 工 单 位深圳市罗湖建筑安装工程有限公司单位工程名称道路工程分部工程名称边坡架防护工程分项工程名称防护工程验收部位K1+140~K1+380 段一级边坡项 目 经 理技术负责人施工负责人桩号K1+140~K1+380施工部位K1+140~K1+380 段一级边坡工程数量240m施工日期CJJ1—2024《城镇道路工程施工与质量验收法律规范》的规定施工单位检查评定记录主控项目1 砌筑材料强度设计要求满足设计要求2 砂浆强度 第 14.5。3。7 条满足设计要求3 基础混凝土强度设计要求满足设计要求4 砌筑质量第 16.11。5。4 条满足设计要求一般项目1护坡允许偏项目允许偏差(mm)检查结果、实测点偏差值或实测值123456789 10应测点数合格点数合格率(%)浆砌块石浆砌料石混 凝 土砌块基底高程土方±20石方±100 垫层厚度±20 砌体厚度不小于设计值坡度不陡于设计值 平整度≤30≤15≤10...

1、当您付费下载文档后,您只拥有了使用权限,并不意味着购买了版权,文档只能用于自身使用,不得用于其他商业用途(如 [转卖]进行直接盈利或[编辑后售卖]进行间接盈利)。
2、本站所有内容均由合作方或网友上传,本站不对文档的完整性、权威性及其观点立场正确性做任何保证或承诺!文档内容仅供研究参考,付费前请自行鉴别。
3、如文档内容存在违规,或者侵犯商业秘密、侵犯著作权等,请点击“违规举报”。

碎片内容

市政工程挡土墙内业资料范本

您可能关注的文档

确认删除?
VIP
微信客服
  • 扫码咨询
会员Q群
  • 会员专属群点击这里加入QQ群
客服邮箱
回到顶部