电脑桌面
添加小米粒文库到电脑桌面
安装后可以在桌面快捷访问

市政道路工程单位工程质量验收记录VIP专享

市政道路工程单位工程质量验收记录_第1页
1/4
市政道路工程单位工程质量验收记录_第2页
2/4
市政道路工程单位工程质量验收记录_第3页
3/4
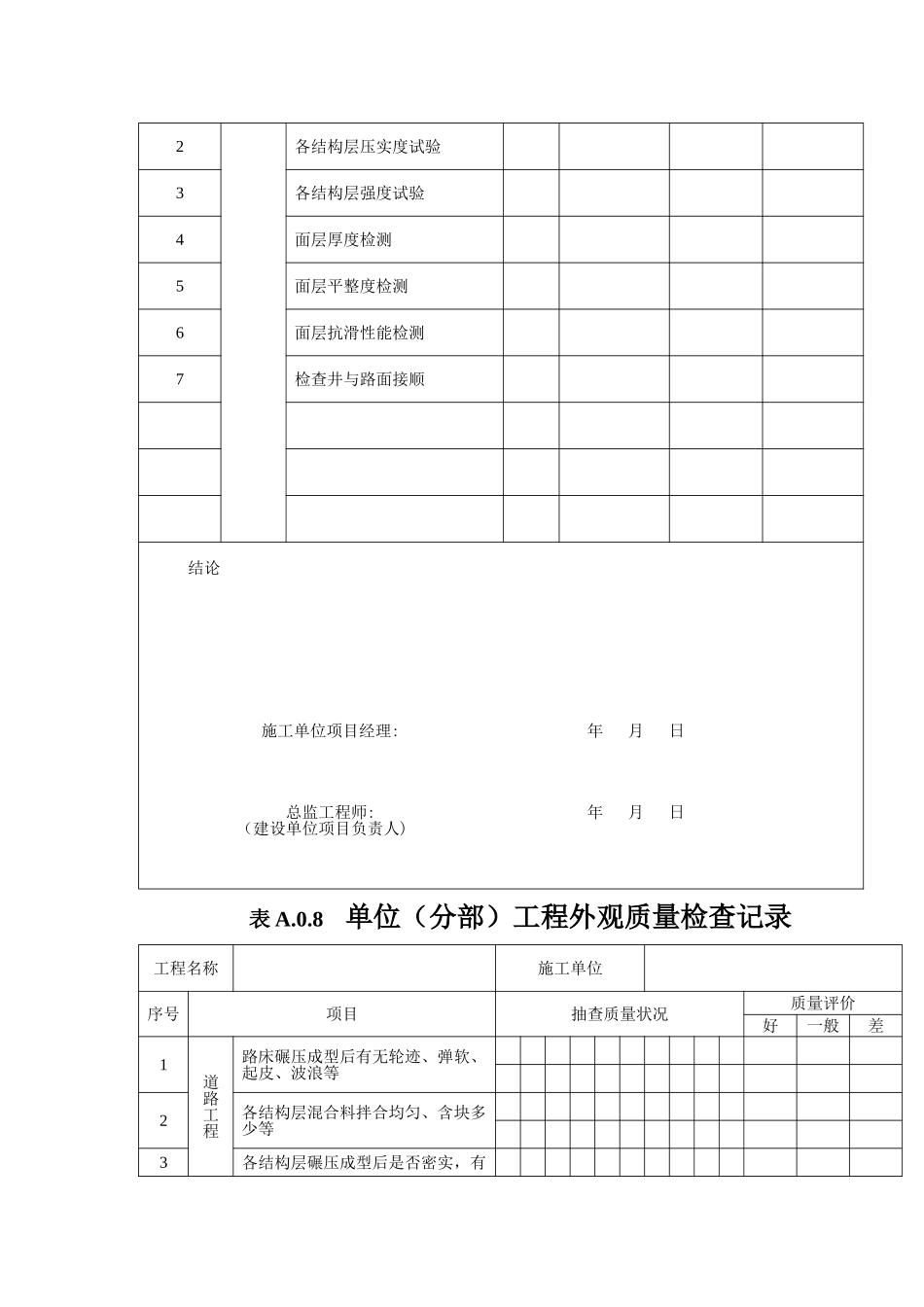
表 A.0.5 单位工程质量竣工验收记录工程名称开工日期施工单位技术负责人竣工日期项目经理项目技术负责人序号项目验收记录验收结论1分部工程共分部,经查分部符合标准及设计要求的有分部。质量全部合格2质量控制资料核查及抽查结果共项,经审查符合要求项,经核定符合法律规范要求项。符合法律规范要求3安全和主要使用功能核查及抽查结果共核查项,符合要求项,共抽查项,符合要求项,经返工处理符合要求项。符合法律规范和设计要求4外观质量验收共抽查项,符合要求项,不符合要求项。符合要求5综合验收结论合格参加验收单位建设单位监理单位施 工 单 位设 计 单 位(公章)单位(项目)负责人:年 月 日(公章)单位(项目)负责人:年 月 日(公章)单位(项目)负责人:年 月 日(公章)单位(项目)负责人:年 月 日表 A。0。6 单位(分部)工程质量控制资料核查记录工程名称施工单位序号项目资料名称份数核查意见核查人1道路工程图纸会审、设计变更、洽商记录2施工组织设计、技术交底记录3工程定位测量、测量复核纪录4原材料出厂合格证明文件及复试报告5成品、半成品及小型构件出厂合格证明文件及复试报告6见证取样试验7检验批,分项、分部、单位工程质量检验记录8隐蔽工程验收记录9路床、面层弯沉值检测报告10各结构层压实度试验记录11各结构层强度试验记录12面层厚度检测(竣工后)13新材料、新工艺施工记录14工程质量事故记录 结论 施工单位项目经理: 年 月 日 总监工程师: 年 月 日 (建设单位项目负责人)表 A-7 单位(分部)工程安全和功能检验资料核查及主要功能抽查记录工程名称施工单位序号项目安全和功能检查项目份数核查意见抽查结果核查(抽查)人1道路工程路床、面层弯沉值检测2各结构层压实度试验3各结构层强度试验4面层厚度检测5面层平整度检测6面层抗滑性能检测7检查井与路面接顺 结论 施工单位项目经理: 年 月 日 总监工程师: 年 月 日 (建设单位项目负责人)表 A.0.8 单位(分部)工程外观质量检查记录工程名称施工单位序号项目抽查质量状况质量评价好一般差1道路工程路床碾压成型后有无轮迹、弹软、起皮、波浪等2各结构层混合料拌合均匀、含块多少等3各结构层碾压成型后是否密实,有无夹层、起皮等4沥青混合料摊铺时沥青混合料拌合均匀及有无粗细料分离和结块等5沥青混凝土碾压成型后碾压是否密实、色泽均匀、接茬平顺、碾压到边、检查井与路面接顺等6侧缘石安装的稳固、线形、勾缝严密及缺角...

1、当您付费下载文档后,您只拥有了使用权限,并不意味着购买了版权,文档只能用于自身使用,不得用于其他商业用途(如 [转卖]进行直接盈利或[编辑后售卖]进行间接盈利)。
2、本站所有内容均由合作方或网友上传,本站不对文档的完整性、权威性及其观点立场正确性做任何保证或承诺!文档内容仅供研究参考,付费前请自行鉴别。
3、如文档内容存在违规,或者侵犯商业秘密、侵犯著作权等,请点击“违规举报”。

碎片内容

市政道路工程单位工程质量验收记录

确认删除?
VIP
微信客服
  • 扫码咨询
会员Q群
  • 会员专属群点击这里加入QQ群
客服邮箱
回到顶部