电脑桌面
添加小米粒文库到电脑桌面
安装后可以在桌面快捷访问

放射性同位素与射线装置安全和防护年度评估报告

放射性同位素与射线装置安全和防护年度评估报告_第1页
1/7
放射性同位素与射线装置安全和防护年度评估报告_第2页
2/7
放射性同位素与射线装置安全和防护年度评估报告_第3页
3/7
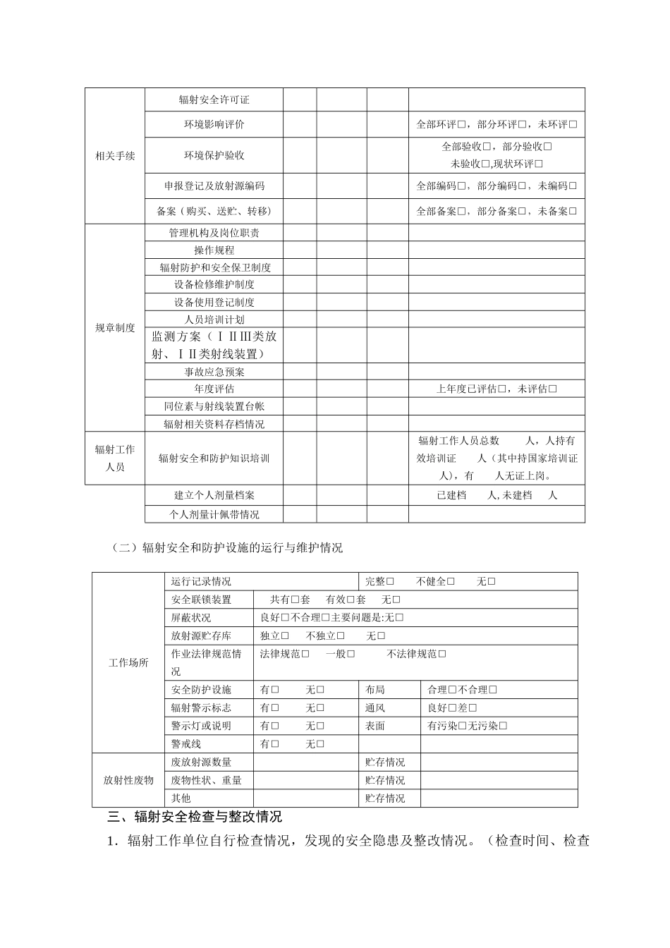
放射性同位素与射线装置安全和防护年度评估报告( 年度)单位名称:编制日期:黑龙江省环境保护厅制单位基本信息表单位名称(盖章)法定代表人注册地址使用地址联系人及部门联系电话工作场所名称地址负责人贮存场所有/无地址负责人许可证编号黑环辐证 [ ]许可种类范围发证日期有效期辐射工作人员辐射工作人员数有环保部门培训证人数有个人剂量档案人数内部培训次数及人数放射性同位素(枚)类别总数Ⅰ 类Ⅱ 类Ⅲ 类Ⅳ 类Ⅴ 类豁免闲置年实际转入数年实际转出数单位自用源数库存源数目前总源数非密封放射性同位素核素名称场所等级年销售、使用量年转让审批批号、已完成转让活动备案号、时间射线装置 (台)类别总数Ⅰ 类Ⅱ 类Ⅲ 类销售、使用数现有装置数安全应急有无应急预案有无演练、次数演练时间监测设备个人剂量报警仪(台)检测仪(台)个人剂量计(台)备注含密封放射源装置只统计所含放射源数量,不统计在射线装置总台数。如表格内容不够,可另附。一、本年度辐射安全总体评估二、法律法规落实情况(一)辐射安全和防护制度及措施的建立和落实情况检查项目检查内容符合基本符合不符合备注相关手续辐射安全许可证环境影响评价全部环评□,部分环评□,未环评□环境保护验收全部验收□,部分验收□未验收□,现状环评□申报登记及放射源编码全部编码□,部分编码□,未编码□备案(购买、送贮、转移)全部备案□,部分备案□,未备案□规章制度管理机构及岗位职责操作规程辐射防护和安全保卫制度设备检修维护制度设备使用登记制度人员培训计划监测方案(ⅠⅡⅢ类放射、ⅠⅡ类射线装置)事故应急预案年度评估上年度已评估□,未评估□同位素与射线装置台帐辐射相关资料存档情况辐射工作人员辐射安全和防护知识培训辐射工作人员总数 人,人持有效培训证 人(其中持国家培训证 人),有 人无证上岗。建立个人剂量档案已建档 人,未建档 人个人剂量计佩带情况(二)辐射安全和防护设施的运行与维护情况工作场所运行记录情况完整□ 不健全□ 无□安全联锁装置共有□套 有效□套 无□屏蔽状况良好□不合理□主要问题是:无□放射源贮存库独立□ 不独立□ 无□作业法律规范情况法律规范□ 一般□ 不法律规范□安全防护设施有□ 无□布局合理□不合理□辐射警示标志有□ 无□通风良好□差□警示灯或说明有□ 无□表面有污染□无污染□警戒线有□ 无□放射性废物废放射源数量贮存情况废物性状、重量贮存情况其他贮存情况三、辐射安...

1、当您付费下载文档后,您只拥有了使用权限,并不意味着购买了版权,文档只能用于自身使用,不得用于其他商业用途(如 [转卖]进行直接盈利或[编辑后售卖]进行间接盈利)。
2、本站所有内容均由合作方或网友上传,本站不对文档的完整性、权威性及其观点立场正确性做任何保证或承诺!文档内容仅供研究参考,付费前请自行鉴别。
3、如文档内容存在违规,或者侵犯商业秘密、侵犯著作权等,请点击“违规举报”。

碎片内容

放射性同位素与射线装置安全和防护年度评估报告

雏圣文化+ 关注
实名认证
内容提供者

欢迎光临,大量办公文档供您挑选。

确认删除?
VIP
微信客服
  • 扫码咨询
会员Q群
  • 会员专属群点击这里加入QQ群
客服邮箱
回到顶部