电脑桌面
添加小米粒文库到电脑桌面
安装后可以在桌面快捷访问

放射性同位素与射线装置安全和防护状况年度评估报告表

放射性同位素与射线装置安全和防护状况年度评估报告表_第1页
1/11
放射性同位素与射线装置安全和防护状况年度评估报告表_第2页
2/11
放射性同位素与射线装置安全和防护状况年度评估报告表_第3页
3/11
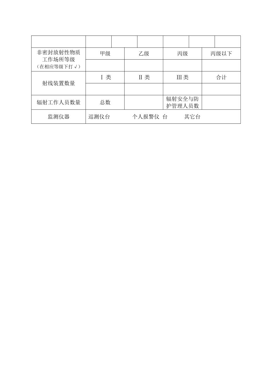
核技术利用单位放射性同位素与射线装置安全和防护状况年 度 评 估 报 告(年度)单位名称:(盖章)编制日期:编写说明1、年度评估报告由核技术利用工作单位编写,应对年度内放射性同位素与射线装置安全和防护状况进行全面评估。报告须加盖骑缝章。2、年度评估报告分书面版和电子版,于年月日前上报环保局。3、报告编写内容和所附材料应为打印、复印或扫描。可根据内容调整表格大小或附页,如加页论述“综合行动"和“建立网上信息系统"相关内容。4、“放射性同位素和射线装置台账”只需填写本单位目前拥有的设备内容,今后规划拥有的应不填。如:辐射安全许可证中种类和范围为“使用Ⅱ类射线装置”,则“放射性同位素和射线装置台账"只需在“射线装置台账”内填写相关内容,“放射源”和“非密封放射性物质"两个台账可不填。5、年度评估报告中“五、辐射工作人员培训情况”与“七、辐射工作人员个人剂量监测情况”内容,应根据要求填报在相关的《辐射安全与防护培训记录》和《职业照射个人剂量监测档案》电子版表格中即可,两份表格中的“辐射工作人员登记表"名字、顺序内容应一致。6、年度评估报告中“十五、辐射安全与防护年度监测报告"须附有资质单位出具的年度监测报告;电子版中相关内容可简化为检测情况的简要描述。一、 核技术利用工作单位联系方式单位名称单位地址组织机构代码法定代表人信息姓 名职务固定电话移动电话传 真辐射安全与防护管理机构及负责人信息机构名称负责人姓 名职务固定电话移动电话传 真专职辐射安全与防护管理人员(联系人)信息姓 名职务所在部门学历固定电话移动电话传 真电子信箱通讯地址邮 编自行监测执行人全国核技术利用单位申报系统管理信息管理员姓名联系电话注册用户名电子邮箱二、辐射安全许可证信息许可证号环辐证[ ]发证机关发证日期有效期至活动种类□生产□销售□使用活动范围放射源:□Ⅰ类□Ⅱ类□Ⅲ类□Ⅳ类□Ⅴ类非密封放射性物质:□甲级□乙级□丙级射线装置:□Ⅰ类□Ⅱ类□Ⅲ类工作场所名称地址负责人三、放射性同位素和射线装置、辐射工作人员、监测仪器情况汇总放射源数量Ⅰ 类Ⅱ 类Ⅲ 类Ⅳ 类Ⅴ 类合计非密封放射性物质工作场所等级(在相应等级下打√)甲级乙级丙级丙级以下射线装置数量Ⅰ 类Ⅱ 类Ⅲ 类合计辐射工作人员数量总数辐射安全与防护管理人员数监测仪器巡测仪台 个人报警仪 台 其它台四 、 放 射 性 同 位 素 和 射 线 装 置 台 账放射源台帐序...

1、当您付费下载文档后,您只拥有了使用权限,并不意味着购买了版权,文档只能用于自身使用,不得用于其他商业用途(如 [转卖]进行直接盈利或[编辑后售卖]进行间接盈利)。
2、本站所有内容均由合作方或网友上传,本站不对文档的完整性、权威性及其观点立场正确性做任何保证或承诺!文档内容仅供研究参考,付费前请自行鉴别。
3、如文档内容存在违规,或者侵犯商业秘密、侵犯著作权等,请点击“违规举报”。

碎片内容

放射性同位素与射线装置安全和防护状况年度评估报告表

确认删除?
VIP
微信客服
  • 扫码咨询
会员Q群
  • 会员专属群点击这里加入QQ群
客服邮箱
回到顶部