电脑桌面
添加小米粒文库到电脑桌面
安装后可以在桌面快捷访问

数字电压表的设计实验报告

数字电压表的设计实验报告_第1页
1/5
数字电压表的设计实验报告_第2页
2/5
数字电压表的设计实验报告_第3页
3/5
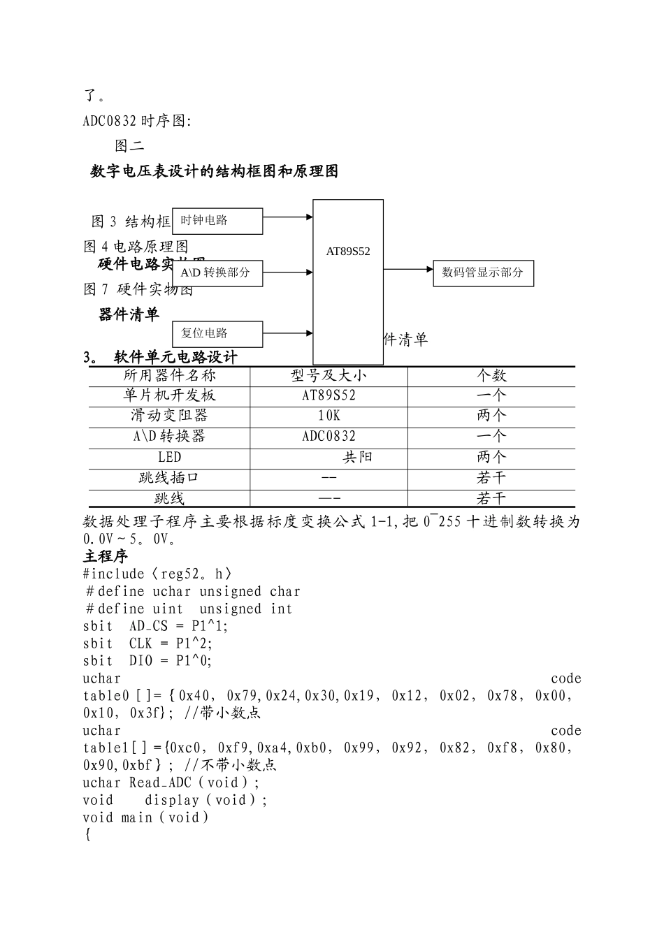
课程设计——基于51数字电压表设计物理与电子信息学院电子信息工程1、课程设计要求使用单片机 AT89C52 和 ADC0832 设计一个数字电压表,能够测量 0-5V 之间的直流电压值,两位数码显示。在单片机的作用下,能监测两路的输入电压值,用 8 位串行 A/D 转换器,8 位分辨率,逐次逼近型,基准电压为 5V;能用两位 LED 进行轮流显示或单路选择显示,显示精度0。1 伏.2、 硬件单元电路设计 AT89S52 单片机简介AT89S52 是一个低功耗,高性能 CMOS 8 位单片机,片内含 8k Bytes ISP(In—system programmable)的可反复擦写 1000 次的 Flash 只读程序存储器,器件采纳 ATMEL 公司的高密度、非易失性存储技术制造,兼容标准 MCS —51 指令系统及 80C51 引脚结构,芯片内集成了通用 8 位中央处理器和 ISP Flash 存储单元,功能强大的微型计算机的 AT89S52 可为许多嵌入式控制应用系统提供高性价比的解决方案。 AT89S52 具有如下特点:40 个引脚,8k Bytes Flash 片内程序存储器,256 bytes 的随机存取数据存储器(RAM),32 个外部双向输入/输出(I/O)口,5 个中断优先级,2 层中断嵌套中断,2 个 16 位可编程定时计数器,2 个全双工串行通信口,看门狗(WDT)电路,片内时钟振荡器。 ADC0832 模数转换器简介ADC0832 是美国国家半导体公司生产的一种 8 位分辨率、双通道 A/D 转换芯片.由于它体积小,兼容性强,性价比高而深受单片机爱好者及企业欢迎,其目前已经有很高的普及率.学习并使用 ADC0832 可是使我们了解A/D 转换器的原理,有助于我们单片机技术水平的提高。 图 1芯片接口说明:· CS_ 片选使能,低电平芯片使能。· CH0 模拟输入通道 0,或作为 IN+/-使用。 · CH1 模拟输入通道 1,或作为 IN+/-使用. · GND 芯片参考 0 电位(地). · DI 数据信号输入,选择通道控制。· DO 数据信号输出,转换数据输出。· CLK 芯片时钟输入。 · Vcc/REF 电源输入及参考电压输入(复用)。单片机对 ADC0832 的控制原理:正常情况下 ADC0832 与单片机的接口应为 4 条数据线,分别是CS、CLK、DO、DI。但由于 DO 端与 DI 端在通信时并未同时有效并与单片机的接口是双向的,所以电路设计时可以将 DO 和 DI 并联在一根数据线上使用.当 ADC0832 未工作时其 CS 输入端应为高电平,此时芯片禁用,CLK 和 DO/DI 的电平可任意。当要进行 A/D 转换时,须先...

1、当您付费下载文档后,您只拥有了使用权限,并不意味着购买了版权,文档只能用于自身使用,不得用于其他商业用途(如 [转卖]进行直接盈利或[编辑后售卖]进行间接盈利)。
2、本站所有内容均由合作方或网友上传,本站不对文档的完整性、权威性及其观点立场正确性做任何保证或承诺!文档内容仅供研究参考,付费前请自行鉴别。
3、如文档内容存在违规,或者侵犯商业秘密、侵犯著作权等,请点击“违规举报”。

碎片内容

数字电压表的设计实验报告

文旅传媒+ 关注
实名认证
内容提供者

传播文化,成就未来

确认删除?
VIP
微信客服
  • 扫码咨询
会员Q群
  • 会员专属群点击这里加入QQ群
客服邮箱
回到顶部