电脑桌面
添加小米粒文库到电脑桌面
安装后可以在桌面快捷访问

方桩施工技术交底

方桩施工技术交底_第1页
1/2
方桩施工技术交底_第2页
2/2
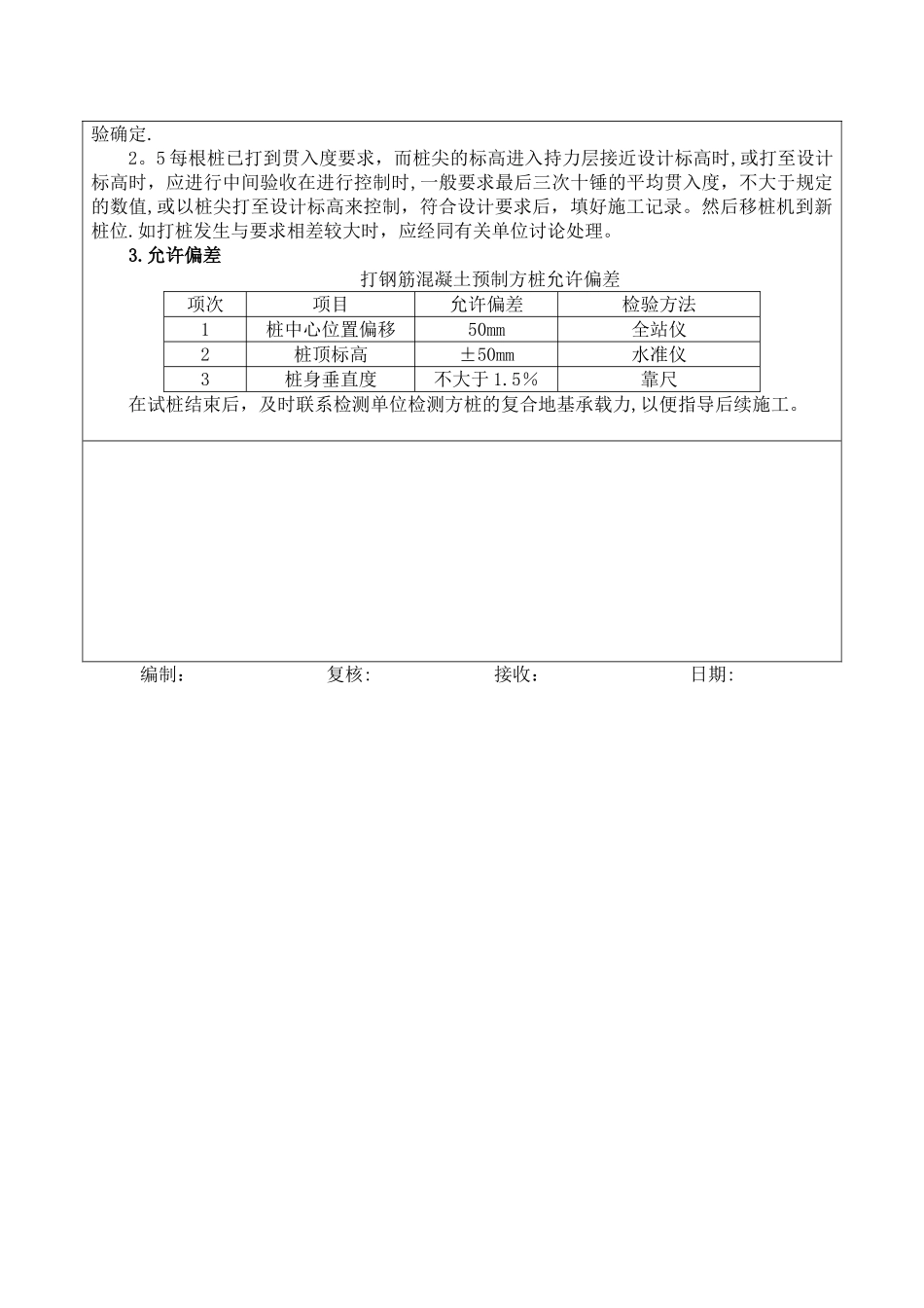
技术交底书表格编号1311项目名称新建蒙西至华中地区铁路运煤通道工程第 1 页共 2 页交底编号工程名称涵洞工程设计文件图号蒙华浩三段施涵施工部位框架涵方桩施工交底日期技术交底范围:1.施工准备(1)预制钢筋混凝土方桩规格质量必须符合设计要求和施工法律规范的规定,并有出场合格证.(2)堆放场地应平整坚实,最下层与地面接触的垫木应有足够的宽度和高度。堆放时桩应稳固,不得滚动;当场地条件许可时,宜单层堆放,当叠层堆放时,不宜超过 5 层.(3)桩基的轴线和标高均已测定完毕,桩基的轴线和高程控制桩应设置在不受打桩影响的地方,并应妥善加以保护。(4)场地应碾压平整,排水通畅。保证打桩机的移动和稳定垂直。(5)根据轴线放出桩位线,用木橛或钢筋头钉好桩位,并用白灰做上标志,便于施工。(6)打试验桩,施工前必须打试验桩,其数量不少于 3 根。确定贯入度并校检打桩设备,施工工艺以及技术措施是否适宜.(7)要选择和确定打桩机进出路线和打桩顺序制定施工方案,做好技术交底。2。方桩施工2。1 打桩机就位时,应对准桩位,保证垂直、稳定,确保在施工中不发生倾斜、移动。2。2 先拴好吊桩用的钢丝绳和索具,然后应用索具捆绑住桩上端吊环附近处,一般不宜超过 30cm,再启动机器起吊预制桩。使桩尖垂直对桩位中心,缓缓放下插入土中,位置要准确。再在桩顶扣好桩帽或桩箍,即可除去索具。桩帽与桩之间应加设硬木、麻袋、草垫等弹性衬垫。桩锤、桩帽应和桩身在同一中心线上.桩插入时的垂直度偏差不得超过 0。5%.2。3 桩尖插入桩位后,先用落距较小冷锤 1—2 次,桩入土一定深度再使用桩垂直稳定,10m 以内短桩可目测或用线锤双向校正,桩在打入前,应在桩的侧面或桩架上设置标尺,以便在施工中观察、记录.2。4 打桩宜重锤低击,锤重的选择应根据工程地质条件、桩的类型、结构、密集程度及施工条件来选用。打桩的顺序根据基础的设计标高,先深后浅。依桩的规格宜先大后小,先长后短。由于桩的密集程度不同,可自中间向两个方向对称进行或向四周进行,也可由一侧向单一方向进行。当桩端位于一般土层时,应以控制桩端设计标高为主,贯入度为辅;桩端达到坚硬、硬塑的黏性土、中密以上粉土、砂土、碎石类土及风化岩时,应以贯入度控制为主,桩端标高为辅;贯入度已达到设计要求而桩端标高未达到时,应继续锤击 3 阵,并按每阵 10 击的贯入度不应大于设计规定的数值确认,必要时,施工控制贯入度应通过试验确定.2。5 每根桩已打到贯入...

1、当您付费下载文档后,您只拥有了使用权限,并不意味着购买了版权,文档只能用于自身使用,不得用于其他商业用途(如 [转卖]进行直接盈利或[编辑后售卖]进行间接盈利)。
2、本站所有内容均由合作方或网友上传,本站不对文档的完整性、权威性及其观点立场正确性做任何保证或承诺!文档内容仅供研究参考,付费前请自行鉴别。
3、如文档内容存在违规,或者侵犯商业秘密、侵犯著作权等,请点击“违规举报”。

碎片内容

方桩施工技术交底

确认删除?
VIP
微信客服
  • 扫码咨询
会员Q群
  • 会员专属群点击这里加入QQ群
客服邮箱
回到顶部