电脑桌面
添加小米粒文库到电脑桌面
安装后可以在桌面快捷访问

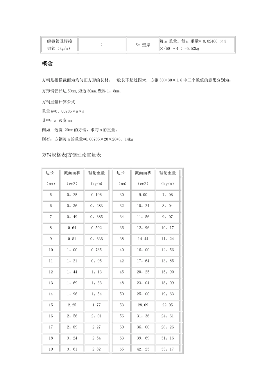
方钢理论重量计算式及重量表

方钢理论重量计算式及重量表_第1页
1/4
方钢理论重量计算式及重量表_第2页
2/4
方钢理论重量计算式及重量表_第3页
3/4
名称(单位) 计算公式 符号意义 计算举例 圆钢 盘条(kg/m) W= 0。006165 ×d×d d = 直径 mm 直径 100 mm 的圆钢,求每 m 重量.每 m 重量= 0.006165 ×100²=61。65kg 螺纹钢(kg/m) W= 0。00617 ×d×d d= 断面直径 mm 断面直径为 12 mm 的螺纹钢,求每 m 重量。每 m 重量=0.00617 ×12 2=0。89kg 方钢(kg/m) W= 0.00785 ×a ×a a= 边宽 mm 边宽 20 mm 的方钢,求每 m 重量。每 m 重量= 0。00785 ×20²=3.14kg 扁钢(kg/m) W= 0.00785 ×b ×d b= 边宽 mmd= 厚 mm 边宽 40 mm ,厚 5mm 的扁钢,求每 m 重量.每 m 重量= 0。00785 ×40 ×5= 1.57kg 六角钢(kg/m) W= 0.006798 ×s×s s= 对边距离 mm 对边距离 50 mm 的六角钢,求每 m 重量。每 m 重量= 0。006798 ×50²=17kg 八角钢(kg/m) W= 0.0065 ×s ×s s= 对边距离 mm 对边距离 80 mm 的八角钢,求每 m 重量。每 m 重量= 0.0065 ×80²=41。62kg 等边角钢(kg/m) = 0.00785 ×[d (2b – d )+0.215 (R²– 2r²)] b= 边宽d= 边厚R= 内弧半径r= 端弧半径 求 20 mm ×4mm 等边角钢的每 m 重量。从冶金产品目录中查出 4mm ×20 mm 等边角钢的 R 为 3。5 ,r 为 1。2 ,则每m 重量= 0.00785 ×[4 ×(2 ×20 – 4 )+0。215 ×(3.5²– 2 ×1.2²)]=1.15kg 不等边角钢(kg/m) W= 0.00785 ×[d (B+b – d )+0。215 (R²– 2 r ² )] B= 长边宽b= 短边宽d= 边厚R= 内弧半径r= 端弧半径 求 30 mm ×20mm ×4mm 不等边角钢的每m 重量。从冶金产品目录中查出 30 ×20 ×4 不等边角钢的 R 为 3。5 ,r 为1.2 ,则每 m 重量= 0。00785 ×[4 ×(30+20 – 4 )+0。215 ×(3。5²– 2 ×1。2 ² )]=1.46kg 槽钢(kg/m) W=0。00785 ×[hd+2t (b – d )+0.349 (R2 – r 2 )] h= 高b= 腿长d= 腰厚t= 平均腿厚R= 内弧半径r= 端弧半径 求 80 mm ×43mm ×5mm 的槽钢的每 m 重量.从冶金产品目录中查出该槽钢 t 为 8 ,R 为 8 ,r 为 4 ,则每 m 重量=0。00785 ×[80 ×5+2 ×8 ×(43 – 5 )+0.349 ×(82–4 2 )]=8.04kg 工字钢(kg/m) W= 0.00785 ×[hd+2t (b – d )+0.615 *(R²– r² ...

1、当您付费下载文档后,您只拥有了使用权限,并不意味着购买了版权,文档只能用于自身使用,不得用于其他商业用途(如 [转卖]进行直接盈利或[编辑后售卖]进行间接盈利)。
2、本站所有内容均由合作方或网友上传,本站不对文档的完整性、权威性及其观点立场正确性做任何保证或承诺!文档内容仅供研究参考,付费前请自行鉴别。
3、如文档内容存在违规,或者侵犯商业秘密、侵犯著作权等,请点击“违规举报”。

碎片内容

方钢理论重量计算式及重量表

您可能关注的文档

范哲铺+ 关注
实名认证
内容提供者

想你所想,急你所急,你需要的都在店铺里可以找到。

确认删除?
VIP
微信客服
  • 扫码咨询
会员Q群
  • 会员专属群点击这里加入QQ群
客服邮箱
回到顶部